Moin, ich such eig. nur einen 4 Ch Treiber für eine RGBW Ansteuerung. Es gibt ja ein paar 4 Ch Treiber, doch haben diese alle nur einen PWM Eingang, sodass alle mit dem gleichen PWM Signal gespeist werden, was ich aber nicht möchte. Jede Leitung soll durch ein eigenes PWM Signal gesteuert werden. Gibts sowas, oder verstehe ich die Datenblätter alle falsch (hab mir ein paar durchgelesen und nur immer eine 1 PWM Signalsteuerung entdeckt) - zBsp vom LM3464, MAX16814, ISL97675 usw.? Viele Grüße und Danke für eure Hilfe. Aesis
Wozu "Treiber" ? Tut es kein Vorwiderstand am uC-Ausgang ? Wenn nein, warum nicht ?
Die Farbe soll über unterschiedl. PWMs variierbar sein und das möglichst in einem Treiber.
Mir ist deine Frage nicht ganz klar. Suchst du einen IC der mit vier PWM Eingängen auch vier PWM Ausgänge steuert. Wenn ja, was macht das für einen Sinn? Dafür kannst du auch 4 Mosfets/ Transistoren/ Darlington Transistoren (ja nach Strom) nehmen. Die gibts auch teilweise in einem Gehäuse. Wenn du einen IC suchst der über 4 PWM Ausgänge verfügt gibt es z.B. von NXP einige die über I2C gesteuert werden. (Z.B.http://at.farnell.com/nxp/pca9632dp2/led-treiber-rgba-10-tssop/dp/1854068) Grüße
Ich such einen Treiber, welcher 4 unterschiedl. Ströme per Widerstand für jeden Strang einstellen lässt und dann noch 4 unterschiedl. PWMs (also pro Strang ein PWM) ausgibt. Diese Ausgangs-PWMs sollen, wenn möglich, über entsprechende Eingangs-PWMs gesteuert werden, sodass kein I2C oder PSE erforderlich sind.
Wenn ich das richtig verstanden habe hast du 4 PWMs (woher auch immer) und willst damit 4 PWMs erzeugen. Zusätzlich hast du 4 Widerstände mit denen du den Strom der 4 Zweige einstellst. Was spricht dann gegen 4 Transitoren oder MOSFETs? Für kleinere Ströme gibts die auch in Arrays mit mehreren in einem Gehäuse wenns unbedingt ein einzelner IC sein soll. Ganz ist mir der Sinn noch nicht klar. Darf ich fragen für was du das Ganze verwenden willst? Um welche Ströme handelt es sich? Grüße
Dagegen spricht z.B. dass die Variante mit Vorwiderstand vll für eine monochrome LED taugt..aber spätestens wenn es mit additiver Farbmischung losgeht, kannste diese Variante vergessen. Du benötigst eine sehr konstante Stromquelle, da die Farben der einzelnen Chips über Strom weglaufen...sprich die Wellenlänge verändern! Jede RGB-LED ist entweder "white-binned" oder "rgb-binned", was bedeutet dass bei einem exakten Strom von z.B 20mA rot, 20mA grün und 10mA blau ein gewisser Weißpunkt erreicht wird, welcher im Datenblatt beschrieben ist...und erst DANN kann man per PWM die gewünschte Mischfarbe einstellen, da hier die Wellenlänge gleich bleibt und man so die Farben linear überlagern kann.... Würde mal bei TI oder ST schauen...die haben interessante Mehrkanal-LED-Treiber, die kannst du bestimmt für deine RGBW LED nutzen :)
> Ich such einen Treiber, Du bist verliebt in das Wort, und hast eigentlich keine Ahnung was nötig wäre. Treiber gibt's bei der Wildschwein-Treibjagd. Das, was du bisher beschreibst > Ausgangs-PWMs von .. Eingangs-PWMs gesteuert werden > 4 unterschiedl. Ströme per Widerstand lässt sich bis 20mA direkt aus einem PortPin, und bei mehr als 20mA durch je einen Transistor pro LED-Ausgang lösen, ganz ohne mysteriöse "Treiber". Aber schöde Transistoren sind dir vermutlich nicht elitär genug.
> Jede RGB-LED ist entweder "white-binned" oder "rgb-binned", was bedeutet > dass bei einem exakten Strom von z.B 20mA rot, 20mA grün und 10mA blau > ein gewisser Weißpunkt erreicht wird, welcher im Datenblatt beschrieben > ist...und erst DANN kann man per PWM die gewünschte Mischfarbe > einstellen, da hier die Wellenlänge gleich bleibt und man so die Farben > linear überlagern kann.... Ok, gut zu wissen. Ich nehm an das gilt aber nur wenn ich entsprechende LEDs hab und nicht den 100er Pack vom billig Versand die halten sich meiner Erfahrung nach nicht so genau ans Datenblatt. :) Danke für die Information.
Das gilt zumindest für LED`s von Osram.... Der Vorteil von den genannten Treiber-ICs ist meiner Meinung nach nur, dass sie eine Konstantstromquelle verbaut haben....zumindest wenn es nur darum geht EINE LED anzusteuern..interessant wird es bei mehreren Leds, da hier der Duty-Cycle nicht "hardwaremäßig" rausgegeben wird, sondern per SPI z.b und der Treiberbaustein diese Information dann in die entsprechende PWM umsetzt... Gruß Jan
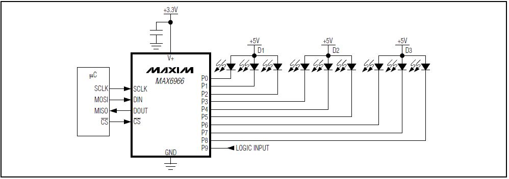
Ich hab mal vor Jahren was mit einem MAXIM IC versucht. Der war mit SPI oder I2C. Der MAX6966/MAX6967 ist zum Beispiel ein 10-Port Constant-Current LED Drivers and I/O Expander with PWM Intensity Control via SPI. Da gibt es auch noch was mit I2C. Hab mal das Datasheet mit angehangen..
Hab den LT3476 gefunden. Der tut genau das, was ich möchte. Die µC haben immer mehr PWM Eingänge und gehen weg von I2C, oder SPI Steuerung. So ist nunmal die Entwicklung. @ MaWin: du hast wohl Null Plan?
> MaWin: du hast wohl Null Plan? Nee, leider nicht, ich weiß weder wie viel Strom deine LEDs haben wollen, noch welche Betriebsspannung mit welchen Toleranzen zur Verfügung steht. Aber das liegt nicht an mir.
@Michael M. Da muss ich Marwin mal in Schutz nehmen, ich glaube eher, dass Du nur bedingt weisst, was Du wirklich willst und einige Dinge durcheinander schmeisst. Hier mal eine Lösung, wie MarWin sie beschreibt, es gibt natürlich wie immer viele Wege nach Rom. Wenn Du mal bei TI nach RGBW-Controllern / Treibern schaust, wirst Du auch fündig. http://www.led-studien.de/docs/RGBW-Controllerv51Daten.pdf Gruß Frank
Motzende Leute haben in keinem Forum was zu suchen! Die werden woanders für Frechheiten gleich mal gekickt, doch er kann ja schön als Gast schreiben und weiter motzen,, was er bestimmt den ganzen Tag tut. BTW. welcher Strom oder Spannung erforderlich ist, hängt ja wohl noch immer von der Schaltung ab und die kann ich mir zurechtlegen, bis es passt, daher schau ich erst, was die µC im Allgemeinen so liefern können. Ihr könnt ja gerne erst eine Schaltung aufsetzen, um dann festzustellen, dass ihr diese nicht betreiben könnt. Viel Spaß - ich bin weg hier!
Bitte melde dich an um einen Beitrag zu schreiben. Anmeldung ist kostenlos und dauert nur eine Minute.
Bestehender Account
Schon ein Account bei Google/GoogleMail? Keine Anmeldung erforderlich!
Mit Google-Account einloggen
Mit Google-Account einloggen
Noch kein Account? Hier anmelden.
