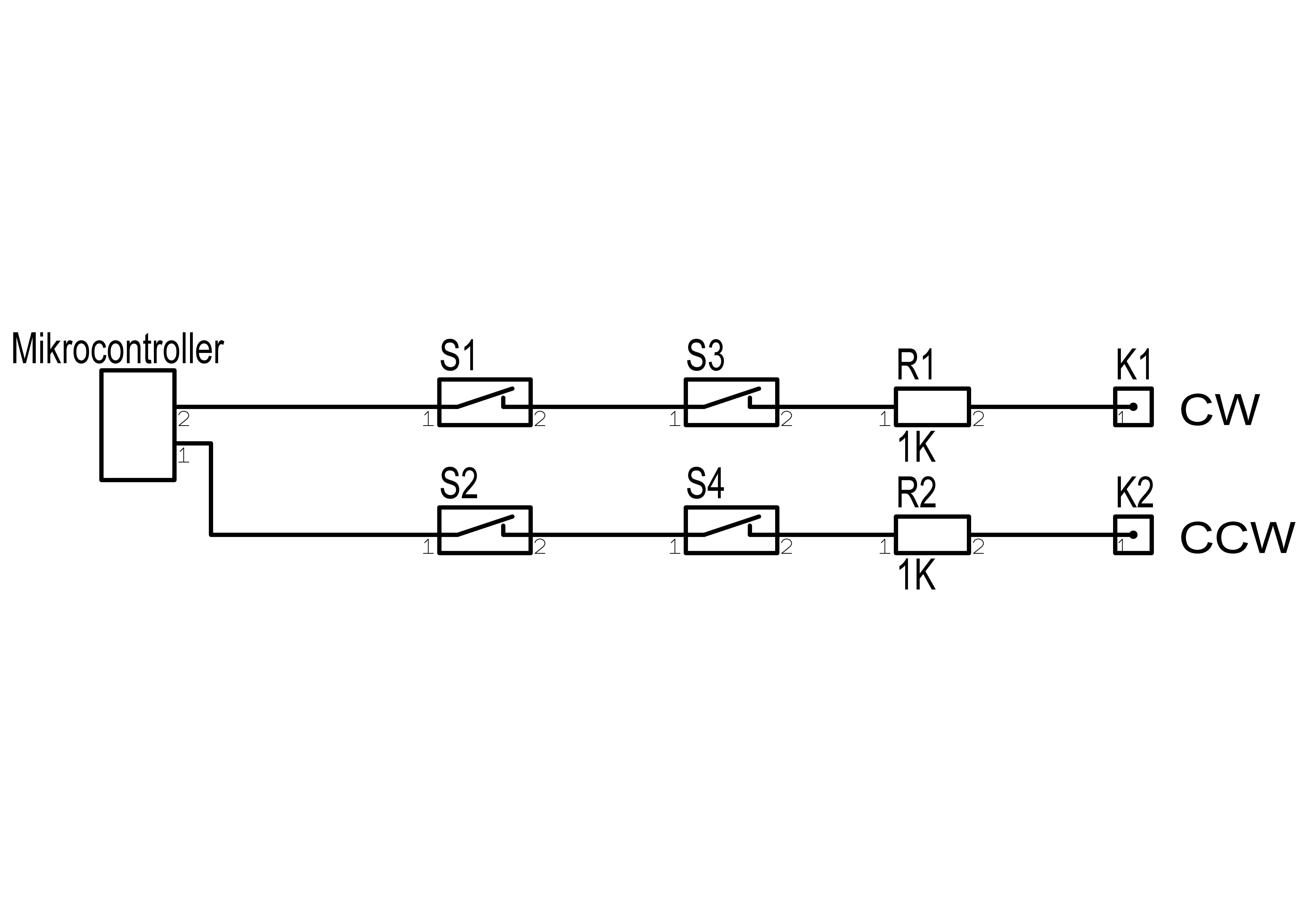
Hallo, mein Ziel ist, mit einem Mikrocontroller (AT90CAN128) und einer H-Brücke einen DC-Motor zu steuern. Ich verwende dazu zwei Ausgangspins des Mikrcontrollers für die jeweilige Drehrichtung des Motors (CW und CCW). Beide Endlagen des Motors werden mit jeweils zwei redundanten Reed-Kontakten überwacht(S1 und S3 bzw S2 und S4 in der angehängten Skizze). Bei Erreichen der Endposition sollen die Reedkontakte das Steuersignal des Mikrocontrollers unterbrechen. Ich möchte nun zusätzlich den Zustand aller Endschalter mit dem Mikrocontroller überwachen um z.B. den Ausfall eines Endschalters feststellen zu können. Gibt es eine einfache Möglichkeit den Zustand aller Endschalter ohne größeren Schaltungsaufwand abzufragen?
Die im ersten Beitrag angehängte Skizze lässt sich nicht öffnen. Hier eine (hoffentlich) funktioniernde Datei.
> Gibt es eine einfache Möglichkeit den Zustand aller > Endschalter ohne größeren Schaltungsaufwand abzufragen? Klar, aber die hast du dir durcz Auswahl deiner Schalter verbaut. +5V | R | I/O-Pin --+--+-- CCW Pin | | S1 S2 Schliesst wenn Endposition erreicht. | | Masse Erlaubt sowohl ultimativ die Bewegung zu unetrbrechen, als auch vom uC über denselben Pin abzufragen was Sache ist. Mit deinen ööfnenden Kontakten wirst du einen zweiten Eingang brauchen und ein Logiksignal-trennendes Gatter falls der Endschalter unmittelbar wirken soll.
Hallo MaWin,
ich habe die öffnenden Kontakte als Schutz gegen Kabelbruch gewählt.
Mit der Parallelschaltung der Schalter ist es auch nicht möglich, beide
Endschalter unabhängig voneinander auf Ausfall überwachen.
Der zweite Eingang am Mikrocontroller wäre nicht das Problem, da habe
ich noch Reserven.
Könnte ich das so mit einem Gatter aufbauen?
+----+
| |
I/O-Pin ---| |
| |
+5V---S1 --------| & |------ CCW PIN
| |
+5V---S2 --------| |
| |
+----+
S1 und S2 öffnen wenn Endposition erreicht.
Würde es funktionieren zwischen S1 und dem Gatter (bzw. S2 und dem
Gatter) einen I/O-Pin anzuschließen und den Spannungspegel (Low/High) zu
überwachen?
> Könnte ich das so mit einem Gatter aufbauen? Es sollte vom Eingang des Gatters noch ein Widerstand nach GND, damit bei offnem Schalter der Eingang definiert ist, Widerstandsweert richtet sich nach Minimalstrom des Schalters laut dessen Datenblatt. > Würde es funktionieren zwischen S1 und dem Gatter (bzw. S2 und dem > Gatter) einen I/O-Pin anzuschließen und den Spannungspegel (Low/High) > zu überwachen? Ja wenn der oben genannte pull down montiert ist. Macht 4 zusätzliche Eingänge.
> Würde es funktionieren zwischen S1 und dem Gatter (bzw. S2 und dem > Gatter) einen I/O-Pin anzuschließen und den Spannungspegel (Low/High) zu > überwachen? Du müßtest bremsen also Beide Halbbrücken auf gleichen Spannungspegel oder Ausschalten dann läuft der Motor noch nen Stück weiter. Je nachdem welcher Endschaltern betätigt ist eine Fahrrichtung sperren und die Andere freigeben. Der µC kiann dann nur noch in die richtige Richtung fahren wenn er die Halbbrücken wieder aktiviert.
Bitte melde dich an um einen Beitrag zu schreiben. Anmeldung ist kostenlos und dauert nur eine Minute.
Bestehender Account
Schon ein Account bei Google/GoogleMail? Keine Anmeldung erforderlich!
Mit Google-Account einloggen
Mit Google-Account einloggen
Noch kein Account? Hier anmelden.

