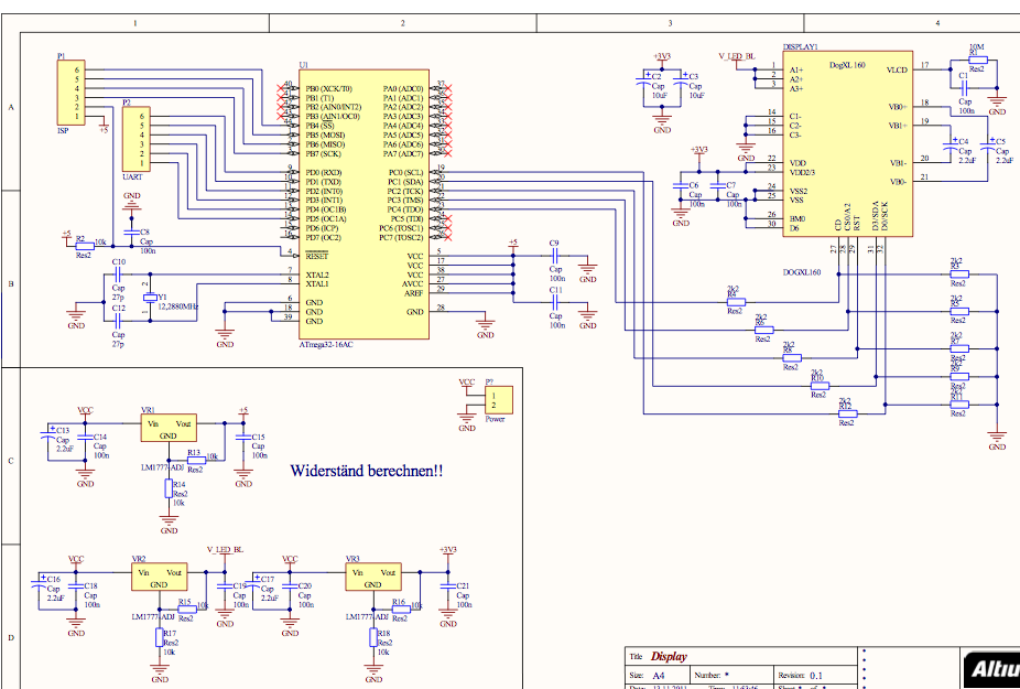
Hallo, ich habe folgende Schaltung aus dem Internet ein wenig abgeändert: http://www.ft-fanpage.de/mikrokopter/ im Anhang ist mein Schaltplan. Ich habe das etwas Größere Display DogXL160 verwendet. Buttons brauche ich keine, da es ausschließlich über UART angesteuert werden soll (von einem FPGA aus, zum testen am PC ist natürlich noch eine Schaltung mit entsprechendem MAX232 nötig, die seperat erstellt wird). Könnt ihr bitte einmal über den Schaltplan schaun, ob irgendwelche fehler din sind? Die R-Werte für die LM1117-ADJ nehme ich aus einer Tabelle. diese sind noch nicht im Schaltplan eingetragen. Für den Quarz sind die C mit 27p OK? Das sind die Werte aus dem Original. Oder muss ich bei abweichender Frequenz die Werte anpassen? Beschaltung von ISP und UART bitte ansehn ob das so geht. Die Spannung V_LED_BL muss je nach Hintergrundbeleuchtung angepasst werden. Dazu die nächste Frage: Ich beabsichtige folgendes Display zu verwenden: R*ichelt: EA DOGXL160B-7 (Grafikdisplay mit SPI und I²C 160x104 Punkte, blau) welche Beleuchtung benötige ich? Weiß? EA LED78X64-W Beleuchtung für EA DOGXL160-7 / weiß Erscheint mir am logischsten? Software wird neu geschrieben, da ich andere Anforderungen habe und die Display Größe abweicht. Hoffe ihr könnt mir ein paar Tips geben. Danke
Bitte melde dich an um einen Beitrag zu schreiben. Anmeldung ist kostenlos und dauert nur eine Minute.
Bestehender Account
Schon ein Account bei Google/GoogleMail? Keine Anmeldung erforderlich!
Mit Google-Account einloggen
Mit Google-Account einloggen
Noch kein Account? Hier anmelden.
