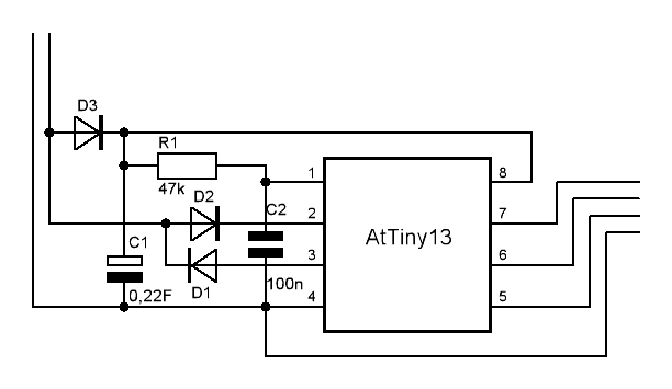
Guten Morgen, Irgendwie stehe ich gerade auf dem Schlauch. Ich möchte einen "Sensor" über nur 2 vorhandene Drähte mit Strom versorgen, und Daten übertragen. Die Versorgungsspannung ist 5,0V und die Daten sollen nur vom "Sensor" zum "Master" übertragen werden. - Durch den Timer-Overflow-Interrupt und den geringen Takt von 128kHz können maximal 500 Bit/s übertragen werden. Die zu übertragenden Daten umfassen lediglich 1 Word. Zur Abfrage der Daten wird die Versorungsspannung unterbrochen, gepuffert durch den 0,22F Kondensator läuft der Tiny weiter und soll seine "Ergebnisse" liefern. Erkannt wird das durch den Pinchange-Interrupt an PB3, welcher eine weitere Verarbeitung im Timer-Interrupt mithilfe eines Registers erst möglich macht. (Der Code ist umfangreich kommentiert.) Allerdings liegt der Ausgang PB4 irgendwie immer auf 1. Wo könnte das Problem liegen? So langsam zweifle ich an mir selbst. :D Ich komme seit insgesamt 7 Stunden irgendwie nicht weiter. Der Schaltplan ist 1-zu-1 vom Steckbrett übernommen, der Code befindet sich so Übersetzt ebenfalls im Controller. Fuses: LOW: 0x7B ; HIGH: 0xEF ; LOCK: 0xFF
//Update: Falscher CODE - Interne Pullups waren noch nicht mit aktiviert. Jetzt passt der Code aber 1-zu-1 zum Programm auf dem Controller.
Hallo, das habe ich bereits gesehen - ich lese seit einigen Monaten hier in den Foren mit, und kenne die Fähigkeiten einiger User und schätze eben Diese. Allerdings geht es mir bei dem oben genannten Problem darum, dass ich aus Fehlern lernen möchte. Leider habe ich noch kein Oszilloskop zur Hand, um etwas "genaueres" zu sehen. 500bit/s finde ich allerdings relativ langsam. Daher denke ich, dass eine provozierte Folge von 8 Bits mit dem "Status" 1 mit bloßem Auge zu sehen sein sollte. - Immerhin ist eine LED 0,016 Sekunden lang eingeschaltet. Außerdem sollte eine bistabile Kippstufe bei diesem Impuls auch Umschalten (und mit einem weiteren Transistor zu die Zuleitung abschalten, um ein "Zurückspringen" zu verhindern), was allerdings nicht passiert. Daher würde ich gerne in Erfahrung bringen, ob ich einen Fehler in der Schaltung oder dem Code eingebaut habe. Gruß, Marcel
Bitte melde dich an um einen Beitrag zu schreiben. Anmeldung ist kostenlos und dauert nur eine Minute.
Bestehender Account
Schon ein Account bei Google/GoogleMail? Keine Anmeldung erforderlich!
Mit Google-Account einloggen
Mit Google-Account einloggen
Noch kein Account? Hier anmelden.
