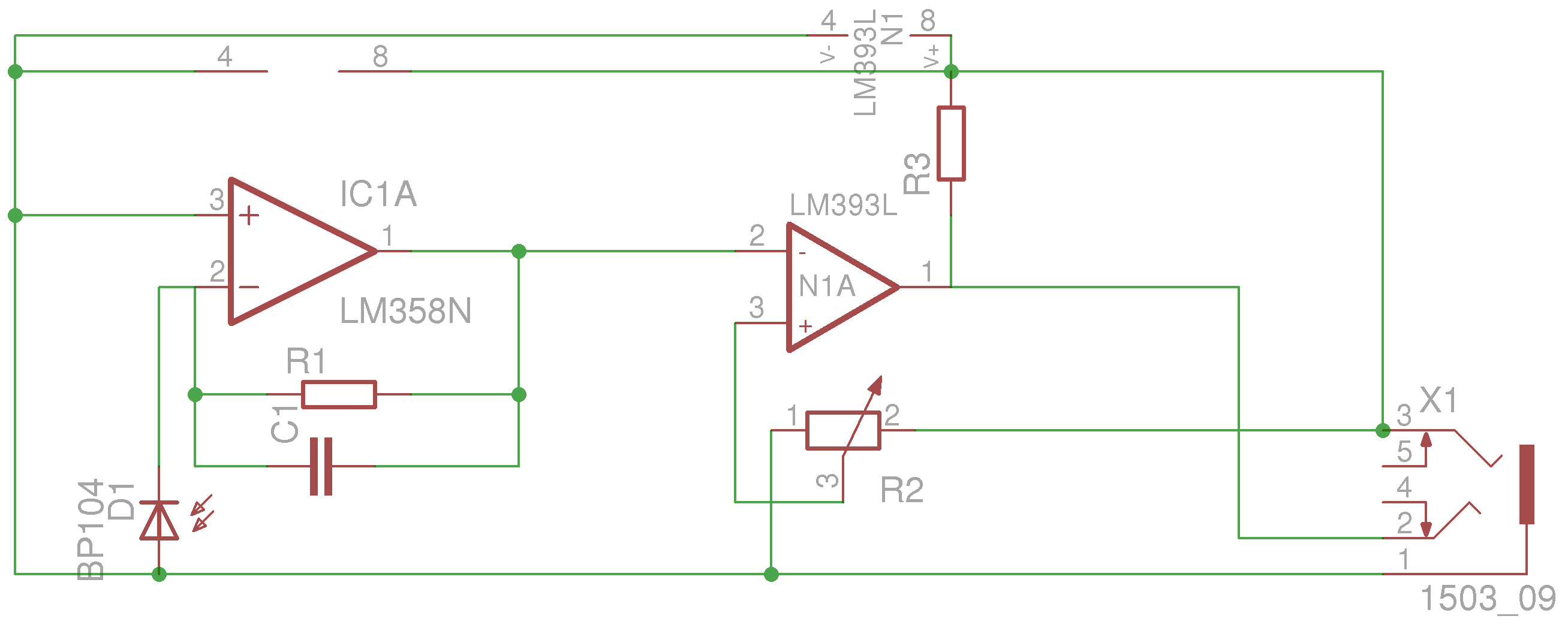
Hi Leute, ich habe ein paar Fragen zu einer Schaltung und würde mich über eure Anregungen und Kritik freuen. Das Problem ist, dass ich möglichst zeitnah eine Helligkeitsänderung an einem (wahrscheinlich TFT-)Bildschirm binär (im Grunde Schwarz/Weiß) erfassen möchte. Um dieses Problem anzugehen habe ich geplant, die abfallende Spannung an einer Photodiode mit einem OpAmp in einer TIA Schaltung nach http://www.mikrocontroller.net/articles/Lichtsensor_/_Helligkeitssensor zu verstärken. Darauf folgend möchte ich den Wert mit Hilfe eines Komparators auf HIGH/LOW wandeln. Um die Schaltschwelle zu regulieren verwende ich als Referenzspannung für den Komparator die Spannung aus einem Trimmer-Poti als Spannungsteiler. Weiterhin soll die Schaltung über ein Stereo-Klinke-Kabel an meine Hauptschaltung angeschlossen werden. Über dieses wird die Schaltung mit Spannung versorgt, an die Masse angeschlossen und das Signal wird über dieses Kabel hinaus geführt. In der Hauptschaltung soll das Signal von einem µC aufgenommen werden. Über konstruktive Kritik und Verbesserungsvorschläge würde ich mich sehr freuen. Insbesondere würde ich gerne wissen, ob die Schaltung das macht, was sie machen soll, oder ob ich da große Fehler drin hab. Weiterhin interessiert mich, ob der Anschluss der Schaltung an meine Hauptschaltung über das Klinke-Kabel Sinn ergibt, oder ob es damit Probleme geben wird. Vielen Dank im Voraus, Paul C
Anhang wär' nicht schlecht gewesen. Hier isser!
Schau Dir mal die TSL von TAOS an da ist der TIA schon drin. Aber Vorsicht um so empfindlicher um so langsamer.Im Datenblatt die 0 auf 100% Zeiten beachten! TSL257 im Milliskundenbereich glaube ich. Wenn das Kabel lang wird wären auch die digitalen Vertreter eine Option falls Deine Auswerteschaltung das zulässt. Stefan
Hört sich garnicht schlecht an. Das Datenblatt für den genannten Sensor sagt typisch 160 µS um auf 90% zu kommen, maximal 250 µS. Das reicht für mich alle Male. Leider habe ich jetzt auf die Schnelle noch keinen Distributor gefunden, bei dem ich den bekomme. Aber den 250 und 252 bekommt man wohl recht gut und auf die 100 µS, die der länger braucht, kommt es auch nicht an (Mein Ziel ist es, unter einer, vielleicht unter .5 ms zu bleiben). Vielen Dank, ich schau mir das mal weiter an. Beste Grüße
Bitte melde dich an um einen Beitrag zu schreiben. Anmeldung ist kostenlos und dauert nur eine Minute.
Bestehender Account
Schon ein Account bei Google/GoogleMail? Keine Anmeldung erforderlich!
Mit Google-Account einloggen
Mit Google-Account einloggen
Noch kein Account? Hier anmelden.
