Servus miteinander, weiß hier jemand zufällig, wie hoch der Eingangswiderstand von nem funktioniernden Magnetron für die Mikrowelle ist? Grüße Andi
Eingangsseitig ist ( bei einfachen Geräten ) der Transformator zu angeordnet. Mit dem Multimeter gemessen, sind's ein paar Ω. Ist "weiter hinten" etwas defekt, ändert sich das leider nicht ...
Ein Magnetron ist eine Elektronenröhre, da kannst du bestenfalls den Widerstand der Kathodenheizung messen. Insofern hat sowas keinen "Eingangswiderstand".
Die Heizung läßt sich einigermaßen leicht prüfen: am Haupttrafo sind einige wenig Windungen dicken Drahts, die zur Heizung des Mgnetrons gehen. Abklemmen, messen: sollte im der Größenordnung 1 Ohm oder weniger sein. Machte selbst die Erfahrung, dass bei einfachen Mikrowellen die simple Steuerungsmechanik anfällig ist. Z.B. wird die Leistungsverstellung durch zyklisches Ein-/Ausschalten erreicht, eine Art elektro-mechanische PWM. Achtung, am Magnetron liegen im Betrieb Kilovolt an! Oft ist die Anode auf Masse, während die direkt geheizte Kathode auf -xKV liegt: deshalb ist das Messen der nur wenigen Volt großen Heizspannung ebenfalls ein Risiko. Wenn du nicht genau weist was du tust besser Finger weg.
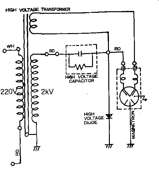
Habe noch eine Prizipschaltbild einer Mikrowelle um ds Magnetron gefunden. Die mir bekannten Geräte sehen so ähnlich aus. Wenn man ohne Gefahr von Hochspannung und Strahlung auf Fehlersuche gehen will, am Besten die Hochspannungswicklung abklemmen (im Bild "RD") und dick isolieren. Die Heizung allein ist ungefährlich. Die Schalt-Elektromechanik hat oft einen eigenen, separaten kleinen Trafo. Manchmal hängt der kleine Antriebsmotor aber auch direkt an 230V.
Hi, Andi, > weiß hier jemand zufällig, wie hoch der Eingangswiderstand > von nem funktioniernden Magnetron für die Mikrowelle ist? Im ersten Moment dachte ich an einen "Cross Field Amplifier". Das ist eine Variante des Magnetrons, deren Raum zwischen Kathode und Anode nicht als Ring ausgeführt ist, sondern wie das Zeichen "Omega" - also mit Ein- und Ausgang. Das eigentliche Magnetron aber ist ein selbsterregter Oszillator und hat keinen Eingang außer Heiz- und Anodenspannung. Ciao Wolfgang Horn
Sagen wir mal 2KOhm Hautwiderstand (vor Spannungsdurchschlag) bei 2KV macht 1A. Der Trafo liefert sogar 1000-2000W bei 2KV das dürfte langsam sogar riechen bzw. Du.
Bitte melde dich an um einen Beitrag zu schreiben. Anmeldung ist kostenlos und dauert nur eine Minute.
Bestehender Account
Schon ein Account bei Google/GoogleMail? Keine Anmeldung erforderlich!
Mit Google-Account einloggen
Mit Google-Account einloggen
Noch kein Account? Hier anmelden.
