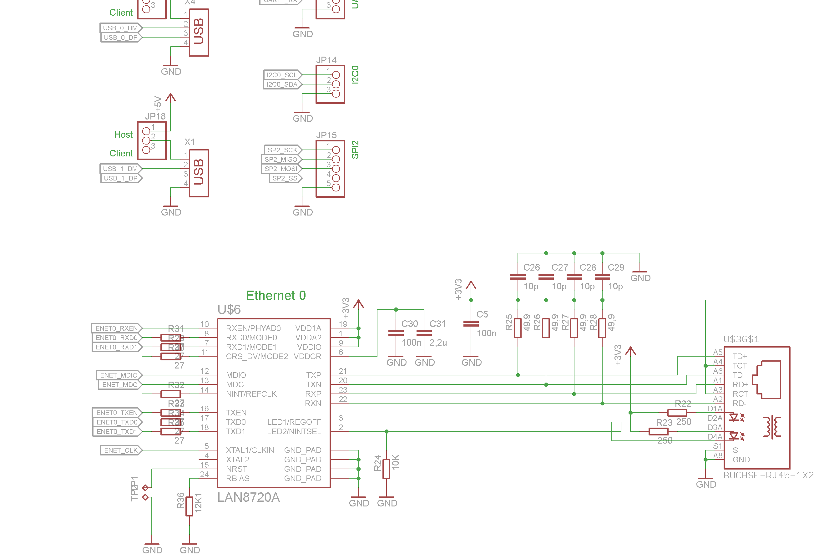
Hallo zusammen, erstmal ein frohes neues Jahr! Ich beschäftige mich grade mit dem Freescale I.MX287 und versuche mir hierzu ein Entwicklungsboard zu bauen. Ich bin allerdings auf einige Probleme gestoßen, nämlich verwendet dieser Controller das RMII Protokoll zur Ansteuerung des LAN8720A Ethernet Chips. Hier nun meine Frage an euch: Ist meine Annahme der Verdrahtung so richtig (siehe Anhang) und was hat es grundsätzlich mit den Leitungen CRS_DV/MODE2 und NINT/REFCLK auf sich und wie müssen diese verbunden werden? Hat schon jemand Erfahrung mit diesem Controller? Vielen Dank im vorraus. Bin auch offen für Kritik, Vorschläge, Ideen und Anmerkungen. Daniel
Bitte melde dich an um einen Beitrag zu schreiben. Anmeldung ist kostenlos und dauert nur eine Minute.
Bestehender Account
Schon ein Account bei Google/GoogleMail? Keine Anmeldung erforderlich!
Mit Google-Account einloggen
Mit Google-Account einloggen
Noch kein Account? Hier anmelden.

