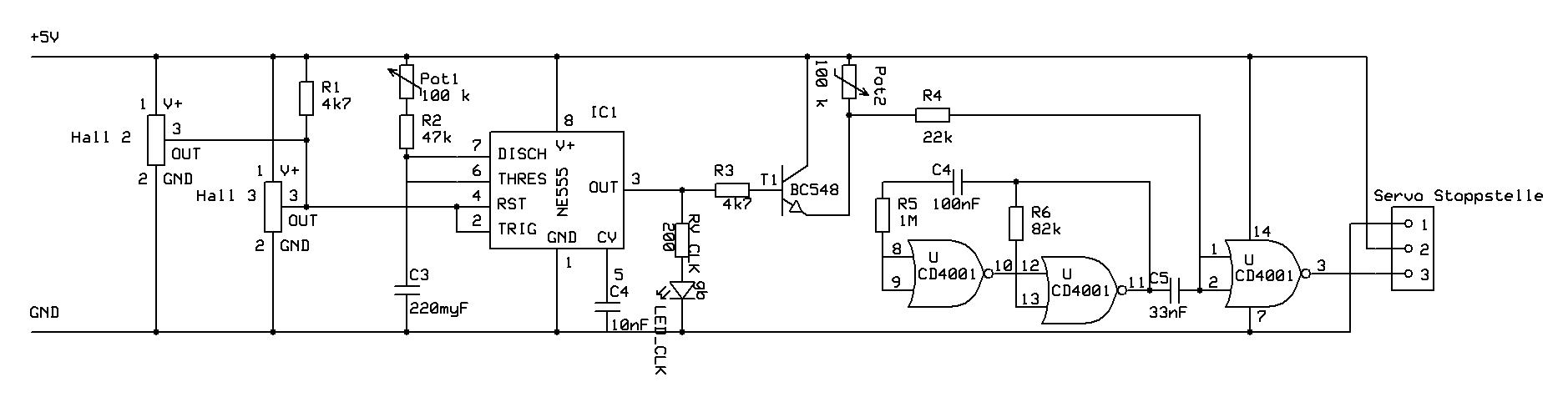
Hallo, bin kein Experte in Elektronik und habe mir nach langem Suchen und Überlegen eine Schaltung zusammengebastelt, die einen Servo über Hallsensoren schalten soll. Über die Hallsensoren soll der Servo für ein bestimmte Zeit in eine andere Position verfahren werden. Nach Ablauf der Zeit soll der Servo wieder in die Ursprungsposition zurückfahren. Für das Zeitglied habe ich einen NE555 verwendet. Schaltung wie im Datenblatt. Für die Servoansteuerung habe ich die Schaltung eines Servotesters verwendet (Bausatz von ...). Die Gesamtschaltung ist von mir :) Liegt an einem der Hallsensoren Signal an, wird Reset und Trigger des NE555 auf GND gezogen. Damit geht Out auf High. Ist C1 über R1 soweit geladen, dass die Spannung an THRES schaltet, wird Out wieder auf Low gesetzt. Kommt vorher erneit ein Signal von den Hallsensoren, wird die Zeit wird neu gestartet, d.h. C1 entladen. Mit Out wird über einen Transistor der Widerstand des Servosteuersignalgenerators zwischen zwei Werten (18k und 18k+Poti) geschaltet. Damit ändert sich das Steuersignal für die beiden Positionen des Servos. Wo ich mir unsicher bin: - geht das mit den Hallsensoren so? - ist die Transistorschaltung richtig aufgebaut?
Bitte melde dich an um einen Beitrag zu schreiben. Anmeldung ist kostenlos und dauert nur eine Minute.
Bestehender Account
Schon ein Account bei Google/GoogleMail? Keine Anmeldung erforderlich!
Mit Google-Account einloggen
Mit Google-Account einloggen
Noch kein Account? Hier anmelden.
