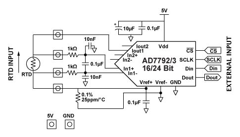
Hallo Ich möchte mittels Pt100, welcher per 4-Leitertechnik an einen AD7793 angeschlossen ist, eine Temperatur im Bereich von ca. -50...+100°C messen können. Leider habe ich auf diesem Gebiet fast keine Ahnung und stecke nun fest... Die Schaltung im Anhang habe ich im Netz gefunden und soweit ich das sehe, sollte sie für meine Anwendung passen. Nun zur Frage; wie ist denn der 0.1% Präzisionswiderstand (unten) zu dimensionieren und auf was muss man achten? Danke
Die Spannung zwischen +Ref und -Ref ist ueblicherweise der Messbereich. Dh was ausserhalb ist kommt in die Tonne. Dh es ist eigentlich alles falsch.
Datenblatt lesen ? Da der Pt100 bei 100 GradC ca. 138 Ohm hat, wäre ein Widerstand von 138.5 bis 200 Ohm sinnvoll, Hauptsache du weisst exakt seinen Wert. Bei 200 Ohm wird halt ein Teil des 24 bit Ergebnisbereichs nicht ganz ausgenutzt.
Besten Dank den Antwortenden, das hat schon sehr geholfen!
>Datenblatt lesen ?
Hab doch Erbarmen mit mir, dieses IC ist so universell einsetzbar und
ich habe absolut keine Ahnung, da bin ich für den Einstieg um jede Hilfe
dankbar. :-)
Gelesen hatte ich im Datenblatt, aber noch nicht viel verstanden...
Bitte melde dich an um einen Beitrag zu schreiben. Anmeldung ist kostenlos und dauert nur eine Minute.
Bestehender Account
Schon ein Account bei Google/GoogleMail? Keine Anmeldung erforderlich!
Mit Google-Account einloggen
Mit Google-Account einloggen
Noch kein Account? Hier anmelden.
