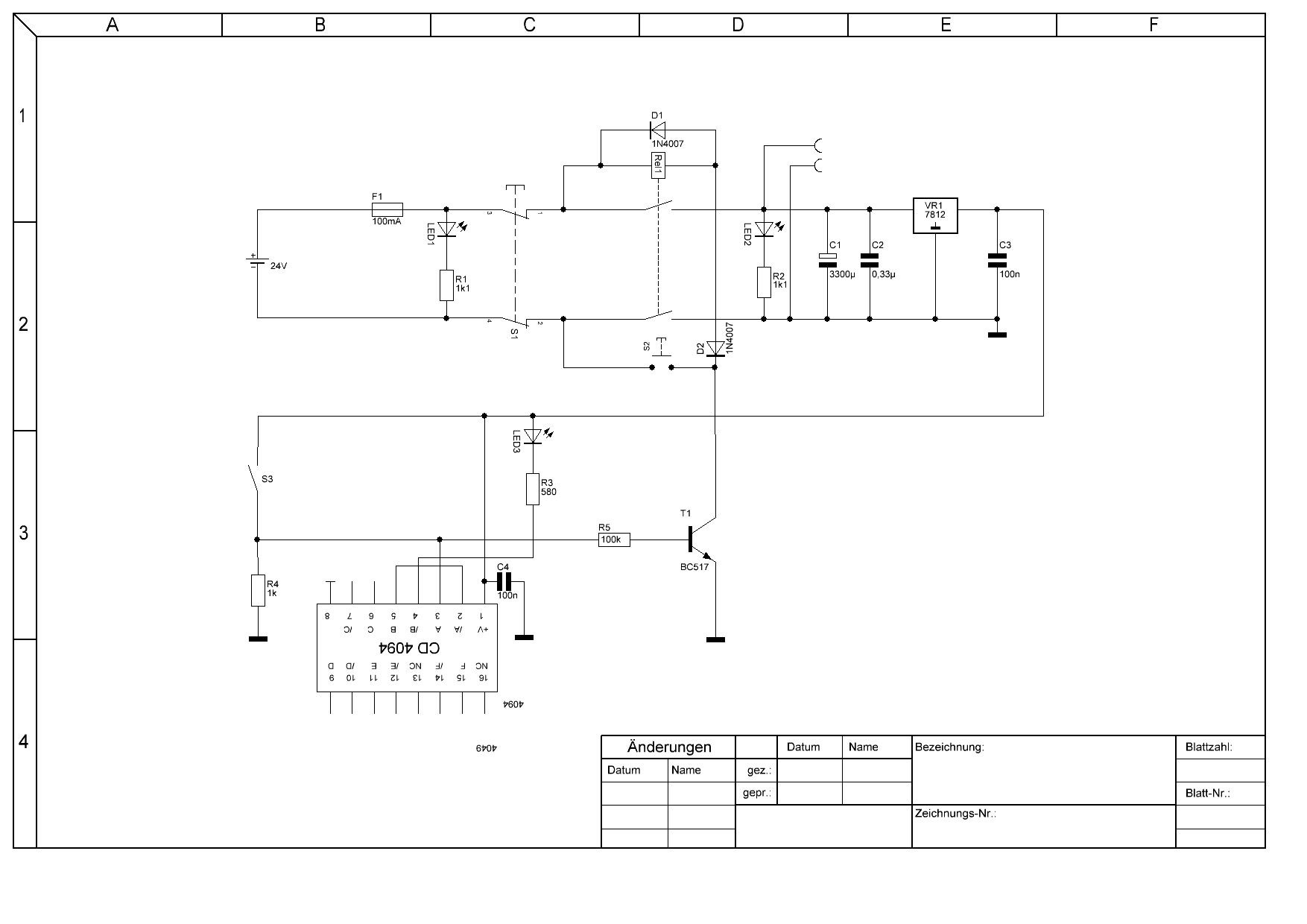
Hallo Leute, könntet Ihr mir bitte meine Schaltung, den dazugehörigen Schaltplan und meinen Gedankengang überprüfen? Ich zähle mich eher zu den Anfängern, wenn es um Elektronik. Daher habe ich bis jetzt auch noch keine größeren Schaltpläne entworfen. Deswegen meine Bitten: 1) Überprüfen des Schaltplans: Ist die Zeichnung so korrekt? Habe ich irgendetwas übersehen? 2) Überprüfen der Funktionalität: Bei der Schaltung handelt es sich um eine Steuerung für einen Motor. Im Folgenden gehe ich davon aus, dass S3 betätigt ist: Sobald die Eingangsspannung anliegt, leuchtet LED1. Wenn ich den Taster S3 betätige, so zieht das Relais an und der Motor läuft. LED2 signalisiert, dass der Motor läuft. Dadurch, dass S3 betätigt ist, leuchtet LED3 nicht. Der Transistor schaltet aber, so dass das Relais angezogen bleibt. Wenn S3 nun nicht mehr betätigt ist, leuchtet LED3. LED1 leuchtet weiterhin, LED2 nicht. Vielen Dank!
Wenn ich jetzt wüsste, wo der Motor ist... LED1 leuchtet immer (wenn Spannung anliegt) LED2 leuchtet wenn der Motor läuft. LED3 leuchtet wenn S3 offen ist. Der Motor läuft, wenn das Relais geschlossen ist. Das Relais ist geschlossen (wenn Spannung anliegt), wenn S1 geschlossen ist und (S2 gedrückt wird oder S3 gedrückt ist), dann läuft der Motor. Warum S1 nun beide Pole trennt, warum T1 den S3 verstärkt obwohl S3 stärker wäre als T1, warum so viele Bauteile verbaut wurden um so eine simple Funktion zu realisieren, bleibt schleierhaft. R5 ist zu hochohmig, 1k wäre besser, R3 zu niederohmig, 2k wäre passender, D2 überflüssig, offene Eingänge am CD4094 sollten auf definiertes Potential, also Masse, bei VR1 sollte man dranschreiben wo Eingang und Ausgang ist. Wenn S1 und das Relais nur noch die Plusleitung trennt, S3 direkt LED und Relais schaltet und damit T1 und das IC entfallen, kann auch der Spannungsregler weg, und die Schaltung ist viel einfacher. Du müsstest dazu nur wissen: Wie schaltet ein Schalter eine LED aus. +24V | 2k2 | +-----+--|<|-- Relais | | LED Schalter | | Masse Masse
Hallo, Hmm irgendwie habe ich das Gefühl, das muss doch auch ohne das Schieberegister gehen. Kannst du mal ganz genau erklären, was die Schaltung machen soll? Und bitte mit sinnvollen Bezeichnungen. Mit LED1, LED2 und LED4 bekomme ich immer ein durcheinander, "Motor Läuft", "Fehler" usw. sind viel aussagekräftiger. Ebenso für die Schalter kann man sinnvolle Bezeichnungen verwenden. Die LED1 kannst du in der Beschreibung weglassen, die hängt ja nur an der Versorgungsspannung. mfg EDIT: Da warte ich so lange mit Antworten, in der Hoffnung dass jemand anders den Anfang macht, und dann antwortet doch einer noch während ich am schreiben bin... :-)
Bezeichnung der Pins ist verkehrt. IC hat keine Versorgungsspannung. Komische Schaltung.
Bitte melde dich an um einen Beitrag zu schreiben. Anmeldung ist kostenlos und dauert nur eine Minute.
Bestehender Account
Schon ein Account bei Google/GoogleMail? Keine Anmeldung erforderlich!
Mit Google-Account einloggen
Mit Google-Account einloggen
Noch kein Account? Hier anmelden.
