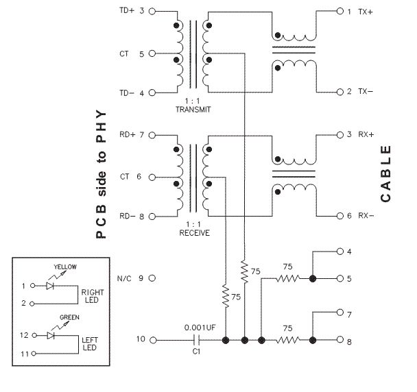
Hallo, ich möchte gern mit einem LPC17xx von NXP einen kleinen Webserver bauen. Am LPC muss ich natürlich dann PHY und Übertrager anschliessen... Jetzt meine Frage. Ich habe hier ein paar LAN-Buchsen mit integrierteM Übertrager. Die Beschaltung ist gemäss Bild 1. Gleichzeitig habe ich die Schaltpläne einiger gängiger Evalboards gegoogelt, und rausgefunden, dass die dort verbauten LAN-Übertrager meist die Beschaltung gemäss Bild 2 haben. Ich frage mich nun, wie relevant diese Schaltung wirklich ist? Ich möchte den KSZ8001 PHY Chip verwenden, da ich diesen schon habe. Dort sind im Datenblatt zwar ein paar Übertrager empfohlen, aber diese kann ich sowieso alle nicht beschaffen, die müsste ich bei Farnell oder Digikey bestellen, und nur wegen eines einzelnen popligen Übertragers werde ich diese Mühe nicht auf mich nehmen - denn alle anderen Bauteile habe ich in meinem Bastelsortiment bereits vorhanden. Was meint ihr, kann die Schaltung mit meiner LAN-Buchse gemäss Bild 1 funktionieren? Oder wäre es evtl. klüger, mein Projekt mit Buchse und Übertrager getrennt zu realisieren? Übertrager habe ich massenhaft, die lassen sich ja aus alten Netzwerkkarten auslöten. Was meint ihr? Ach ja: Im Datenblatt des KSZ8001 Phy steht zum Übertrager lediglich, dass er 350 uH haben muss und max. 1 dB insertion loss - und das trifft auf die Buchse, die ich hier habe, auch alles zu.
Bis auf die andere Pinbelegung kann ich ehrlich gesagt keinen Unterschied zwischen den Schaltungen sehen. Also nimm ruhig deine Buchse mit Übertrager und passe einfach nur die Pinbelegung an. Allerdings scheint mir in Bild 1 die RX seite vertauscht zu sein. Imho müssen die stromkompensierten Drosseln immer auf der LAN Seite sein und nicht auf der Phy seite, wie in Bild 2 auch richtig gezeigt. Kannst du aber messen, wie es in der Buchse nun wirklich ist.
Naja, beim Bild 1 gibts doch noch einen kleinen Unterschied... Nämlich ist auf der TX-Seite LAN-Seitig noch ein "Spannungsteiler" aus zwei Drosseln.Für was der wohl gut sein mag? :-/
Richtig, habe ich übersehen. In einem uralten TI Datenblatt zum DP83905 habe ich allerdings gesehen, das meine Vermutung bezüglich der stromkompensierten Drosseln richtig ist - immer auf der LAN Seite. Könnte sein, das die zusätzlichen Drosseln dazu da sind, etwaige Potentiale auf dem Kabel auf Masse abzuleiten...
Würdest du es mit diesem Übertrager versuchen? Wie gesagt habe ich keinen anderen da, und ich möchte nicht extra wegen dem Übertrager eine Bestellung tätigen :-/ Externe Übertrager und Buchsen habe ich allerdings. Wäre es evtl. empfehlenswerter, das so aufzubauen?
Bin gerade mit dem gleichen Thema zugange. Hast Du schon mal über die Alternative geprüft? Ich frage mich ob eine Kapazitive Kopplung nachteile hat. Die Bauteile sind einfacher zu bekommen. Hat es schonmal jemand versucht ? http://www.ti.com/lit/an/snla088/snla088.pdf Gruß Thilo
Wenn das geht - wow. Habe ich allerdings bei kommerziellen Produkten noch nie gesehen. Selbst auf meinem uCSimm haben sie Übertrager raufgequetscht. Probiers doch mal ( die Investition ist ja nicht gross ) und lass es uns wissen wie es läuft. ich würde halt bessere Cs nehmen mit 100-200 Volt oder so.
Bitte melde dich an um einen Beitrag zu schreiben. Anmeldung ist kostenlos und dauert nur eine Minute.
Bestehender Account
Schon ein Account bei Google/GoogleMail? Keine Anmeldung erforderlich!
Mit Google-Account einloggen
Mit Google-Account einloggen
Noch kein Account? Hier anmelden.

