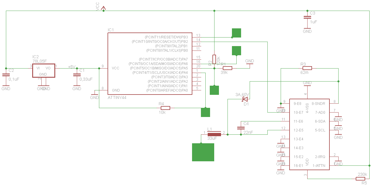
Liebe Experten, bitte verzeiht mir die schlechte Umsetzung des Schaltplans in Eagle (das ist eine ganz andere Baustelle). Mein eigentliches Problem läßt sich wie folgt beschreiben: Ich habe versucht den Schaltplan von dem Allegro LED Treiber http://www.allegromicro.com/Products/Regulators-And-Lighting/LED-Drivers-For-Lighting/~/media/Files/Datasheets/A6210-Datasheet.ashx nachzubilden. Zusätzlich habe ich einen ATtiny44 für das PWM Signal verwendet. PWM via Taster und Tiny funktioniert soweit einwandfrei. Der Treiber an sich ist auch relativ trivial, da der Schaltplan im Datenblatt zu entnehmen ist. Ich habe beide Systeme voneinander getrennt getestet, und sie funktionieren. Der LED Treiber dimmt auch, wenn ich einen externen, kommerziellen Funktionsgenerator anschließe. Mein Problem ist, wenn ich beides, ATtiny und A6210 auf eine Testplatine so zusammenlöte wie im Anhang, dann läßt sich der Tiny nicht mehr richtig durch schalten. Trotz Pull-up Widerstand macht die Schaltung was es will. Die LED dimmt wahllos und irgendwann geht sie aus. Kann es sein, dass ich durch die Spule und die hohen Ströme das System besser, bzw. richtig mit Kondensatoren entstören muss? Ist der Common-Ground ein Problem? Vielen Dank für eure Hilfe!!! Tom Hier noch mal die Randbedingungen in Stichworten: - Mit Funktionsgenerator funktioniert die Dimmfunktion des Treibers - Ohne LED Treiber funktioniert der ATtiny PWM - Spannungquelle: DC 15V/25A - LED: 3x Cree, 10V/3A - Taster: Zieht PA4 auf GND
Eine schlechte GND-Führung kann schon einiges an Mist machen. Mir ist nicht klar was die grünen Flächen sollten. Spannung und GND des Tiny direkt an die Eingangsspannungsklemmen führen. Kondensatoren direkt an den 7805, Kondensator direkt an VCC des Tiny. Eventuell vor dem Spannungsregler eine Diode und Elko setzen. GND und Spannung der einzelnen Komponenten nicht auffädeln sondern getrennt zu den Eingangsklemmen führen.
Hallo Hubert, vielen Dank für die Tipps, werde die mal ausprobieren. Den Versuch mit dem Kondensator hab ich in der Früh noch ausprobiert, aber ohne wirklichen Erfolg. Baue auch mal den Tiny auf eine separate Platine und guck mal was dann passiert. Denke wirklich dass ich da ein Erdungs- und/oder EMV Problem habe. Gruß, Tom P.S.: Die Pads sind für MISO/MOSI usw. hätt die im Schaltplan wohl weglassen können.
Bitte melde dich an um einen Beitrag zu schreiben. Anmeldung ist kostenlos und dauert nur eine Minute.
Bestehender Account
Schon ein Account bei Google/GoogleMail? Keine Anmeldung erforderlich!
Mit Google-Account einloggen
Mit Google-Account einloggen
Noch kein Account? Hier anmelden.
