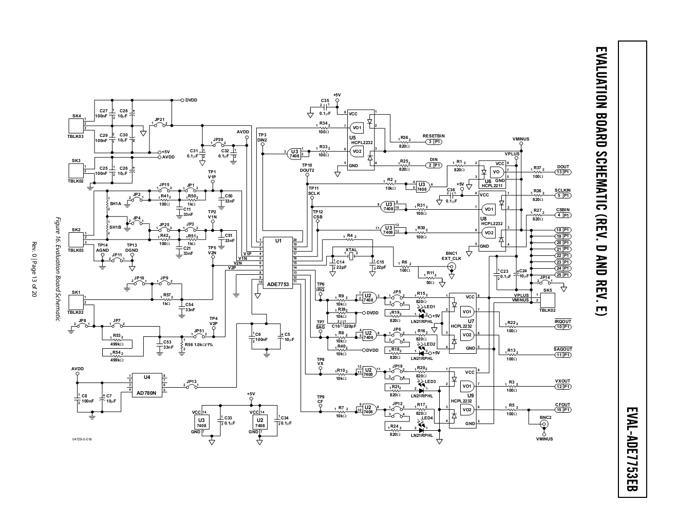
Hallo, ich arbeite momentan an einem Projekt, bei dem ich die Funktionalität eines Wattmeter ICs (ADE7753) verifizieren soll. Hierfür steht mir das Evaluierungsboard (EVAL-ADE7753EB) zur Verfügung. Insbersonders ist für uns die Abtastrate des ADC interessant. Diese ist auf 3.5, 7, 14 und 28 KSPS einstellbar. Das Board ist über den Parallelport mit dem PC verbunden. Mit den GiveIO Treibern erreiche ich über den Parallelport 3.5KSPS. Nach meiner Erfahrung ist über den LPT auch nicht mehr möglich. Mittlerweile benutze ich den Teensy2 um mit dem Chip über SPI zu kommunizieren. Mit einer SPI Frequenz von 1MHz kann ich maximal mit 10.4KSPS auslesen. Erhöhe ich diese auf 2MHz werden die Samples zwar schneller, aber fehlerhaft ausgelesen. Auf dem Oszi sieht jedoch alles korrekt aus. Mein SPI Signal wird durch die Optokoppler, die auf dem Board sitzen verzögert. Meine Fragen: Wäre es eine Option die Leiterbahnen auf dem Board zu trennen um das SPI Signal direkt an den Chip anzulegen? Hat jemand schon mal versucht den ADE7753 mit 24KSPS zu betreiben? Im Anhang befindet sich der Schaltplan des Evaluierungsboards. Grüße Sebastian
Bitte melde dich an um einen Beitrag zu schreiben. Anmeldung ist kostenlos und dauert nur eine Minute.
Bestehender Account
Schon ein Account bei Google/GoogleMail? Keine Anmeldung erforderlich!
Mit Google-Account einloggen
Mit Google-Account einloggen
Noch kein Account? Hier anmelden.
