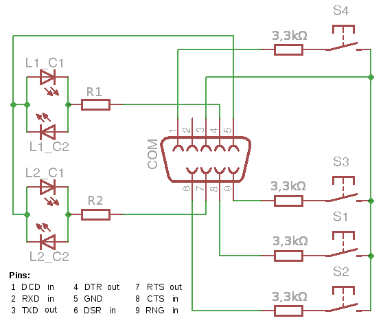
Ich möchte gern 4 Taster (simples Polling) und 2 Leds am COM-Port eines PCs betreiben. Die Programmierung mittels ioctl wird ja unter ... http://www.mikrocontroller.net/articles/Ports_benutzen_(GCC)#Die_Pinebene ... gut erklärt. Hinsichtlich des Schaltplans (Entwurf siehe Bild, Sicht auf Lötpins der D-Sub-Buchse) hab ich aber noch Unklarheiten. Ich las zwar, dass der COM-Port kurzschlussfest sein soll, denke aber, ein paar Widerstände schaden nicht: Jeder Taster bekommt einen Widerstand, um ggf. auch die Ströme zwischen den Eingängen bei mehreren gedrückten Tastern zu begrenzen. Für die 2 Leds (Duo-Leds mit 2 Pins) wird je ein Vorwiderstand (12V-Uf)/If verwendet. 2 Fragen: Kann man bei unterschiedlichen Leds (Uf und If) einfach jeweils deren 12V-Vorwiderstand verwenden, selbst wenn jene LEDs (und Widerstände) 'teilweise' in einer Reihe betrieben werden? (Knoten- u. Maschenregel) Hab ich vll. ein Problem übersehen?
Mehr als 2mA würde ich dem COM-Port nicht entnehmen. Die Ausgänge bringen meist nur 10V, nicht 12V. Uf der LEDs je nach Typ 1,6 bis 2,2V. Also R1,2 = (10V - 2,2V) / 2mA = 3,9kOhm Blackbird
@Blackbird: Vielen Dank für deine Antwort. Meinst du höhere Ströme sind schädlich? (Hatte mal was von 10mA pro Ausgang gelesen.) Mit 2 mA sind für LEDs (If = 20mA) zwar schon deutlich dunkler) aber noch ok. Über Pin 5 fließen dann aber schon ggf. 4mA. Stellt das ein Problem dar? Die Widerstände an den Tastern sollten dann wohl auch eher 5-6kOhm betragen?
Bitte melde dich an um einen Beitrag zu schreiben. Anmeldung ist kostenlos und dauert nur eine Minute.
Bestehender Account
Schon ein Account bei Google/GoogleMail? Keine Anmeldung erforderlich!
Mit Google-Account einloggen
Mit Google-Account einloggen
Noch kein Account? Hier anmelden.
