Hallo wie kann ich mit der vorh. schaltung einen 12Volt 500mA ledstreifen schalten ? den pieper will ich eigendlich auslöten und ggf. durch einen widerstand ersetzen ! der vorh. transistor und widerstand sollen nicht verändert werden ! hatte schon an ein kleines relais gedacht, aber das geht doch sicherlich noch kleiner/einfacher mit einem weiteren transistor/ mosfet ? Gruß
Was ist denn das für ein Transistortyp, der da den Summer ansteuert und welchen Widerstandswert hat der Basisvorwiderstand ?
Nein geht nicht. Wenn du das an 12V betreiben willst, sperrt der Transistor nicht. Der max. Strom des Transistor ist auch nur 500mA.
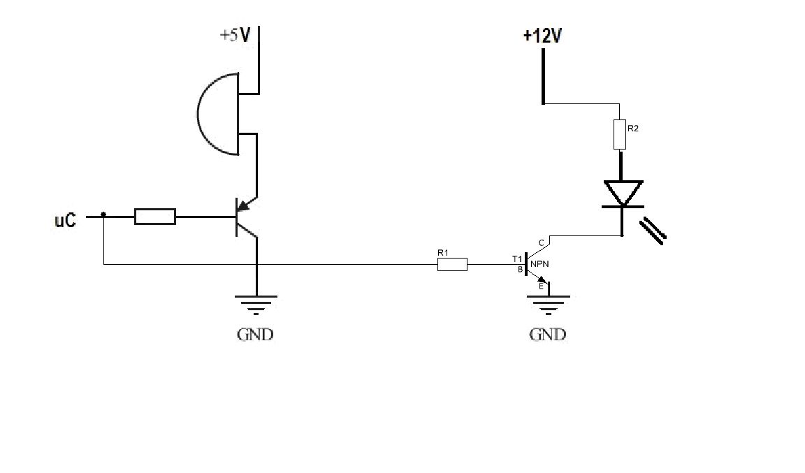
der vorhandene transistor soll ja auch so bleiben und mit 5V betrieben werden. ich möchte mit einen zus. 2. transistor die 12V schalten !
>ggf. >vorh. >zus. Zu faul 4 Tasten mehr zu betätigen... Nimm ein Relais und gut.
Hat nur den Nachteil das entweder der Summer geht oder die Leds, aber nicht beides gemeinsam.
Bitte melde dich an um einen Beitrag zu schreiben. Anmeldung ist kostenlos und dauert nur eine Minute.
Bestehender Account
Schon ein Account bei Google/GoogleMail? Keine Anmeldung erforderlich!
Mit Google-Account einloggen
Mit Google-Account einloggen
Noch kein Account? Hier anmelden.

