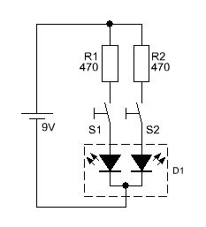
Hi, Betätigt man S1, leuchtet die Duo-LED rot auf. Beim Betätigen von S2 leuchtet der grüne Teil auf. Werden beide Taster betätigt, mischen sich beide Farben.Soweit so gut,jedoch soll ein Farbwechsel erfolgen wenn ich es mit der PWM einstelle und genau darin liegt das Problem,wie stell ich das genau an? lg.
eine pwm für grün eine für rot, der dutycycle der pwms ist propotional zur leuchtkraft, somit kannst du durch änderung des dutycycle (tastverhältnis) das mischungsverhältnis ändern. Oder wo liegt dein problem?
Jede LED bekommt eine eigene PWM-Steuerung. Du kannst die dann getrtennt ansteuern und auch die Farbe frei einstellen. Also irgendwie die Taster durch einen Transistor ersetzen und diesen dann mit je einem PWM-Kanal ansteuern. Probiere es mal mit einem Schalttransistor gegen Masse und einer Einzel-LED. Wenn das läuft geht's weiter. Da sind noch genug Fallstricke ... ;)
Bitte melde dich an um einen Beitrag zu schreiben. Anmeldung ist kostenlos und dauert nur eine Minute.
Bestehender Account
Schon ein Account bei Google/GoogleMail? Keine Anmeldung erforderlich!
Mit Google-Account einloggen
Mit Google-Account einloggen
Noch kein Account? Hier anmelden.
