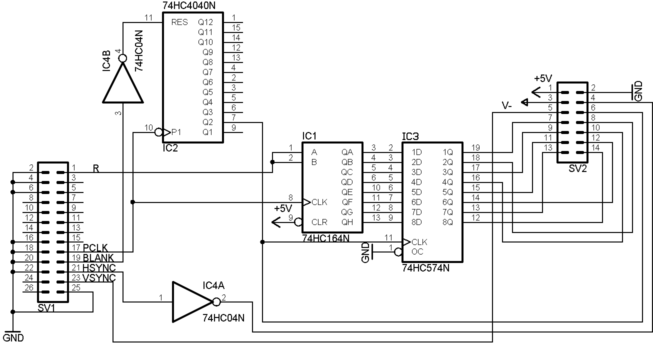
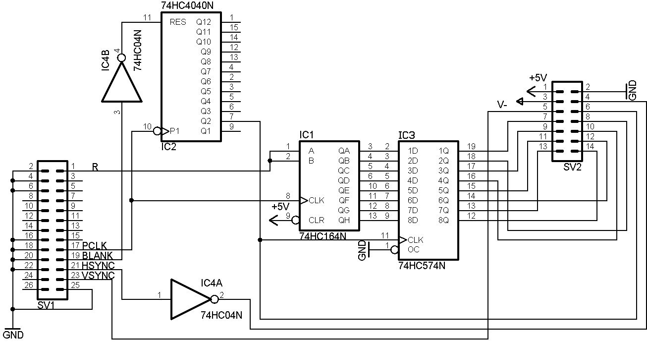
Um ein LCD am VESA Anschluss einer Grafikkarte zu betreiben, müssen die Pixeldaten zu 4bit Pakten zusammengefasst werden und dann erst zum LCD übertragen werden. Mit einzelnen Bauteilen läuft das ganze wie erwartet einwandfrei. Da aber noch weitere Funktionen benötigt werden (Umschalten der Displayleitungen auf die zweiten 4bit für die untere Displayhälfte usw.) wollte ich das ganze jetzt mit einem CPLD machen. Die Signale sehen auf dem Oszilloskop zwar genauso aus, aber es funktioniert nicht. Das LCD bleibt dunkel. Verwendet habe ich einen XC9536 oder 9572. Die Ausgangsspannung liegt bei gerademal 3,5-4V und nicht bei 5V wie bei der diskreten Schaltung. Ob das der Grund ist ?
> Die Ausgangsspannung liegt bei gerademal 3,5-4V und nicht bei 5V > wie bei der diskreten Schaltung. Ob das der Grund ist ? Du kannst ja mal 5.5V an VCCIO des CPLD legen, dann bekommst du eine Ausgangsspannung von 4.5-5V. So kannst du sehen, ob es daran liegt. Das ist leider ein großer Nachteil dieser CPLDs, Xilinx selbst hat diesen Workaround veröffentlicht: http://www.xilinx.com/xlnx/xil_ans_display.jsp?iLanguageID=1&getPagePath=2150&BV_SessionID=@@@@0454710662.1105719800@@@@&BV_EngineID=ccchadddhmijmgkcflgcefldfhndfnf.0 Gruß Thorsten
Bitte melde dich an um einen Beitrag zu schreiben. Anmeldung ist kostenlos und dauert nur eine Minute.
Bestehender Account
Schon ein Account bei Google/GoogleMail? Keine Anmeldung erforderlich!
Mit Google-Account einloggen
Mit Google-Account einloggen
Noch kein Account? Hier anmelden.
