Hallo Zusammen! Wollte meinen Eeprom beschreiben. Klappt aber nicht. Welche Pinbelegung muß ich da einstellen? Hier der Code: $regfile = "8515def.dat" ' specify the used micro $crystal = 4000000 ' used crystal frequency $baud = 19200 ' use baud rate $hwstack = 32 ' default use 32 for the hardware stack $swstack = 10 ' default use 10 for the SW stack $framesize = 40 ' default use 40 for the frame space Config Scl = Portb.1 Config Sda = Portb.2 Declare Sub Write_eeprom(byval Adres As Byte , Byval Value As Byte) Declare Sub Read_eeprom(byval Adres As Byte , Value As Byte) Const Addressw = 174 'slave write address Const Addressr = 175 'slave read address Dim B1 As Byte , Adres As Byte , Value As Byte 'dim byte Call Write_eeprom(1 , 3) 'write value of three to address 1 of EEPROM Call Read_eeprom(1 , Value) 'read it back Call Read_eeprom(5 , Value) 'again for address 5 '-------- now write to a PCF8474 I/O expander ------- I2csend &H40 , 255 'all outputs high I2creceive &H40 , B1 'retrieve input 'print it End Rem Note That The Slaveaddress Is Adjusted Automaticly With I2csend & I2creceive Rem This Means You Can Specify The Baseaddress Of The Chip. 'sample of writing a byte to EEPROM AT2404 Sub Write_eeprom(byval Adres As Byte , Byval Value As Byte) I2cstart 'start condition I2cwbyte Addressw 'slave address I2cwbyte Adres 'asdress of EEPROM I2cwbyte Value 'value to write I2cstop 'stop condition Waitms 10 'wait for 10 milliseconds End Sub 'sample of reading a byte from EEPROM AT2404 Sub Read_eeprom(byval Adres As Byte , Value As Byte) I2cstart 'generate start I2cwbyte Addressw 'slave adsress I2cwbyte Adres 'address of EEPROM I2cstart 'repeated start I2cwbyte Addressr 'slave address (read) I2crbyte Value , Nack 'read byte I2cstop 'generate stop End Sub Ich möchte lediglich meinen Eeprom lesen und schreiben können. Danke an die Profis von euch!
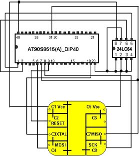
Hallo, wenn Du den 24LC64 an den 8515 wie in der Skizze angeschlossen hast, dann: Config Scl = Portb.1 Config Sda = Portb.0 Viel Erfolg!
Bitte melde dich an um einen Beitrag zu schreiben. Anmeldung ist kostenlos und dauert nur eine Minute.
Bestehender Account
Schon ein Account bei Google/GoogleMail? Keine Anmeldung erforderlich!
Mit Google-Account einloggen
Mit Google-Account einloggen
Noch kein Account? Hier anmelden.
