Guten Abend! Ich bin neu hier im Forum und auf der Suche nach einer Alternative zu der Blink-LED TLBR 5410. Irgendwie scheint es die ja nicht mehr auf dem Markt zu geben. Datenblatt ist hier.. https://docs.google.com/viewer?a=v&q=cache:NPGmBPMn-pgJ:www.datasheetcatalog.org/datasheet/vishay/83000.pdf+&hl=de&gl=de&pid=bl&srcid=ADGEEShH29gBsvtIpajiof2xcE4AGiA4xS2PSTKBXooxx12h9tjUFk9VAvkcFWmCUPeCHm2CadiB35dodqJAimCsyMWkPeNtPwtqKX0llifRP6sHpYpMk_G5PtRtT90uKWKbPFkEPaY1&sig=AHIEtbQZ-54smoUz2s0RTxxarWge-z6wUQ Ich hoffe es findet sich jemand. Danke schon mal im voraus.
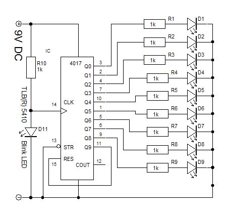
Schon, aber ich weiß nicht so genau, welche ich da nehmen soll. Die Auswahl ist halt ziemlich groß und da ich Blink-LEDs noch nie für so etwas benutzt habe bin ich da unsicher. Schaltplan ist im Anhang.
Deswegen guckt man in Datenblätter, und vergleicht die, um herauszufinden, ob die relevanten Daten ähnlich sind, bzw. bei Abweichung trotzdem einsetzbar sind. Wie kommst Du überhaupt auf die Idee, daß es sowas wie die TLBR 5410 sein soll? Die funktioniert in Deiner Schaltung ja wohl auch nicht innerhalb ihrer Spezifikation, denn die will mehr oder weniger max. 7V haben, was in Deiner Schaltung nicht sichergestellt ist (in der Ausphase könnte die mehr als die 7V sehen).
Jetzt sehe ich erst, daß die LED als Taktgeber herhalten muß. Die "LED BL 5MM RT" von Reichelt könnte besser passen als die Originale, denn die hält auf alle Fälle auch die 9V aus.
Bitte melde dich an um einen Beitrag zu schreiben. Anmeldung ist kostenlos und dauert nur eine Minute.
Bestehender Account
Schon ein Account bei Google/GoogleMail? Keine Anmeldung erforderlich!
Mit Google-Account einloggen
Mit Google-Account einloggen
Noch kein Account? Hier anmelden.
