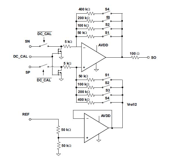
Hallo, ich habe das angehängte, vereinfachte Diagramm eines Shunt-Stromsensors, welcher in einem IC integriert ist. Ein Großteil des Aufbaus ist mir klar: bei SN bzw. SP ist die negative bzw. die positive Seite des Shunts angeschlossen. Über das Signal DC_CAL kann der Stromsensor für eine DC-Offset-Calibrierung von der Last getrennt werden. Bei dem oberem OpAmp handelt es sich um einen invertierenden Verstärker, bei dem man über S1, S2, S3 und S4, die Möglichkeit, den Verstärkungsfaktor (10, 20, 40, 80) auszuwählen. Bei dem unterem OpAmp handelt es sich um einen Impedanzwandler/Spannungsfolger, welcher die Refferenzspannungsquelle entlastet, und einen Offset bei der Hälfte der Refferenzspannung einstellt. Mein Problelm: Für was sind die Widerstände zwicshen den beiden OpAmps, also die die an V_ref/2 hängen? Wieso ist es nötig, hier nochmal den selben Widerstand wie bei dem Verstärker vorzuschalten?
Nachtrag: Gerade ist mir aufgefallen, dass wohl die Widerstände zwischen den beiden OpAmps zu dem oberem OpAmp gehören und zusammen einen Differenzverstärker ergeben. Nun ist mir nur nicht mehr ganz klar, wie es funktioniert, dass am Ausgang die entsprechende Spannung anliegt. Bei einer Refferenzspannung von 3,6V sollte ja am Ausgang ein Offset von 1,8V anliegen. Dieser Wert erhöht sich bei positiver Spannung entsprechend dem Verstärkerverhältnis und bei negativer veringert er sich entsprechend. Aber wie kommt das zustande, dass der Wert zu den 1,8V addiert bzw. subtrahiert wird?
wie du schon richitg erkan hast, handel es sich hierbie um einen Differenzverstärker. Schau dir mal die zeichnugn hier an: http://www.elektronik-kompendium.de/sites/slt/0210153.htm Dort wo R4 in der Zeichnung R4 gegen Ground geschaltet ist, liegt bei dir Vref/2 an, d.h. dein Ua ist gegen deinen Ground gemessen um Vref/2 größer, da der Ground in der Zeichnung dem Vref/2-potential in deiner Schaltung entspricht
Bitte melde dich an um einen Beitrag zu schreiben. Anmeldung ist kostenlos und dauert nur eine Minute.
Bestehender Account
Schon ein Account bei Google/GoogleMail? Keine Anmeldung erforderlich!
Mit Google-Account einloggen
Mit Google-Account einloggen
Noch kein Account? Hier anmelden.
