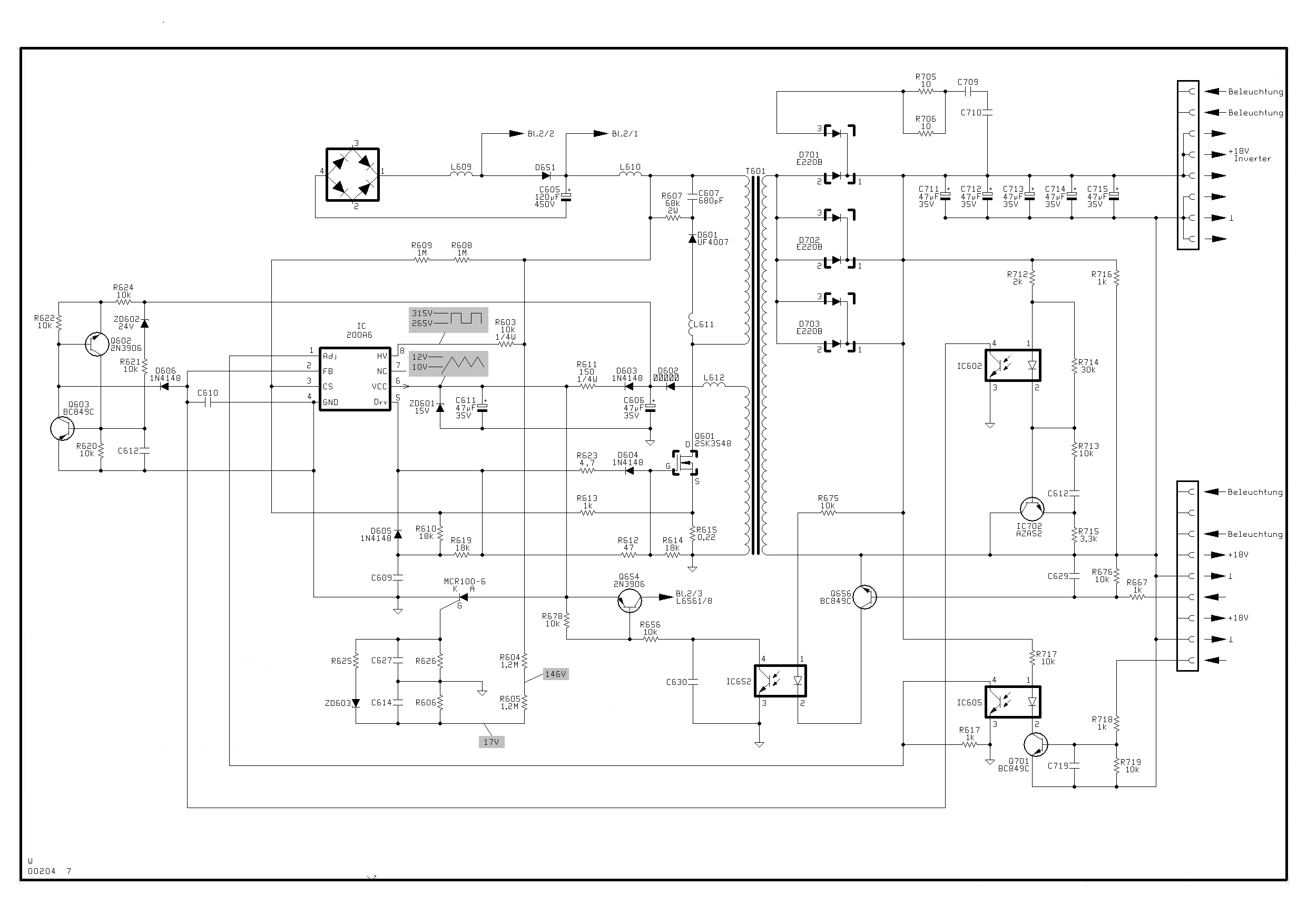
Hallo, Primärseite war wegen fauligem Siebelko völlig platt, alles bereits behoben. Sekundär habe ich die Schaltung so gut es ging nachvollzogen, aber was ist der Chip 200A6, da komme ich nicht weiter, links im Bild. Das ist der Aufdruck auf den Teil, nichts weiter.
Bitte melde dich an um einen Beitrag zu schreiben. Anmeldung ist kostenlos und dauert nur eine Minute.
Bestehender Account
Schon ein Account bei Google/GoogleMail? Keine Anmeldung erforderlich!
Mit Google-Account einloggen
Mit Google-Account einloggen
Noch kein Account? Hier anmelden.
