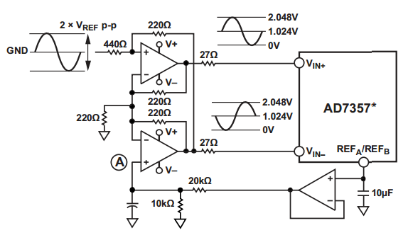
Hallo Zusammen, für einen Analog-Digital Wandler muss ich aus einem "einfachen" Signal ein differentielles machen. Dazu habe ich bereits eine passende Schaltung aus einem Datenblatt gefunden und mit LTSpice simuliert. Allerdings kann ich die Schaltung nicht so recht nachvollziehen, ich habe diese mal angehängt. Wenn ich das richtig verstehe ist das Potential beider, negativer Eingänge der OPs das gleiche wie am Bezugspunkt A. Soweit, so gut. Jedoch komme ich mit meinen Kenntnissen über den Grundschaltungen (invert., sowie nicht-inv. Verstärker) irgendwie nicht weiter. Ich habe schon versucht Maschenumläufe zu erstellen, aber die haben mich alle nicht zum Ziel geführt (Vin+ sowie Vin- zu bestimmen). Habt ihr eventuell einen Ratschlag, wie man hier vorwärts kommt? Viele Grüße, Jens
>Habt ihr eventuell einen Ratschlag, wie man hier vorwärts kommt?
Einfach bedenken, daß an allen vier Eingängen der beiden linken OPamps
das Potential A herrschen muß.
Hey, vielen Dank, das war ein super Tip. Anschließend mussten noch ein paar Ströme und Spannungen aufgestellt werden, so dass sich die gewünschten Ausgangsspannungen ergeben. Gruß, Jens
Bitte melde dich an um einen Beitrag zu schreiben. Anmeldung ist kostenlos und dauert nur eine Minute.
Bestehender Account
Schon ein Account bei Google/GoogleMail? Keine Anmeldung erforderlich!
Mit Google-Account einloggen
Mit Google-Account einloggen
Noch kein Account? Hier anmelden.
