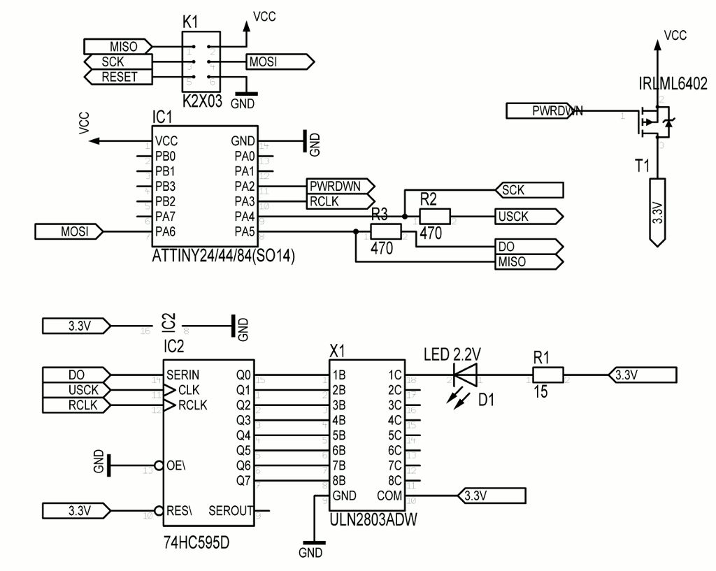
Hallo, ich bastel gerade an einer kleinen LED-Ansteuerung (WOW! IRRE!) die ich über einen Attiny84 realisieren möchte. Dieser soll per SPI (über USI) ein 74HC595 Schieberegister als Slave ansteuern um acht LEDs an bzw. abzuschalten. Pro LED sollen etwa 15mA fließen, da dies in Summe für das Schieberegister zu viel ist wollte ich hinter den 74HC595 noch einen ULN2803 schalten. Einen groben Schaltplan habe ich angehängt, die vollständige Beschaltung des µC sowie einiges an Peripherie (Abblockkondensatoren, Spannungsregler usw.) fehlen noch. Nun teilen sich ja USI und ISP die gleichen Pins, wenn ich die Appnote 42 von AVR aber richtig verstanden habe, dann genügt es hier serielle Widerstände in die SPI-Leitungen zu legen, zu den Werten habe ich keine offiziellen Angaben gefunden, im Forum und vielen anderen Schaltplänen tauchen aber oft 200 bis 470 Ohm auf, ist das soweit ok, oder sollte ich hier andere Widerstände (Wert?) nehmen? Die ganze Schaltung soll am Ende mit Batterie bzw. Akku bei 3.3V betrieben werden, die LEDs sollen nur zu bestimmten Zeiten leuchten. Aus dem Grund möchte ich gerne den 74HC595 und den ULN2803 sowie die LEDs in den Zeiten, in denen nicht geleuchtet werden soll von der Stromversorgung trennen (Schaltfrequenz im Bereich einiger Sekunden bis Minuten). Dies wollte ich umsetzen, indem ich über den µC mittels eines P-MOS die entsprechenden Bausteine von VCC trenne. Ist das soweit korrekt gemacht, oder habe ich Fehler im Schaltplan? Sollte ich noch einen Gatewiderstand vorsehen (Größe?) oder geht das so? Wie verhält es sich, wenn ich das Schieberegister von der Spannung trenne, dann aber (durch Bugs, Unachtsamkeit o.ä.) dennoch Daten vom µC übertrage? Muss ich in dem Fall mit einer Zerstörung des Bausteins rechnen oder passiert einfach gar nichts? Muss ich noch etwas berücksichtigen, wenn der µC im RESET hängt oder ist soweit alles in Ordnung? Viele Grüße, Nick
Bitte melde dich an um einen Beitrag zu schreiben. Anmeldung ist kostenlos und dauert nur eine Minute.
Bestehender Account
Schon ein Account bei Google/GoogleMail? Keine Anmeldung erforderlich!
Mit Google-Account einloggen
Mit Google-Account einloggen
Noch kein Account? Hier anmelden.
