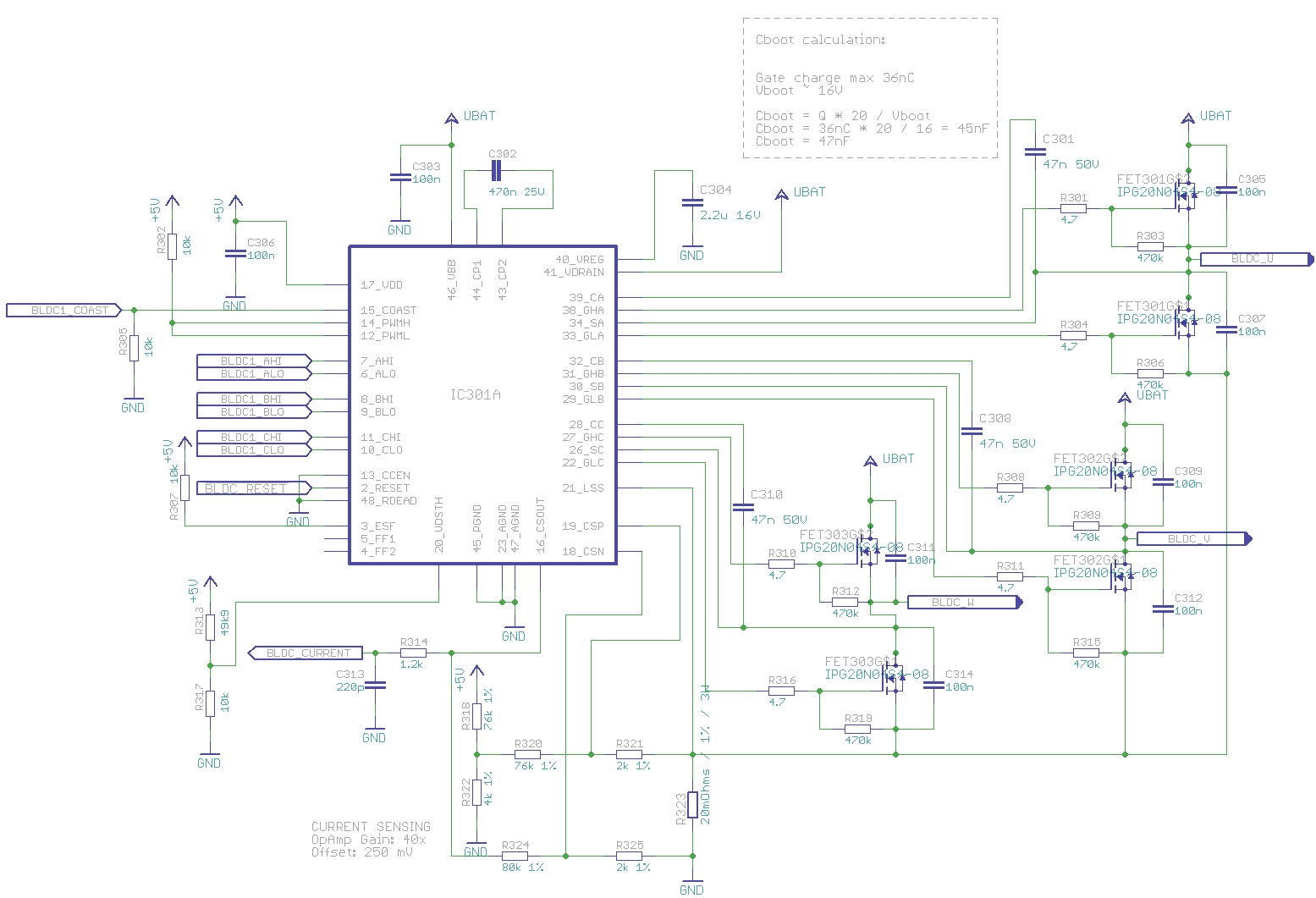
Hallo zusammen, ich habe ein kleines Problem mit einer BLDC-Ansteuerung mit dem Allegro A4935. Eine Zeit lang haben die Schaltungen, ich habe drei Stück im Einsatz, wunderbar funktioniert. Aber dann ist bei einer, allerdings steuert diese den größten Motor an, ein Fehler aufgetreten. Teilweise waren die MOSFETs defekt (es sind Infineon IPG20N04S4-08 Dualfets) und auf Verdacht wurde auch der Treiber getauscht. Jetzt ist nur mehr das Problem, dass ich die Ursache herausfinden muss bzw. einen weiteren Defekt verhindern will. Ich habe diese Schaltung, nur mit stärkeren FETs (Vishay SQM120N04) und größerem Motor, schon seit längerem im Einsatz. Schaltungstechnisch sind nur die Werte des Cboot unterschiedlich und bei der aktuellen Schaltung habe ich weniger Stabi-ELKOs bei der Versorgung (Ubat ist nominell 24V, also so rund bis 29V). Habt ihr vielleicht Ideen, worin die Probleme bestehen könnten? Ich vermute in Hinblick der ersten Schaltung mit anderen FETs, die problemlos funktioniert, dass es etwas mit den kleineren FETs bzw. der Dimensionierung zu tun hat?
Meist gehen Mosfets an induktiven Überspannungen kaputt (kurze verdrillte Zuleitungen?) - besonders wenn sie im Betrieb nicht sehr warm werden. Abhilfe mit 3xRC-Snubber an Motorwicklung. 2. Möglichkeit: In der Brückenschaltung sperrt ein Mosfetr später als der andere schon leitend wird und es fließen kurzzeitig höhere Ströme. Das verschlimmert sich bei Erwärmung noch... Schnelle - oder die empfohlenen Mos-Typen verwenden. 3. Solche Schaltungen ziehen hohe Stromspitzen. Normale Elko's sind dafür ungeeignet. Besser zusätzlich Keramik-Cs (4,7µF/35V) parallel schalten. Zur Not gehen auch Tantalkondensatoren (gibt es mit niedrigem ESR). Kurze Draht-/Leitungslängen an den Cs. Hast du ein Oszi zum den Spnnungsverlauf an der Brücke zu messen?
PS: müssten nicht Widerstände in Serie zu den 100nF-Snubbern rein (ca. 1-10R)? sonst ist der Schwingkreis mit der Motorinduktivität nicht gedämpft. Außerden müssen die Mosfets beim Umschalten die beiden Cs umladen und es fließt ein hoher Spitzenstrom.
Danke für deine Antwort, welche Maßnahmen sollte/könnte man als Patch bzw. Zwischenlösung dazu "basteln", damit die Schaltung robuster wird? Weiters war auch manchmal der Treiber defekt, aber ich denke, dass das dann eher eine Rückwirkung der toten FETs war, oder? LG Philipp
Bitte melde dich an um einen Beitrag zu schreiben. Anmeldung ist kostenlos und dauert nur eine Minute.
Bestehender Account
Schon ein Account bei Google/GoogleMail? Keine Anmeldung erforderlich!
Mit Google-Account einloggen
Mit Google-Account einloggen
Noch kein Account? Hier anmelden.
