Guten Abend, bevor ich meine Frage stelle, möchte ich mich im Voraus schon bei jedem bedanken, der sich die Zeit nimmt meinen Beitrag zu lesen und gegebenenfalls zu antworten. Mein größtes Problem vorab ist mein geringer Kenntnisstand im Schwachstrombereich. Deshalb konzentriere ich mich sowieso auf einfachere Projekte mit Halbleitern. In meinem aktuellen Projekt möchte ich zwischen 12 und 20 Leds mit jeweils 200mA verbauen. Sie sollen als Hintergrundbeleuchtung fungieren. Ein Steckernetzteil sorgt für 12+ Volt Gleichstrom. Meine Fragen beziehen sich auf die Funktionsweise von Festspannungsreglern und die Kühlung von LED´s. Ich möchte einen Festspannungsregler (2A; 12V Out) verbauen, damit eventuelle spannungsspitzen den verhältnismäßig teuren LEDs nichts anhaben können. Leider kenne ich mich mit Festspannungsreglern kaum aus, deshalb habe ich Vieles gelesen, was mir google ausgespuckt hat. Demnach benötigt man für einen feste Ausgangsspannung zusätzlich zum Festspannungsregler zwei Kondensatoren. Im Datenblatt des Reglers steht, dass man für die Schaltung von einem "Fixed output regulator"(wohl genau das, was ich brauche) 2 Kondensatoren benötigt. Einen Vorgeschalteten mit 0,33µF und einen Nachgeschalteten mit 0,1µF. Den Regler habe ich bei conrad gekauft. Art.Nr.: 179353 Link: http://www.conrad.de/ce/de/product/179353/Festspannungsregler-2-A-positiv-ST-Microelectronics-78-S-12-CV-Gehaeuseart-TO-220-Ausgangsspannung12-V-Iout-2-A/0204453 Dort kann man sich das Datenblatt runterladen und auf Seite 23 die "Fixed output regulator" Schaltung finden. Meine Frage ist nun, ob die vom Hersteller genannten Kapazitäten der Kondensatoren unabhängig von den Verbrauchern sind, welche sich hinter dem Regler und den Kondensatoren befinden, sprich den LED´s, oder ob man die Kapazitäten von Fall zu Fall berechnen muss. Außerdem wollte ich fragen welche Toleranz man wählen soll und auf was man noch bei Kondensatoren achten soll (evtl Belastbarkeit !? etc.). Bei conrad habe ich jetzt nur einen Kondensator mit den passenden Werten für 16V gefunden. Zusätzlich ist es ein Keramik Kondensator, eig sollten Elektrolytkondensatoren verwendet werden oder? Wenn jemand passende Kondensatoren mit 12V findet, wäre das super! Wenn meine Annahmen stimmen, sollte mein Schaltplan aussehen wie auf dem Bild im Anhang. Nach Wikipedia benötige ich einen linearen Längsregler, da die "Regelstrecke" in Reihe mit dem Verbraucher liegt. Bei Querreglern, heißt es im Artikel weiter oben, benötige man ein "vorgeschaltetes Bauteil zur Strombegrenzung (im einfachsten Fall ein Widerstand)". Brauche ich ein solches Bauteil zur Strombegrenzung (Widerstand) auch beim linearen Längsregler, und wenn ja, erfüllt der vorgeschaltete Kondensator gerade diesen Zweck? Auf manchen Websites wird empfohlen dem Elko noch einen keramischen Kondensator hinzuzufügen. Brauche ich zusätzlich einen keramischen Kondensator und wenn ja, welche Werte sollte er haben, wie kann man dies berechnen? Das zweite Problem in meinem Projekt bezieht sich auf die Kühlung. Die LED´s sollen als Hintergrundbeleuchtung eingesetzt werden. Es ist allerdings nicht allzu viel Platz für ein hohes Aluprofil vorhanden. Würde auch ein flaches Aluprofil ausreichen ca. 4-5mm Höhe mit 4cm Breite und 20cm Länge mit je ca. 5-6 LED´s, wenn man von einer Umgebungstemperatur von bis zu 25 grad ausgeht? Gibt es dafür Gleichungen für genaue Berechnungen? Welchen Wärmewiderstand müsste der Kühlkörper besitzen? Vieeeelen Vieeelen Dank an Alle die es so weit geschafft haben und besonders an Alle die antworten!!! Micha
Du solltest eher die hier Beitrag "Re: LM317 - Laie braucht Expertenrat" beschriebene Schaltung aufbauen. Also für jede 3er Kette deiner LEDs eine eigene Stromquelle. 0,8 Watt LEDs sollten ca. 250 mA vertragen, das sollte im Datenblatt stehen. So muss also der R1 des LM317 dann 1,25V/250mA = 5 Ohm betragen (zwei 10 Ohm parallel bietet sich an). Gruss
> Ein Steckernetzteil sorgt für 12+ Volt Gleichstrom. Dann brauchst du keinen weiteren Spannungsregler. Ein 7812 kann nicht aus 12V wieder 12V machen, er braucht mindenstens 14.5V am Eingang. Lass den Reger einfach weg. Falls du Angst vor Überspannung(sspitzen) hast, kannst du eine Überspannungsbegrenzung einbauen, eine Transil Z-Diode 1.5KE13A begrenzt ab 12.4V sicher unter 13.7V. Kommt einfach parallel zum Netzteilausgang. Deine Schaltung der LEDs, je 3 und dann ein Vorwiderstand, ist theoretisch in Ordnung, ich befürchte allerdings, daß deine LED ca. 3.2V bis 3.6V Flussspannung haben werden, also 9.6 bis 10.8V zusammen, und wenn du den Vorwiderstand für 9.6V berechnest auf 12 Ohm, dann fliessen bei 10.8V LED Spannungsbedarf nur noch 100mA durch deine LEDs. Es könnte sinnvoll sein, nur 2 in Reihe zu schalten (und einen 28 Ohm/2W Vorwiderstand zu benutzen). > Wenn jemand passende Kondensatoren mit 12V findet Wenn du das so aufbauen willst, sollte man mehr nehmen, so 25V bis 35V wären ok, schon alleine weil du ein 15V Steckernegtzteil bräuchtest, und ob Keramik oder Elektrolyt ist in diesem Fall nicht so wichtig, sogar Folien- oder Tantalkondensatoren würden gehen.
Hallo, Vielen Dank für die sehr hilfreichen Antworten!! Ich hab dazu allerdings noch einige Verständnisfragen. Der erste Teil des Textes behandelt Fragen über die Schaltung mit dem LM 317 wie in dem Beitrag von Erich beschrieben. Der zweite Teil des Textes behandelt Fragen über die Schaltung mit einer Z-Diode wie in dem Beitrag von MaWin beschrieben. Teil1 Schaltung_mit_LM317: Ich möchte auf jeden Fall das Steckernetzteil mit den 12V+ Gleichstrom verwenden. In die Schaltung mit dem LM317 würde ich dann jeweils 2 LED´s in Reihe verwenden. Ich hab dennoch ein paar Fragen zu der Schaltung. In dem verlinktem Beitrag schreibst du, dass wenn man jeweils 2 LED´s in Reihe verwendet, man die Schaltung mit dem LM317 zweimal braucht. Heißt das also ich muss 2 LM317 verbauen und kann nicht mehrere parallele LED- Reihen mit jeweils 2 LED´s an einem LM317 verwenden? Außerdem erwähnst du, dass man einen Kondensator benötigt. An welche genaue Stelle in der Schaltung muss der hinkommen? Könntest du in den Schaltplan, den ich in diesem Beitrag als Anhang speichere (Schaltplan_mit_LM317), den Kondensator an der richtigen Stelle einzeichnen und posten? Eventuell auch noch eine Best.-Nr. und Shop angeben wo der zu kaufen ist? Vieeelen Dank ACHTUNG: In dem Schaltplan bin ich jetzt erstmal davon ausgegangen ich, dass ich an einem LM317 mehrere parallele LED- Reihen mit jeweils 2 LED´s verwenden kann. Wenn dem nicht so ist, bitte korrigieren oder in einen Beitrag schreiben. (Ist ja auch eine Frage von mir im Text oben.) Ich habe in dem Schaltplan (Schaltplan_mit_LM317) noch die Vorwiderstände vor den LED-Reihen gelassen. In diesem Link:http://thomaspfeifer.net/led_weihnachtsbaum.htm auf den du in dem deinem verlinkten Beitrag verlinkst =), ist in Bild 2 nur der R1 des LM eingezeichnet jedoch keine Vorwiderstände für die LED-Reihen. Benötigt man also keine mehr sondern reicht der R1 des LM317 aus? Ich hab zu deinem Beitrag in diesem Thread auch noch 2 Fragen. Du hast ja geschrieben, dass jede Kette der LED´s eine eigene Stromquelle hat. Ich weiß nicht genau was damit gemeint ist, könntest du mir das ganz kurz erläutern? Zweite Frage bezieht sich auf den Widerstand R1 des LM317. Bei deiner Rechnung für die ursprüngliche Schaltung wählst du U= 1,25V und kommst auf 5 ohm. Ich versuche die Werte mal nach der aktuelle Schaltung zu berechnen, also prinzipiell nach dem Schaltplan: Schaltplan_mit_LM317 im Anhang, allerdings mit 2 parallelen LED- Reihen mit jeweils 2 LED´s in Reihe (ich gehe hier wieder davon aus, dass ich an einem LM317 mehrere parallele LED- Reihen mit jeweils 2 LED´s verwenden kann. -> wenn dem nicht so ist bitte schreiben) LED- Werte: I= 200mA U=3,4V LM317 U=1,3V U_eing= 12V R= U/I R1= (12V - 3,4V *2 + 1,3V) / 0,2A * 2 R1= 3,9V / 0,4A R1= 9,75 ohm Wenn ich einen Fehler gemacht habe, bitte schreiben. Vielen Dank Teil2 Schaltung_mit_Z-Diode: Ja im Prinzip gehts mir nur darum Überspannung(sspitzen) zu verhindern und dass die LED´s gleichmäßig leuchten. Die Z-Diode hört sich gut und praktisch an. Meintest du, dass die Z-Diode parralel zu den LED´s kommt, so wie auf dem einem Bild in diesem Beitrag? (Bild: Schaltplan_mit_Z-Diode) Kann ich die Z-Diode dann einfach so in die Schaltung einbauen, bzw. wie erkennt man ob sie die passenden Werte für eine Schaltung hat und ob sie evenutell einen Vorwiderstand benötigt etc.? Und hast du vlt ein Link zu conrad etc wo man die kaufen kann? (Hab nur auf farnell welche gefunden) Noch kurz zu der Schaltung der LED´s. Wenn ich dich richtig verstanden habe, würdest du lieber nur 2 LED´s in Reihe schalten. Dann würden die LED´s auch noch genug Leistung haben und hell leuchten, falls sie mal mehr Spannung ziehen als im Datenblatt angegeben ist, weil in der Schaltung noch genug "Spannungsreserve" und nach I= U/R auch mehr "Stromreserve" vorhanden ist. Richtig? Noch eine Frage am Ende, welche dieser beiden Schaltungen ist denn für die Anforderungen von meinem Projekt besser geeignet? Vielen Dank Micha
Meine Antwort nur zu Teil1 Schaltung_mit_LM317: Link:http://thomaspfeifer.net/led_weihnachtsbaum.htm Das ist die Schaltung "Stromquelle". Der Strom wird über einen einzigen Widerstand R1 eingestellt, nach der Formel I = 1,25V / R1 was umgestellt werden kann nach R1 = 1,25V / I Die 1,25 Volt sind im LM317 "eingebaut". Klar daß nur "gleiche" LEDs dranhängen dürfen, denn durch alle fliesst der identische Strom. Weitere "Vorwiderstände" werden NICHT gebraucht. Deine o.g. Berechnungen sind leider falsch! Die am Pin Vi dem LM317 zugeführte Spannung muss ca. 3-4 Volt höher sein als die Summe der typischen Flussspannungen der LEDs die hintendran in Serie hängen (da sind die 1,25 schon enthalten --- aber diese allein fallen ja am R1 ab, der Rest zu ca. 4 Volt im LM317 selbst). Typische Flussspannungen von weißen LEDs liegen im Bereich 3,3 Volt ... 3,6 Volt. Daher ist für (je) 2 LEDs in Serie 2 x 3,6 Volt + 4 Volt = 11,2 Volt erforderlich (worst case) . Der LM317 muss ein "TO-220" Teil sein und ein (kleines) Kühlblech (Alu) muss ran, ca. 10-20 qcm. Wenn die 4 LEDs betreiben willst, brauchst die 2x diese Schaltung mit je einem LM317 und einem "R" dran. Pro LM317 darf in dieser Schaltung nur eine LED Reihe betrieben werden. Deine Annahme lag hier falsch. Der grosse Kondensator ist vor dem LM317 nötig, also an dessen Vi Pin (bzw. identisch mit dem Steckernetzteil-Ausgang, falls das --wie üblich-- zwar eine Gleichspannung liefert aber eben keine Elko drinhat; eben ein ungeregeltes NT). (Mind.) eine 25 Volt Type bei einem 12V NT verwenden. Wert ca. 1000 uF pro 3 Watt Gesamtleistung der LEDs. Einfach mal aufbauen und freuen! Gruss
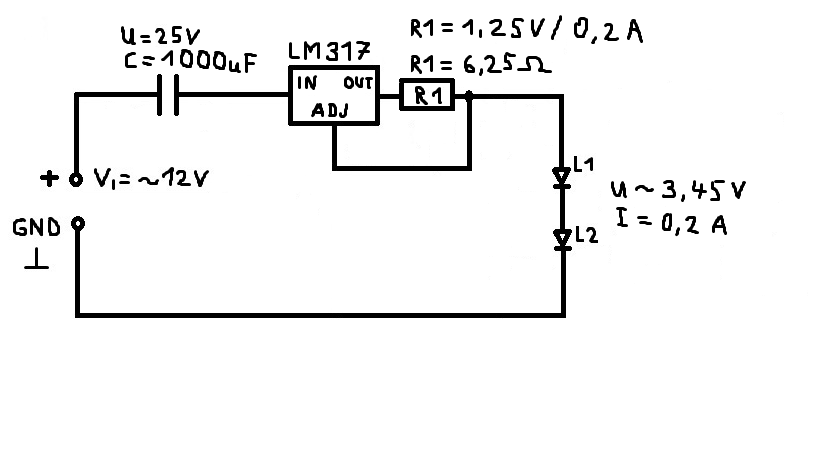
Super, Vielen Dank Erich! Jetzt sind für mich alle verständnisprobleme mit der LM317 Schaltung geklärt. Ich habe von der Schaltung, wie du sie beschrieben hast, zur Sicherheit noch einmal einen Schaltplan gemacht. Könntest du bitte kontrollieren ob er nun richtig ist? Den R1 habe ich mit U= 1,25V berechnet: R1 = U / I R1 = 1,25 / 0,2 A R1 = 6,25 ohm Eine letzte Frage habe ich noch. Falls die LED´s mit 200mA nicht hell genug leuchten sollten, ist es möglich auch LED´s mit 350mA zu verwenden und nur die Werte für R1 und den Kondensator anzupassen, oder gibt es eine Begrenzung wie viel Leistung durch den LM317 laufen kann? Vielen Dank Gruß Micha
@M. V. (cocot) Deine Schaltung ist "fast" richtig. Falsch ist der Anschluß der Kondensators! Der muss direkt zwischen plus und minus der Versorgungsspannung, wobei auf richtige Polarität zu achten ist. Und diese Versorgungsspannung muss eine Gleichspannung sein. Der Pluspol der Versorgungsspannung (und des Elkos) geht direkt zu Vi des LM317. Geeignet wären z.B. Steckernetzteile 12 Volt Ausgang, mind. 500 mA . Damit kannste dann deine 4 Leds betreiben. Z.B. Pollin, Best-Nr. 351173 , 351174 oder auch 351115 um mal preiswerte zu benennen, falls du nicht was ähnliches bereits hast. Stärkeres 351134 geht auch, aber für deine 2x Schaltung je 200 mA nicht nötig. Das wäre aber anzuraten für 2x 350 mA. Zufällig sind das alles geregelte NT, da wäre evtl. der separate Kondensator entweder gar nicht nötig oder auch kleiner auswählbar; grosser schadet aber nicht. Bei "ungeregelten NT" ist der Kondensator zwingend. Ichb rate zum Pollin 210000 weil der unschlagbar günstig ist, allerdings etwas "sperrig". Der LM317 im TO220 Gehäuse geht bis mind. 1A , Pollin 170001 ist angegeben bis 1,5A (mag herstellerabhängig sein, genaues Datenblatt ansehen!) Irgendwo im Datenblatt wird auch eine Verlustleistungsbegrenzung stehen, aber hauptsächlich bemisst sich die erforderliche Grösse des Kühllörpers dannach. Wird der LM317 zu heiss, so begrenzt er intern selbst und die Ausgangsleistung geht zurück. Aber Achtung: Die Verlustleistung am LM317 ist ca. 3,2 Volt x Strom, bei 350mA wäre das schon über 1 Watt. Daher braucht es einen Kühlkörper dort dran, z.B. der 430125. Den kannst auseinandersägen, dann haste 2 passende für deinen Zweck (und für 350 mA mag es auch gerade noch reichen). Für den Widerstand R1 berechnet sich dessen erforderliche Wattzahl zu P= 1,25V * I . Bei 0,2A als 0,25 Watt. Ich rate dringend mind. die doppelte Leistungsgrösse als Typart vorzusehen, denn Widerstände werden bei ihrer Nennwattzahl gut und gerne 200°C heiß (!). Mit zwei 12 Ohm je 0,4 oder 0,5 Watt parallelgeschaltet zu 6 Ohm biste gut aufgestelltDer dann geringfügig höhere Strom ist vernachlässigbar (5-10% Toleranz ist i.d.R. immer ok bzw. sowieso in den Bauteilen drin). Oder 3 Stück 18 Ohm je 0,25W wäre ganz genau ; sich extra "1 Watt" Typen anzuschaffen lohnt nicht, meine ich. Und nochwas: Falls die Schaltung mehrfach aufgebaut wird (in deinem Falle 2x) müssen die LM317 voneinander isoliert sein, da deren mittlerer Schluß = Kühllasche = Vout ! http://4.bp.blogspot.com/-LhiYdu_H0Lw/TqDdhxxNSZI/AAAAAAAAAjw/YE20_Z95tH0/s1600/LM317.jpg Gruss
OK sehr gut, danke vielmals. Dann müsste die Schaltung also so aussehen wie im aktuellem Bild? Ich habe leider schon ein Steckernetzteil mit 12 Volt Ausgang und 2A. Die 2 A dürften doch kein Problem sein (in dem Sinne dass es zu viel Leistung wäre), da sich die LED´s und die Schaltung die nötige Leistung ziehen, richtig? Den Kondensator werde ich aber trotzdem verwenden, da ich nicht genau weiß ob das NT geregelt ist. Bei den Widerständen meinst du soll ich lieber parallelgeschaltete Widerstände nehmen um so ziehmlich genau auf den benötigten Wert von 6 ohm zu kommen und um nicht extra "1 Watt" Typen kaufen zu müssen oder? Ich werde den von dir empfohlenen Kondensator, LM und Kühlkörper holen und die Schaltung bauen und dabei auf deine Ratschläge achten. Vieeelen Vieelen Dank Grüße Micha
Bitte melde dich an um einen Beitrag zu schreiben. Anmeldung ist kostenlos und dauert nur eine Minute.
Bestehender Account
Schon ein Account bei Google/GoogleMail? Keine Anmeldung erforderlich!
Mit Google-Account einloggen
Mit Google-Account einloggen
Noch kein Account? Hier anmelden.




