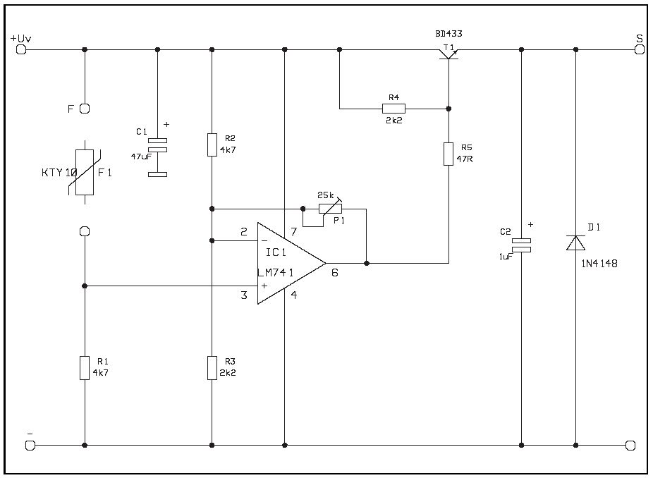
Hallo, ich habe mir mal bei den bei den Elektronik-Versendern erhältlichen Lüfterregelungen für den PC angesehen, und dabei eine für mich etwas merkwürdige (zumindest versteh ich sie nicht so richtig) Schaltung gefunden (siehe Anhang). In der Beschreibung steht, man solle das Poti so einstellen dass sich der Lüfter bei Raumtemperatur gerade dreht. So wie ich die Schaltung interpretiere, stelle ich mit dem Poti jedoch die Temperatur ein, bei der der Lüfter mit voller Drehzahl läuft. Irgendwie kann ich dem OPV auch nicht eindeutig einer Funktion zuordnen: er ist ja Komparator und Verstärker zugleich, oder seh ich das falsch? Wäre für eine Erleuchtung dankbar. Thomas
Eigentlich stellst Du mit dem Poti mehr oder weniger nur den Verstärkungsfaktor des Operationsverstärkers ein. Du stellst im Prinzip schon die Wunschdrehzahl bei Raumtemperatur ein. Aber eben nie die maximale Drehzahl, die in der Regel bei dieser Schaltung ohnehin kaum erreicht werden sollte. Ich habe solche Schaltungen mal durchgerechnet. Im Prinzip für so leichte Regelungen geht es schon. Aber man kann eben leider keinen Temperaturbereich einstellen, da der temperaturabhängige Widerstand auch nicht linear ist.
Hm, aber wenn ich am Poti drehe stelle ich ja das ganze Reglerverhalten um. Angenommen, das Poti steht auf 25k. Somit kann die Spannung am Minus-Eingang des OPV ja nie den Wert von 4,3 V überschreiten. Das würde bedeuten, wenn durch Temperaturerhöhung die Spannung von 4,3V am Plus-Eingang überschritten wird, fährt der OPV seine Ausgangsspannung auf Anschlag hoch, der Regelbereich ist somit ziemlich klein. (4,3V würden bei einem 10kOhm PTC einer Temperatur von knapp 30°C entsprechen).
Bitte melde dich an um einen Beitrag zu schreiben. Anmeldung ist kostenlos und dauert nur eine Minute.
Bestehender Account
Schon ein Account bei Google/GoogleMail? Keine Anmeldung erforderlich!
Mit Google-Account einloggen
Mit Google-Account einloggen
Noch kein Account? Hier anmelden.
