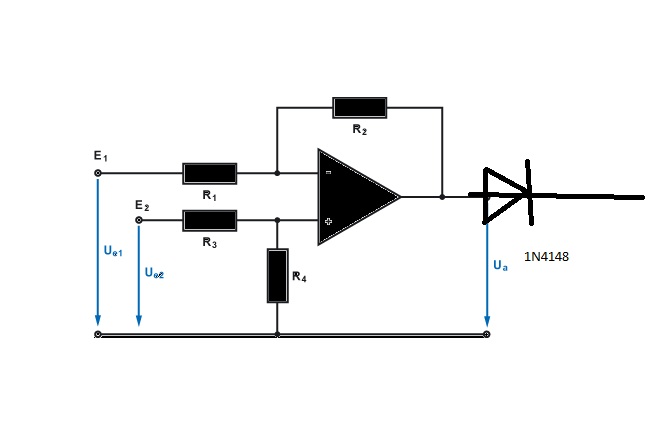
hey.... steh echt aufm schlauch aber wozu ist diese diode? ist die nur als schutz oder schneidet die mir die negative halbwelle ab? hinter der diode kommt ein widerstand und ne z diode auf masse aber die begrenzt ja nur das eingangssignal vom pic... pls helft mir
>steh echt aufm schlauch aber wozu ist diese diode? ist die nur als >schutz oder schneidet die mir die negative halbwelle ab? Die Diode liegt im Signalweg, also "schneidet sie ab".
und was schneidet sie ab? also kann die ausgangspannung nie negativ werden?
Bitte melde dich an um einen Beitrag zu schreiben. Anmeldung ist kostenlos und dauert nur eine Minute.
Bestehender Account
Schon ein Account bei Google/GoogleMail? Keine Anmeldung erforderlich!
Mit Google-Account einloggen
Mit Google-Account einloggen
Noch kein Account? Hier anmelden.
