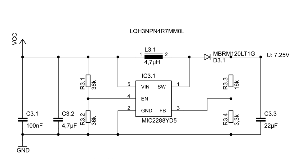
Moin! Kennt jemand ein gutes (günstig, einfache Beschaltung) Schaltregler-IC für diese Anforderung: Eingang: 3,3V - 4,2V (LiPo Akku) Ausgang: 7V, 500mA Die Belastung schwankt zwischen ~10-500mA, Dauerbetrieb bei Volllast muss aber auch funktionieren. Leider erfolglos war ein Versuch mit einem MIC2288 im SOT-23 Gehäuse: www.micrel.com/_PDF/mic2288.pdf Den Schaltplan habe ich mal angehangen. Bei ~200mA Laststrom schaltet das IC nach 2-3 Sekunden ab (Gehäuse überhitzt). Kann man die Schaltung noch mit anderen Bauteilwerten/anderem IC "retten" oder hab ich mit dem Teil einmal daneben gelangt? Alternativ suche ich ein besser geeignetes IC... Grüße Leo-A.
bevor andere nach deinem Layout fragen, stelle es am besten gleich hier rein. Scharfes, gut ausgeleuchtetes Foto ist auch hilfreich. Der NPN da drinn hat 550mV Sättigungsspannung. Das SOT23-5 Gehäuse hat dazu einen grottenschlechten Wärmeübergangswiderstand. Liegts evtl.daran? Sind bei 1Ampere auf der 3.6Volt Seite ein nkappes halbes Watt, oder? Noch das Tastverhältnis abziehen und die Umschaltverluste wieder hinzu. Könnte einfach zu warm werden, das kleine Teil. Oder der Eingangs-C ist zu weit weg, zu klein, oder zu schlecht. Wie gesagt: Aufbau /Foto wäre gut. Spule haste berechnet oder nach Datenblatt genommen? Axelr.
Foto vom Aufbau kann ich frühestens morgen machen, hab ersatzweise mal einen Screenshot vom Layout angehängt. Spule ist nach dem Beispiel aus dem Datenblatt, 4,7µH bzw. konkret LQH3NPN4R7MM0L. Die Kondensatoren sind X5R Keramik mit 10V/16V Spannungsfestigkeit, Werte auch hier nach Datenblatt. Wahrscheinlich wird das IC wirklich einfach zu warm. Bis ~250mA Last läuft der Regler stabil, danach steigt die Stromaufnahme stark an bis er sich irgendwann abschaltet.
Das Teil ist für so einen Strom nicht ausgelegt, Datenblatt Seite 9: 3.3VIN to 5VOUT @ 400mA 3.3VIN – 4.2VIN to 9VOUT @ 180mA das bedeutet für dich, ab 250mA ist's schluss mit dem Teil. Du hast vermutlich gedacht, dass es 1A liefern kann. Das ist aber nur der Strom den der MOSFET, der die Spule schaltet, schalten kann, nicht der Strom der am Ende raus kommt. Einfach in der parameterischen Suche von Linear Technology, Texas Instuments, Maxim IC deine Parameter eingeben, und dann eben schauen welche für dich erhältlich sind und deinen Anforderungen entsprechen.
sehe ich genau so. Du kannst natürlich probieren, die Drossel durch eine LQH4 oder 5 zu ersetzen. Evtl. auch mal 6.8uH oder 10uH testen. Hast du da solch einen Musterkasten? Könnte sein, das die Spule sättigt, oder der I_max zu schnell erreicht wird. Was sagt denn das Oszilloskop?
.... Angaben in Datenblättern sind ja meist nur zum Witz reingeschrieben ...
das nun nicht, wenn er aber mehr Strom braucht, als eigentlich angedacht, könnte man das ja mal probieren . In die Tonne treten wird er das Stück Pltine sowieso ( eben weils nicht geht)
Bitte melde dich an um einen Beitrag zu schreiben. Anmeldung ist kostenlos und dauert nur eine Minute.
Bestehender Account
Schon ein Account bei Google/GoogleMail? Keine Anmeldung erforderlich!
Mit Google-Account einloggen
Mit Google-Account einloggen
Noch kein Account? Hier anmelden.

