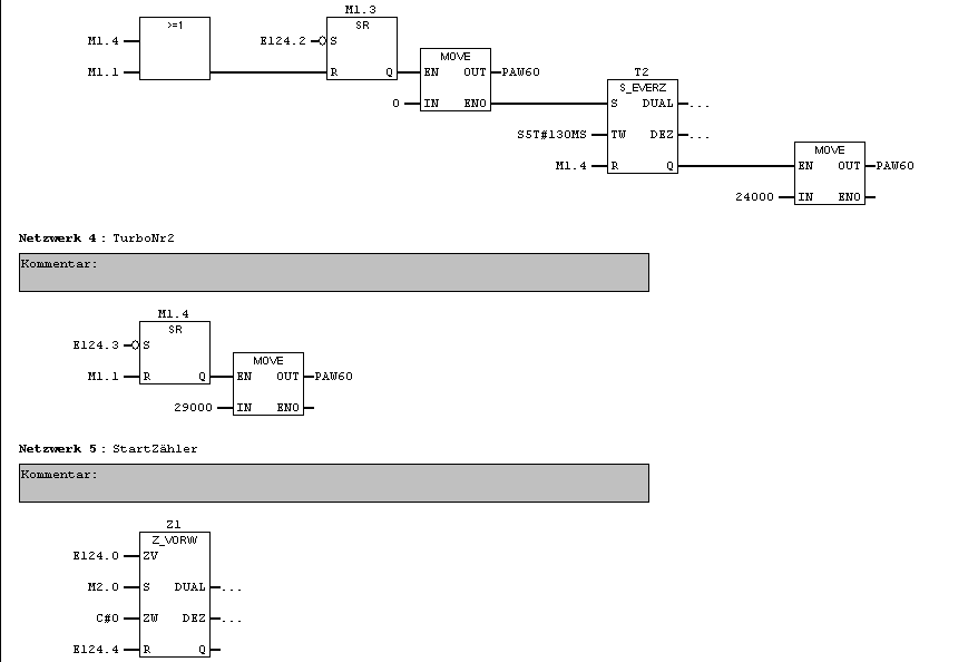
Hallo erstmal und danke schonmal für jede Hilfe. ensor Bahn 3,76 m Rundenzeit top 1.4 Sekunden 4 Sensoren http://www.conrad.de/ce/de/product/1...omSuggest=true E124.0 Sensot Start/brems E124.1 Sensor Turbo1 E124.2 Sensor Brems E124.3 Sensor Turbo2 E124.4 Starttaster/Rücksetzer beim Zähler Ich muss eine Carrera Bahn mit der SPS ansteuern. Das steuern geschieht analog über eine WagoKarte von 0-10 Volt. Die Bahn ist ganz einfach als Ellipse aufgebaut und hat 4 Sensoren. Ein Sensor am Startpunkt der auch dann als bremser benutzt wird,der zweite wird als turbo benutzt,dritter für das bremsen vor der Kurve und der vierte wird als turbo benutzt und 1 bremst das ganze wieder. Ich wollte das ganze in drei Modis fahren lassen z.B Anfänger profi Weltmeister. Ich hab schon ein kleines Programm geschrieben nur für die optimale Runde zu fahren. Wobei das Auto 20 Runden normal fährt und manchmal 1 Sensor überspringt. Ich weiß nicht woran das liegt, kann eine Fehlertoleranz sein vom Sensor. Meine Zykluszeit liegt bei 22ms und die Reaktionszeit habe ich 3ms genommen als Standart wert. Also kann das schon mal nicht sein das die CPU zu langsam ist! Wobei ich mir da nicht sicher bin, ob ich das mit der Reaktionszeit richtig gemacht hab.Das Programm habe ich nicht so schön geschrieben vielleicht habt ihr dafür ja auch besser ansetze. Habe alles im OB1 geschrieben. gruß hans
SRY der Seensor http://www.conrad.de/ce/de/product/184250/Gabellichtschranke-TCST-2103-Vishay-TCST-2103-GaAs-IR-Lumin-Diode-Reichweite-31-mm
Fahr doch mal ganz langsam mit dem Auto, was passiert, funktioniert die Steuerung in dem Fall?
Bitte melde dich an um einen Beitrag zu schreiben. Anmeldung ist kostenlos und dauert nur eine Minute.
Bestehender Account
Schon ein Account bei Google/GoogleMail? Keine Anmeldung erforderlich!
Mit Google-Account einloggen
Mit Google-Account einloggen
Noch kein Account? Hier anmelden.

