Hallo, Ich suche nach einer Möglichkeit mit einer Spannung zwischen 5V und 9V 12V/2A zu schalten (für einen LED-Strang). Gibt es da eine Möglichkeit?
Wahrscheinlich reicht ein einfacher Transistor, aber vorher wäre zu klären wie du das meinst: 5V ist aus und 9V ist ein oder 0V ist aus und 7V ist ein? Und die LED-Leiste hat 2 Anschlüsse und die 12V Batterie auch, die man beliebig verbinden kann, z.B. mit den 9V?
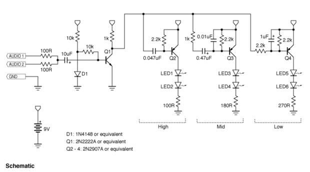
Die Spannung am Ausgang ist maximal 9 V (Kommt auf Lautstärke und Tonhöhe des Audiosignals an), als Speisung für den LED-Strang verwende ich ein 3A 12Vdc Netzgerät bzw eine 9V Batterie für den 1. Teil der Schaltung. (Siehe Bild) Anstelle der LED's möchte ich mit dem Ausgang des Transistors einen LED-Strang(RGB-Led's) ansteuern. Ausgang High = Rot Ausgang Mid = Blau Ausgang Low = Grün
Na ja, die Schaltung ist ziemlich Scheisse, aber wenn du vorne und hinten mit 12V versorgst geht die auch mit LED-Strängen.. Um bis zu 2A zu schalten brauchst du aber andere Transistoren. Da gäbe es mehrere Möglichkeiten. High-hFE von Zetex, PNP-Darlingtons, oder P-MOSFETs. Ich würde MOSFETS wie IRF9530 nehmen. Die brauchen eine einstellbare Vorspannung. Du hast derzeit an allen 3 Transistoren einen 2k2 gegen plus, nimm an dessen Stelle den 2k2 an den Schleifer von einem Trimmpoti dessen beide Enden zwischen 0V und 12V liegen. Mit denen kannst du jeweils die Grundhelligkeit der Farbe einstellen. Natürlich bleibt die Schaltung murks, die Helligkeit ändert sich wenn die Bauteile (unterschiedlich) warm werden.
Can you give me the full details about the microcontroller. And its pcb design
Are you kidding? the schematic is obviously not related to any microcontroller.
Bitte melde dich an um einen Beitrag zu schreiben. Anmeldung ist kostenlos und dauert nur eine Minute.
Bestehender Account
Schon ein Account bei Google/GoogleMail? Keine Anmeldung erforderlich!
Mit Google-Account einloggen
Mit Google-Account einloggen
Noch kein Account? Hier anmelden.

