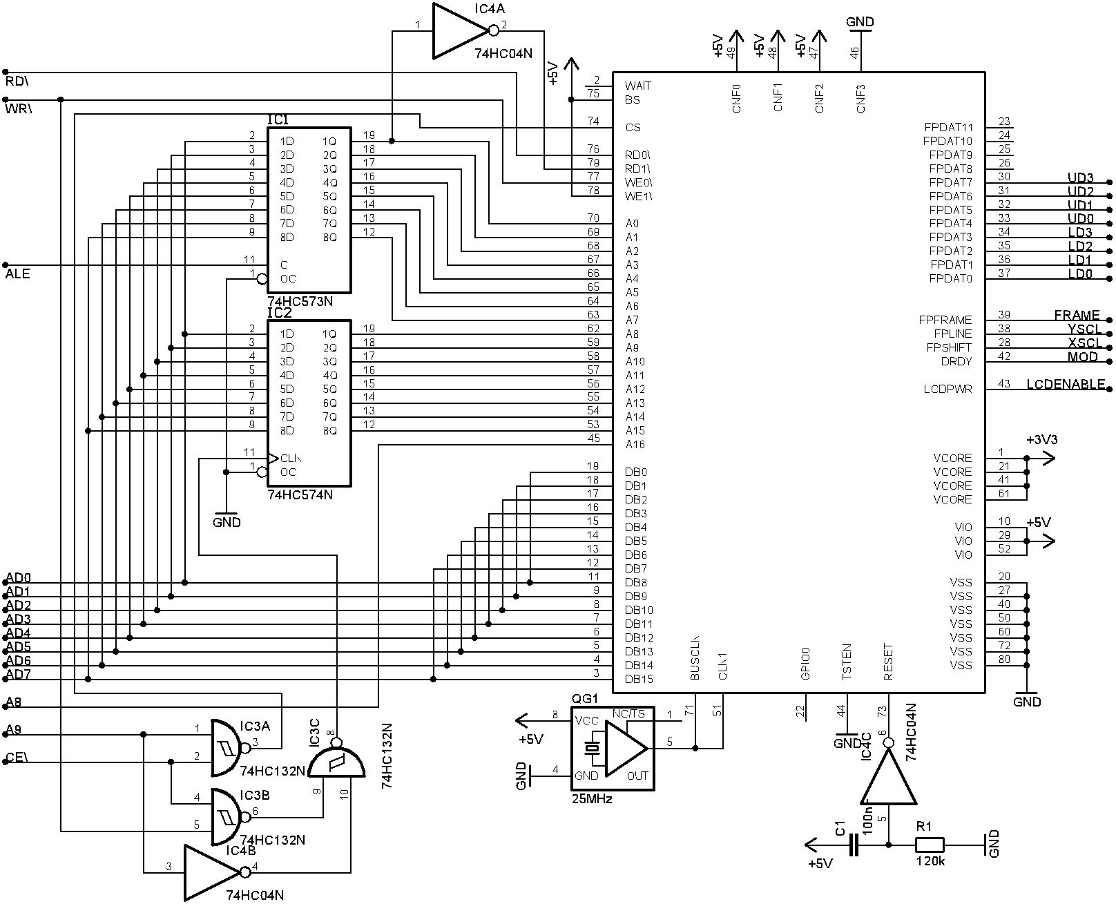
Ich versuche ein LCD mit dem Epson Controller und einem ATMEGA128 anzusteuern. Ich habe mir dazu alles durchgelesen was ich im Netz finden konnte. Unklar ist für mich jedoch nach wie vor die Ansteuerung der Adressleitung A16. Ich habe dazu zwar einen Schaltplan von Benedikt gefunden, der nutzt aber im Prinzip nur A0 bis A7 (A8 für A16) des AVR als Adressleitung und mit A9 werden mit zusätzlicher Hardware die Adressen A8 bis A15 angesteuert. Ich frage mich nun, ob das die einzige Möglichkeit ist, oder ob ich mit einer reinen Softwarelösung auch hinkomme? Ports habe ich ja am AT128 genug. Danke im Voraus
Sorry, habe erst nach dem Absenden festgestellt, daß im Betreff eine 1 zu viel ist. Es handelt sich natürlich um den Controller S1D13705.
Danke für den Hinweis, aber wie ich das sehe, hilft es mir nicht weiter, da der SED1330 und 35 nur 0-15 Adressleitungen haben, der S1D13705 aber 0-16.
Zur Konkretisierung füge ich nochmals den Schaltplan von Benedikt bei. Ich frage mich nun, ob ich nicht auf den 74HC574 verzichten und dafür AD8 bis AD15 direkt mit dem Controller verbinden kann. Ich könnte dann einen anderen freien Port des AVR mit A16 des Controllers verbinden. So weit so gut, wie stelle ich dann aber fest, daß A16 aktiviert werden muß? Diese Frage stellt sich aber auch bei Benedikts Version. Ich würde mich über einen Tip freuen!
Bitte melde dich an um einen Beitrag zu schreiben. Anmeldung ist kostenlos und dauert nur eine Minute.
Bestehender Account
Schon ein Account bei Google/GoogleMail? Keine Anmeldung erforderlich!
Mit Google-Account einloggen
Mit Google-Account einloggen
Noch kein Account? Hier anmelden.
