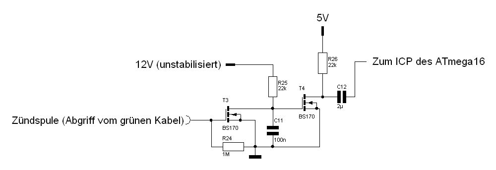
Hallo, ich habe mir mit Hilfe eines ATmega16 ein Drehzahlmesser gebaut und ihn mit einem Frequenzgenerator getestet, erfunktionierte einwandfrei! Vor ein paar Tagen war es dann soweit und ich testete ihn an meinem Auto. Dazu habe ich den Eigang an das grüne Kabel, was von der Zündspule zum Verteiler läuft, angeschlossen. Zuvor war dort ein analoger Drehzahlmesser (VDO) angeschlossen. Beim ersten Versuch habe ich dafür ein etwa 2m lange Leitung verwendet, das Resultat war nach dem starten des Motors erhielt ich keine Anzeige. Hmm komisch, sollte das Signal so schwach sein?? Also kürzte ich die Leitung um ca. 1m, startete erneut den Motor und musste feststellen das kurzzeitig eine Anzeige auf dem LCD erschien. Kurzzeitig darum weil der Motor sofort wieder ausging! Weitere Versuche waren zwecklos, immer wieder das selbe Resultat. Merkwürdig sollte der Eingangswiderstand des Drehzahlmessers zu klein sein? Ich habe mir die Schaltung (siehe Anhang) für den Drehzahlmesser etwas abgeschaut und dachte eigentlich sie sei geeignet. Jetzt stellen sich bei mir die Fragen: Ist der Eigangswiderstand der Schaltung wirklich zu klein? Was für Spannungspegel liegen überhaupt an (beim Abgriff des grünen Kabels)? Kann die Spannung für den MOSFET zu groß gewesen sein so das er zerstört wurde? Das würde zumindest erklären warum der Motor ausging.
Hm. Keine Ahnung, woher Deine Probleme kommen, aber ich würde es von Grund auf anders machen. Das 12V-Netz im Auto ist "versaut". Schon allein deswegen würde ich den µC galvanisch trennen, auch die Versorgungsspannung (z.B. über DC-DC-Wandler). Das erspart viel EMV-Kleingemüse und Fehlersuche. Die Signale würde ich über Optokoppler einkoppeln.
Dein BS170 ist vielleicht schon lange kaputt. (GS-Strecke durch) tausche den mal aus, spendiere ihm eine 15V Z-Diode und einen Serienwiderstand, damit er nicht gleich wieder stirbt.
Du baust sowas und weißt nicht welche Spannung am grünen Kabel Anliegt???
Ist das grüne Kabel, das Kabel das dirkt an die Zündspule und den Unterbrecherkontakt geht ? Respekt, sowas mus man echt mal schaffen: Größer 100V an einen MOSFET zu legen der nur für +/-20V ausgelegt ist. Eine Z-Diode alleine wird auch ziemlich schnell rotglühend werden, auf jedenfall einen Widerstand davor einbauen.
Ich habe nicht gedacht das die Spannung primarseitig so hoch ist. Also werde ich einen Widerstand in Reihe einfügen. 5MOhm werden wohl reichen.
Sehe ich auch so, den BS170 wirst Du zu 99,9% gehimmelt haben. Was soll denn dieser ganze Transistorschrunz überhaupt bedeuten ? Ich würde einfach über einen Spannungsteiler 12:5 (z.B. 150k+100k) an den Eingang des µC gehen. Zum Schutz könnte man noch 2 Shottky-Dioden gegen VCC/GND anschalten. Peter
Und ich würde lieber nen Optokopler zwischenschalten, die paar Cent werden wohl noch drin sein ;)
>5MOhm werden wohl reichen. Hi zusammen, was hat dein BS170 für eine Gatekapazität? 47KOhm max. in Reihe, 100KOhm parallel zum Gate und zus. eine 15V TVS-Diode. optokoppler geht auch, aber der braucht natürlich auch ein paar milliamps. Gruß Axel
Wenn man max 20mA für die Shottky-Dioden oder die internen Substratdioden annimmt, dann dürfen vor dem 150k Widerstand Spitzen bis 3000V anliegen, das sollte doch wohl reichen. Peter
Hm? Also mal ehrlich das wir ne Schaltung fürs auto da wirds doch wol auf die 30 oder 40 mA nicht ankommen, dafür trennt das Bauteil den uC SICHER von der Bordelektrk (zumindest in den für den Optokopler angegebnen Isolationsbereichen)
Laeubi klar, Strom ist genug da! nur ist das eine Signalleitung, wo er dranngehen will. Ich kenn die Spezifikation NICHT. je weniger Last auf diesem Draht, umso bessser.
Lass dein Projekt mit dem Drehzahlmesser besser sein, solange du keine Informationen über dein Auto hast.
Ich weiß ja nicht, was für ein Auto Steffen fährt. Aber bei VW ist bei bestimmten Motoren, die mit dem Zündsteuergerät (Dem flachen, links im Wasserkasten verbauten) von Bosch laufen, schnell mal jede Menge Ärger angesagt. Es gibt j auch dir ganz billigen Drehzahlmesser aus dem Baumarkt. Deren Schutzschaltung am Eingang himmelt dann, warum auch immer die Leistungsstufe in dem Zündsteuergerät. Ausserdem: Wenn Du den Wagen startest und dann Deinen Drehzahlmesser im Leerlauf daran hängst und der Motor geht aus, weil Deine Eingangsstufe von der Elektronik durchschlägt, dann bedenke mal, um wieviel höher die Spannung bei einer Drehzahl von 5500 U/min (Abregeldrehzahl) ist. Bei einem Wagen mit Kontaktzündung, kannst Du nicht viel verkehrt machen, da geht dann höchstens der Kondensator am Verteiler kaputt. Wenn der Wagen schon etwas moderner ist, so Golf 2 oder später, dann kann es sein, das (zumindest bei VW) schon ein Signal (am grünen Draht) hinten an der Instrumententafel ankommt, das von der Zündspule unabhängig ist. (Bei meinem T3 waren es 280 Hz Rechteck mit 12 V bei Abregeldrehzahl 5700 U/min) Mehr weiß ich aber nun auch nicht zu dem Thema beizusteuern. Michael
@Steffen Mal einfache Schritte ohne große Schnörkel.: Ich frage erst garnicht warum von der Hochspannungsseite und nicht vom Unterbrecherkontakt oder gleich vom Tacho.Gibt ja mehrwre Möglichkeiten je nach Technik. Du nimmst Zündkabel und damit sehe ich das als gegeben an. Du greifst am Zündkabel mittels einer kleinen Wicklung das Zündsignal ab.Also ein Primitiver Transformator. Die Zündspannung im Kfz liegt irgendwo bei einigen Kilovolt und welche Spannungsspitzen dein Abgriff da dann liefert ist erstmal relativ unbekannt aber man kann auf Nr. Sicher gehen und einfach 1Kv annehmen und das Positiv wie Negativ zur Fahrzeugmasse. Um das Signal zu messen ohne das es gleich die Schaltung zerstört muß es also erstmal auf ein handhabbares Maß reduziert werden. Dafür bieten sich Zehnerdioden an. Wir Arbeiten mit einem Controller dessen Eingänge nicht mehr als +5V gegen Masse vertragen also nehmen wir Z-Dioden mit 4.7 oder 5.1V (Gängige Typen). Eine kommt vom Signaleingang in richtung masse und begrenz schonmal die positive Eingangsspannung auf ca. 5V. Dann noch eine zwischen +5V und Eingang. Wird der Eingang gegenüber den +5V negativer als die Zehnerspannung,also ca. Massepotential,dann begrenzt die Z-Diode das Signal auch in diese Richtung. Da die Z-Dioden auch die anfallende Energie vertragen müssen die so ein Abgegriffener Zündimpuls liefert müssen die Z-Dioden entsprechend dimensioniert werden. Da wir immer noch nicht wissen wie Groß dieser ist begrenzen wir doch einfach den Strom des Zündimpulses mit einem Widerstand. Der reduziert den Maximalen Strom und die nötige Verlustleistung der Z-dioden erheblich. Zur Dimensionierung: Wir benötigen nur einen geringen Strom von max 1-2mA für die Signalformung egal ob Mosfet oder direkt der Eingang vom Controller. Bei angenommen 1000V und 2mA bei 5V also am Widerstand 995V sind das nach Ohm ca. 500k Demnach sollte ein 470K Widerstand völlig ausreichen. Wegen der zu erwartenden Spitzen sollte er aber ein 1W Typ sein da sein größeres Gehäuse die Chance eines Überschlages vermindert. So ! Und um die unbekannte Eingansspannung in den Griff zu bekommen setzen wir vor dem Widerstand noch einen Überspannungsableiter ein. Dazu gibt es im Handel schöne passende Bauteile die im Grunde nix anderes als Glasröhrchen mit Platten sind die einen definierten Abstand und damit eine definierte Zündspannung haben. Mit diesen Vier billigen Bauteilen hast du im Wesentlichen deine Schaltung geschützt. Dahinter fängt dann erst die Signalformung an die nötig ist um saubere Informationen für deinen Drehzahlmesser zu bekommen. Ich vermute wie die anderen ebenfalls das du dir schon was geschossen hast. Das Gate vom T3 ist jedenfalls absolut ungeschützt. Das ist das gleiche als ob du am Nordpol mit offener Hose rumrennst. Da ist das "Gate" auch schnell im A... :D Ich würde dir aber eher dazu raten die Drehzahl woanders abzugreifen oder dir selber eine Quelle zu schaffen (Stichwort Hallsensor) Fertig
Hallo, beim TÜV (Abgasuntersuchung) wird die Drehzahl übrigens über die Batteriespannung, bzw. die Oberwellen der Batteriespannung die von der Lichtmaschine erzeugt werden gemessen. Die Batteriespannung sollte man auch am Zigarettenanzünder oder irgendwo anders abgreifen können (sofern keine Kondensatoren dazwischengeschaltet sind) und den Gleichanteil wegfiltern, dann vielleicht noch verstärken und man hätte eine Sinusspannung mit der Motordrehzahl (oder evtl. einem Vielfachen davon). Ich hab das selbst nicht ausprobiert und es kann sein dass der Wechselspannungsanteil sehr gering ist und somit schwierig zu messen. Außerdem schwankt die Wechselspannung vermutlich je nach Ladezustand der Batterie. Aber zumindest wäre die unbekannte Hochspannung nicht mehr beteiligt. Und evtl noch eine Möglichkeit: An manchen Lichtmaschinen gibt es einen zusätzlichen Abgriff für einen Drehzahlmesser, hab aber keine Ahnung was da für ein Signal anliegt. Viele Grüße! Daniel
Hab das beim lezten TÜV auch fazinierenderweise beobachten können. Hat jemand so ein messgerät schonmal gebaut/in der Hand gehabt?
Diese Messung ist nur dann ausssagekräftig und real, wenn man das Übersetzungsverhältnis von Kurbelwelle zu Lichtmaschine kennt, da die LiMa ca. um den Faktor 2-5 schneller dreht. Lkw grössere, Pkw kleinere Übersetzung. An der Klemme W (U, V) der Lichtmaschine wird eine Strangspannung vor der Gleichrichtung abgegriffen und liegt als Wechselspannung an. Arno
Okay das machts etwas komplizierter, aber so ein großes Problem ists nicht das Verhältnis rauszufinden.
Warum nicht da abgreifen wo man eh drann muß ? Am Tacho. Kommts schon Elektrisch dann ist das ein Kinderspiel und isses Mechanisch dann ist der Hallsensor dein Freund und ebenfalls recht einfach angebracht. Is dann übrigens auch für Diesel interessant
Na klar, einfach Kupplung und Getriebe ausbauen und die Skala vom Tacho austauschen. :-)
Bei den neueren wagen kann man die Drehzahl auch aus dem CAN-Bus holen.
@unbekannter: das muss aber ein ziemlich neuer Wagen sein... Hier gibt es auch was nen Drehzalhmesser: http://www.eelkevisser.nl/
>Was hat Tacho mit Drehzahl zu tun?
"Tacho" :
Umganssprachlich auch ausdruck für das Kombiinstrument vorne im KFZ
(meist in nähe von Lenkrad (Das Runde ding da vorne (Meist rechts))).
Manche stellen sich echt an wie die Kinder.
Pfff.
Sorry ober wenn ich Banane sage, meine ich auch keine Gurke. Wenn jemand eine präzise Antwort haben möchte muss er sich auch präzise ausdrücken. Ich gehe auch immer zur Werkstatt und sage mein Tacho ist kaputt. Der Meister weiß dann auch immer sofort, dass mein Ölstand zu niedrig ist, weil mein "Tacho" das anzeigt. Und die Uhr zeigt mir dann die Geschwindigkeit an. Sorry aber deine Kritik es etwas daneben. Und da sich Steffen für das Thema eh nicht Interessiert, sonst hätte er evtl. schon mal gesagt, um was für ein Wagen es geht schaue ich hier auch nicht mehr rein.
>Sorry ober wenn ich Banane sage, meine ich auch keine
Gurke............
Wat ne Faule ausrede fürs Rosinenzählen.
Wenn ich die Drehzah messen will dann wohl vom Drehzahlmesser im
Armaturenbrett (Am Tacho) und bestimmt nicht vom Öldruckmesser.
Wenn ich auffem Marktplatz nen Ei inne Hand nehme oder drauf zeig und
"Wie alt" frage dann mein ich bestimmt nicht das Alter vom Bauern
oder seinen Hühnern.
Wer nicht weiß wo er sein Signal herbekommen soll der sollte auch nicht
an betreffender Stelle rumbasteln.
Oder siehst du das anders ?
In solch einem Forum kannst du nun mal leider nicht auf irgendetwas zeigen sondern es nur beschreiben. Und wenn du das Ei in die Hand nimmst und dazu Apfel sagst schaut der Bauer dich auch doof an.
Ich nehme aber kein Ei in die Hand und sage Apfel sondern frage "wie Alt ?" und mein gegenüber weiß was ich meine. Aber beantworte mir mal meine Frage. (Steht ja noch da)
Man kann auch Signale über Einspritzventile bekommen(wenn man nen Einspritzer hat)! Man muß halt nur aufpassen, da das auch Induktivitäten sind. Spannungen sind aber längst nicht so hoch wie bei der Primärseite der Zündspule. Nachteil: Setzt die Schubabschaltung ein, hat man kein Drehzahlsignal.
Also wenn das Auto ab Bj. 2000 ist, einfach Drehzahl für OBD (K-Line) holen. Genormtes Protokoll ... Über CAN wird vermutlich zu viel Aufwand dafür sein, außerdem muss dein Auto CAN besitzen und die Daten auch über CAN liefern. Sofern dein Auto bereits eine elektronische (Halb)Steuerung hat (ab ca. ME2 u.ä.) kommt am Motorsteuergerät auch ein Frequenzsignal an, welches die Drehzahl liefert. ... übrigens wird bei alten Leistungsprüfständen die Motordrehzahl fast immer über die Batterie genommen und aus Erfahrung kann ich sagen, das es Mist ist!
Wie seit Ihr denn drauf!?! Ist doch nun scheißegal, ob Tacho oder Drehzahlmesser. War doch eine in englisch verfasste Seite (http://www.eelkevisser.nl/), die da genannt wurde. Was heisst denn im englischen "Drehzahlmesser"? @Kurt C12 mit 2uF ist wirklich etwas heftig und tut nicht not. Axel
Tja,das hab ich auch versucht dem unbekannten klar zu machen aber er zählt hier unnotige Rosinen. Ich gehe davon aus das der der an seiner Karre rumbastelt ein minimum an Wissen hat und sich das passende denken kann auch wenn man das Teil nicht "Hochpräzise" bei seinem ofiziellen Namen nennt.
Hallo, schau Dir mal den Schaltplan an, so geht es, habe selbst so gemacht. Gruß Ronny
Dann nehmt doch Euer Signal vom Tacho, dass im Tacho verbaut ist ist neben dem anderen Tacho sitzt. Und Steffen hat sich immer noch nicht geäussert, um was für eine Karre es geht, deswegen kann von allen nur spekuliert werden. Und so wie ich das sehe hat Steffen ebend nicht die Ähnung, sonst hätte er sich schon vorher um die höhe der Spannung an der Zündspule gekümmert.
Hallo, ich sollte mich auch mal wieder zu Wort melden. Als erstes @unbekannter Ich interessiere mich sehr wohl für dieses Thema, nur leider hat nicht jeder (wie du z.B.) am Wochenende frei und kann die ganze Zeit vor dem PC sitzen!!! Ich will mich hier nicht beschweren, aber du hast am wenigsten Sinvolles von dir gegeben. Die anderen bringen wenigstens Verbesserungsvorschläge. Ich bin bereit mir Kritik anzuhören aber irgendwo ist auch mal Schluss. @all Ich bin sehr froh und bedanke mich bei euch allen für die Fülle an Information. Also der MOSFET ist hin, das habe ich mal gemessen. Ich werde es mal mit der Widerstands-Z-Dioden-Methode probieren. Aber das kann noch etwas dauern da ich wie gesagt berufstätig bin. Wieso kann der 2µ-Kondensator gefährlich werden? Was das Auto betrifft, es handelt sich dabei um einen Opel aus den 70ern. Da ist noch alles einfach aufegebaut und kaputt machen kannst du da gar nichts. ;-) Es gibt auch keinen vorgefertigeten Anschluss für den Drehzahlmesser. Aber an dem grünen Kabel lässt es sich schon abgreifen, da ich dort einen Drehzahlmesser von VDO nachträglich angeschlossen habe. Das Problem wird wie schon gesagt der Eingangswiderstand sein und dort werde ich auch als erstes anfangen. Wenn nicht habe ich durch euch ja noch eine Menge an anderen Möglichkeiten. :-)
Bei einem solchen Auto tun die 10-20 mA eines Optokopplers schon gar nicht weh. Und die galvanische Trennung ist bei einem solchen Auto noch dringlicher, weil bei den Komponenten (LiMa, Zündung, etc.) garantiert nichts verbaut ist, das Rücksicht auf irgendwelche Elektronik nimmt. Wenns dumm läuft, und Du Deinen µC nicht gut gegen Störungen gesichert hast, dann kannst Du von Deinem Display bestenfalls die Anzahl der Resets / Sekunde ablesen.
Ja, das wird dann meine zweite Möglichkeit sein. Aber erstmal sehen was die Erste bringt ;-)
Es gibt doch auch solche Stromsonden also solche Spulen, durch deren Mitte ein Kabel gezogen werden kann. In der Spule, welche um das Zundungskabel gelegt ist wird dann bei jedem Zundimpuls eine Spannung indiziert, die man dann auswerten kann.
Bei so alten Autos muss man da nicht noch ein wenig filtern? Prellt so ein mechanischer Kontakt nicht ohne Ende? Ich habe früher mal an einen alten Polo ein Oszi gehalten und da sah mir auf den ersten Blick nicht viel von der Zündung :) Bei dem jetzigen Auto bin ich auf Klemme 1 gegangen. Klemme ist liegt ja solange der Kontkat offen ist an 12V (an der anderen Seite der Spule hängen ja 12V). Das funktioniert wunderbar. Schaltung bsteht aus 2 Transistoren ein paar Widerständen und C's und funktioniert wunderbar an einer elektronischen Zündung (91'er Honda) Bei Interesse such ich den Schaltplan nochmal raus
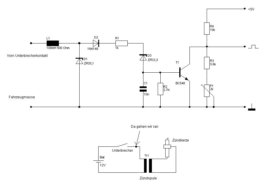
@Unbekannter Oben warste noch am Tönen das jemand der keine Ahnung hat es doch lieber lassen solle anstatt mal was konstruktives zu bringen. Is schon klar das du meine Frage nicht beantworten kannst ohne dich selber vorzuführen. >Dann nehmt doch Euer Signal vom Tacho, dass im Tacho verbaut ist ist >neben dem anderen Tacho sitzt............ Auch noch beleidigte Leberwurst spielen. wie so nen Kleinkind das seinen Willen nicht bekommt. @Steffen >Was das Auto betrifft, es handelt sich dabei um einen Opel aus den >70ern. Da ist noch alles einfach aufegebaut und kaputt machen kannst du >da gar nichts. Na dann isses ja recht einfach. Greif am Unterbrecher ab. Das bischen Induktion dort ist schnell geblockt und das Signal ist eindeutig. Den Rest haste ja schon im Controller. Da du vorher von einem Zylinder abgegriffen hast mußt du nur noch je nach Zylindrzahl einen Teiler Programieren aber das ist ja ein Klacks. Ich hab da mal eben was gezeichnet und im Anhang versteckt. Die Schaltung is zwar etwas älter aber tut ihren Dienst immernoch ohne Probleme. Erläuterung: L1,D1,D2,R1,D3,C1 Begrenzen und Formen den Impuls. T1 Verstärkt damit wir ein brauchbares Signal erhalten. R5 bis R7 bilden einen Einstellbaren Teiler um Eindeutige High/Lowpegel zu bekommen. Den nachfolgenden Teiler hab ich jetzt weggelassen. Das geht in Software. Bei bedarf kann man sich noch einen Monoflop und nen Optokoppler dahintersetzen um kurze Ímpulse definierter Länge und Sicherheit zu bekommen. Is wie gesagt eine Möglichkeit.
Welche frage meinst du? <zitat>Oder siehst du das anders ?</zitat> Dazu habe ich meinen Senf doch schon dazu gegeben. Steffen wußte nicht woher er das Signal bekommt da er die Spannungen nicht kannte. Um meine µC Schaltungen zu testen, probiere ich es auch immer zu erst einmal mit Vcc direkt an der Netzspannung??? Und wundere mich warum die 500W Halogenlampe, die dierakt an PortD.3 hängt nicht funzt.
Du kannst mein Frage zitieren aber den Text darüber ignorierst du geflissentlich ? immer schön dumm stellen. Du bist nicht der einizige der das Prinzip "Dummheit nützt,Dummheit schützt" kennt '-) Vergiss es.
@Ratber Deine Komplette Frage bezieht sich auf. "Wer nicht weiß wo er sein Signal herbekommen soll der sollte auch nicht an betreffender Stelle rumbasteln." Meine Antwort dazu : Ja, ich bin deiner Meinung, und genau deswegen sollte Steffen am Anfang die Finger davon lassen, da er keinen blassen Schimmer von den Spannungen hatte. Jetzt hingegen hatt er bestimmt genügend aufschlussreiche Antworten bekommen und jetzt können ihm konkrete Antworten gegeben werden weil erst jetzt bekannt ist um was für einen Wagen es geht. Bist du da anderer Meinung? Ist meine Antwort jetzt deutlich genug? Wenn nicht kann ich dir auch nicht mehr helfen Punkt.
Nö,genau darauf will ich die Ganze Zeit hinaus. Oben Propagierste das man etwas Ahnung haben sollte (uch meine Meinung) wenn man da rumfummelt und dann machste hier nen Alarm weil ich nicht Drehzahlmesser sondern Tacho sage obwohl du doch wissen solltest was ich meine. Steffen hat den Zähler schon zusammen und auch getestet also ist er garantiert kein DAU in Sachen Elektronik. Ihm fehlt nur das Wissen um die Signalgewinnung und deswegen fragt er schließlich hier nach. Wäre er der "Supercrack" dann gäbe es das Topic nicht. Ergo gehe ich mal davon aus das er weiß das man bei "Hols dir vom Tacho" nicht den Öldruckmesser anzapft. Das ist einfachste Logik. Ich finde es immerwieder lustig das in jedem etwas längeren Topic einer irgendwo in seinem Loch sitzt und nur drauf wartet das jemand einen winzigen sprachlichen oder sachlichen Schnitzer macht um gleich keulenschwingend und Heulend den Alarm für eine absolut nebensächlichkeit zu machen. Wenn ich jetzt "Schraubenzieher" sage bekommste dann nen Schlaganfall oder springste gleich schreiend aussem Fenster ?
Sach ma, Ratber, so aggressiv kenne ich Dich ja garnicht... Darf ich stellvertretend aus dem Fenster hüpfen? (Schraubenzieher, Schieblehre - brrrr, da kriege ich Gänsehaut). Nehmts doch mit ein wenig Humor.
Nehem ich normalerweie auch aber nur eine aktivere Wochen hier im Forum und mir reichts wieder. Den Grund hab ich ja geschrieben. Mir gehen solche Leute einfach auffen Zeiger. Im "Real Life" findeste sowas nicht bzw. bekommt derenige spätestens nach dem 3. Mal Prügel oder Volksmusik gefesselt auf nem Stuhl angedroht.
Hey komm mal auf den Boden Ratber. Ich habe nicht gesagt, dass Steffen total dof ist ihm fehlt lediglich die Erfahrung und die bekommt man z.B. hier im Form. Ich will nur sagen ERST recherchieren und dann basteln. Bei Schraubenzieher weiss jeder was gemeint ist. Bei Tacho ebend nicht. Die ganze Sache hat sich doch eh erledigt, da wir ja nun weissen, dass Steffen ein Wagen hat, der 1. Einen elektronischen Tacho hat (Drehzahlmesser), 2. Einen elektronischen Tacho hat (Kombiinstrument) und 3. Einen elektronischen Tacho hat (Geschwindigkeitsanzeigegerät). Scroll mal weiter nach oben, wer mit diesen aressiven Äusserungen angefangen hat. Statt "Umganssprachlich auch ausdruck für das Kombiinstrument vorne im KFZ (meist in nähe von Lenkrad (Das Runde ding da vorne (Meist rechts))). Manche stellen sich echt an wie die Kinder." hätte man ja auch schreiben können "Sorry, habe mich etwas missverständlich ausgedrückt, gemeint ist natürlich der Drehzahlmesser." Aber nein, du machst immer alles richtig, drückst dich immer richtig aus, und deswegen kann es auch keine Kritik an dir geben. Ist schon alles richtig so.
Sorry habe mich vertippt: 1. Keinen elektronischen Tacho hat (Drehzahlmesser), 2. Keinen elektronischen Tacho hat (Kombiinstrument) und 3. Keinen elektronischen Tacho hat (Geschwindigkeitsanzeigegerät).
>Ich will nur sagen ERST recherchieren und dann basteln. Ja,ist das Ideale aber kein Mensch ist ideal. Schließlich lebt das Forum davon. Schonmal drüber nachgedacht ? >Scroll mal weiter nach oben, wer mit diesen aressiven Äusserungen >angefangen hat. >Statt "Umganssprachlich auch ausdruck für das Kombiinstrument vorne im >KFZ (meist in nähe von Lenkrad (Das Runde ding da vorne (Meist >rechts))).Manche stellen sich echt an wie die Kinder." Vieleicht solltest du noch etwas weiter hochgehen ? Zitatvon dir: >Was hat Tacho mit Drehzahl zu tun? Wenn du jetzt behauptest an der stelle nicht gewußt zu haben was ich meinte dann kann ich dich mit deinen eigenen Argumenten erschlagen denn dann hast du zuwenig Ahnung um zu erkennen was gemeint ist und folglich hier im Topic nichts zu suchen bis du erstmal "recherchiert" hast. Na ? >Die ganze Sache hat sich doch eh erledigt, da wir ja nun weissen, >dass Steffen ein Wagen hat,....... Ändert nix an unserem Gespräch.
Ich weiss nicht wie ich es noch klar machen soll was ich mit meinen Postings aussagen möchte. Gib nur nicht zu, dass man sich hätte eindeutiger ausdrücken können.
>Gib nur nicht zu, dass man sich hätte eindeutiger ausdrücken können. Das hab ich nie bestritten. >Ich weiss nicht wie ich es noch klar machen soll was ich mit meinen >Postings aussagen möchte. Nicht ? Aber ich kann es dir sagen. -Du möchtest das alle jederzeit die korrekten Begriffe nutzen. -Du möchtest das jeder sich erstmal Informiert (Boardsuche,Google,Bücher usw.) bevor er hier aufschlägt und Fragen stellt. -Am Besten noch sollte jeder Perfektes Hochdeutsch in Schrifft und Satzbau liefern,sich bei der Wahl des Topicnamens voll Mühe machen und im richtigen Thema eröffnen. -Dazu noch eine erschöpfende Auskunft über den Sachverhalt liefern. Schön,kann ich so unterschreiben aber das ist für meine Person nur ein Ideal und ich weiß das die Realität anders aussieht. Schau dir mal den Anfang dieses Topics an. Steffen hat alles andere als vollständige Daten geliefert aber auf nachfragen geliefert. Sicher hat der Eine oder Andere sich gedacht "Warum steht das nicht schon da" aber dennoch nicht gleich rumgemäkelt. Auch macht der eine oder andere Schreibfehler aber im allgemeinen störts keinen weil man sich in 99.999% aller Fälle denken kann was gemeint ist. "Was hat Tacho mit Drehzahl zu tun ?" ist in diesem Zusammenhang genau das wie ich es betitelt habe und dazu stehe ich denn wer Weiß worum es geht weiß auch wo er sein Signsl herbekommt und wers nicht weiß dem sagt es auch nix. Ganz einfach. Manchmal fühlt man sich hier von theoretisierenden Ingeneuren umzingelt die schon leicht den Bezug zum Täglichen Leben verloren haben. Wenn ich auch mal Theoretisieren dürfte dann würde ich mir einen Betrieb vorstellen wo jedesmal einer losmeckert wenn einer "Zollstock","Schraubenzieher","Stromprüfer" usw. sagt. Das wäre dann der lauteste Laden den ich kenne. So,habe fertig ! ;)
Das was du oben in deinem letzen Post geschrieben hast sehe ich auch so einschließlich dem Satz "Schön, kann ich so unterschreiben aber das ist für meine Person nur ein Ideal und ich weiß das die Realität anders aussieht." So,habe auch fertig ! ;) (Hatte ja eh alles nichts mehr mit dem Thema zu tun.)
Was soll man sich denn unter einem "Stromprüfer" vorstellen? Ich kenne da nur Elektriker, die nasse Fingern in die Steckdose stzecken oder blanke Drähte anfassen...
Das ist schnell erklärt. Leute die gelernt haben nennen das Teil Duspol aber Leute die ihn zwar nutzen ohne eine Ausbildung in dieser richtung zu haben nenen ihn oft "Stromprüfer". Unter dem Namen firmieren auch die allseits beliebten "Prüfschraubendreher".
>>Unter dem Namen firmieren auch die allseits beliebten
"Prüfschraubendreher".
ich dachte, DAS wäre ein "Phrasenprüfer", hihi
die Zündspule erzeugt beim abschalten(der Primärseite) einen negativen Impuls von ca. 200V, ein Einspritzventil erzeugt um die 80V. Beim TÜV hängen die das Teil an die Batterie und das Ding analysiert die Spannungsspitzen, wodurch es dann die Drehzahl anzeigt.
Also, zurück zum Thema, wie ich das verstanden hab haste zwischen Zündspule und Verteiler das Zündkabel abgegriffen und das auf Elektronik auswerten wollen. die Elektronik, C-Mos haste dabei zerschossen ... warum? Weil da ne Menge Saft kommt! 200V, lächerlich ... das kann mehrere KV (Kilovolt) sein, was da kommt. google mal nach Gegeninduktion. Aus ging die Kiste vermutlich, weil der Zündfunke irgendwo von deinem 0,4er Klingeldraht auf die Karosserie übergesprungen ist, wodurch für die Zündkerze nix mehr übrig blieb. Kein Funke, keine Zündung, Kiste aus. Lösung: Du kannst die Zündspannung auch passiv abgreifen an dem Kabel. Wickelst Dir einfach ne kleine Spule aus Draht, die hängste über das Kabel und hängst mal n Oszi dran. Da siehste dann deutlich, wenn der Zündstrom läuft. Dann das ganze über n Transistor verstärkt, n Monoflop dran und fertig ist die Vorbeschaltung. Den Ausgang vom Monoflop an den ATMega und es funktioniert.
Sekundärseitig kommen da sicherlich einie kV's zusammen deswegen wird die Drehzahl auch der Primärseite der Zündspule abgenommen. Denke kaum das das Grüne Kabel von der Zündspule zum Verteiler das Hochspannungskabel war sondern eher ein Kabel vom Hall- oder Induktionsgeber des Verteilers.
Hallo zusammen Interessantes Thema. Hat jemand von Euch bereits Erfahrungen mit dem CAN-bus von KFZs gemacht? Wenn man weiss, hinter welcher Meldung sich die Geschwindigkeit oder die Drehzahl verbirgt, dann müsste es doch mit einfachen Mitteln (uP mit integriertem CAN-Bus wie z.B. PIC18F452) möglich sein, diese Grössen abzufragen und weiter zu verarbeiten. Habt Ihr evtl. gute Links zu weiterführenden Informationen? Beste Grüsse Frank
@Frank, ja habe ich. Mit den Links ist die Sache so, über CAN in algemeinen gibt es 1000de Information nur über die IDs gibt es so gut wie nix. Was für einen Wagen fährst du.
Bei ebay gibts manchmal Service Unterlagen zu ersteigern. In den gibts einige Informationen.
Hallo Martin Vielen Dank für Deine Infos! Ich fahre einen Audi A4, TDi, Baujahr 2000. Er ist bereits mit CAN-bus ausgerüstet. Du sagst, du konnstet bereits Erfahrungen mit dem CAN-bus sammeln. Hast du auch schon einmal einen Mikrocontroller an den CAN-bus angehängt? Falls ja, kann man das Schaltungsdesign lt. CAN-Spezifikation aufbauen oder gibt es da besondere Dinge die man jedenfalls noch beachten sollte? Jedenfalls noch einmal vielen Dank für Deine rasche Rückmeldung. Falls du dazu näher Informationen hast, dann würde ich mich darüber sehr freuen. Beste Grüsse Frank
Das trift sich gut, ich fahre einen A3, allerdings einen etwas neueren. So weit ich weis sind die ID unterschiedlich. http://www.martinsuniverse.de/projekte/audi-a3-navi/ Da findest du dann einen Link zum CAN-Interface.
Hallo zusammen @unbekannter: Vielen Dank, sehr guter Link. Interessant was MartinS da so realisiert hat. Habe auch sein CAN-Interface kurz studiert. Die Platine sieht recht professionell aus. Allerdings das Projekt aktuell noch recht wenig dokumentiert. @dds5: Ja, du hast recht. Ich meinte den PIC18F458. Beste Grüsse Frank
@Steffen: auf der Seite http://www.eelkevisser.nl gibt es mehrere Beschaltungen für die Drehzahl, soweit ich das sehe, und teilweise auch für alte (nicht ganz so alt wie deiner :) Opels. Wie weit bist du inzwischen gekommen? In diesem Thread verliert man leicht die Übersicht ;)
Ja,Tacho for Any Car. Hat die Eingangsbeschaltung die ich oben beschrieben hab. http://www.eelkevisser.nl/anytacho/anytacho.jpg
Ja, das ist so mit der Zeit für die Dokumentation. Aber wenn du Fragen hast dann frag.
@Ratber Deine Schaltung funktioniert so ohne weiteres oder muß ich da noch was beachten ?
Welche Meisnt du ? Die etwas ältere vom 11.9. ist für den Controller Mundgerecht. Die andere die auch in dem Link von Marco steht ist zwar etwas einfacher aber meist voll ausreichend. du kannst ja etwas mit den Werten Spielen wenn du ein Oszilloskop zur verfügung hast.
einen Oskar hab ich leider nicht. Ich nehme die erste. Platz spielt ja keine rolle und die paar Cent mehr auch nicht. Danke.
Bitte melde dich an um einen Beitrag zu schreiben. Anmeldung ist kostenlos und dauert nur eine Minute.
Bestehender Account
Schon ein Account bei Google/GoogleMail? Keine Anmeldung erforderlich!
Mit Google-Account einloggen
Mit Google-Account einloggen
Noch kein Account? Hier anmelden.



