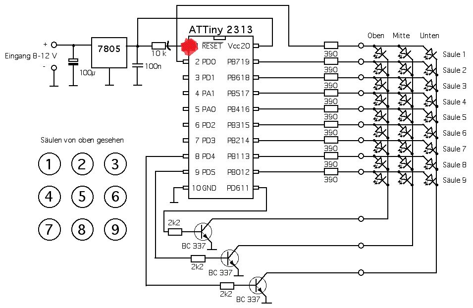
Hi Ich bau gerade den Led Cube Nach der Anleitung von Pesi zusammen. Ich muss nur noch den Attiny Programmieren dan bin ich fertig. Ich hab schon mal alles durchgemmesen mit dem Multiemeter. An dem roten Punkt siehe Bild habe ich ohne Attiny eine Spannung von 0,57V ist das normal oder ist der IC defekt. Gruß Manuel
Da sollten eig. 5V sein, wenn ich die (hässlich gezeichnete) Schaltung richtig verstehe. Mess mal direkt an deinem 5V Regler, was da raus kommt.
Du solltest dem 7805er noch ein C mit 0,33uF am Eingang spendieren. Sonst kann es sein, dass er nicht sauber regelt. Siehe Datenblatt bzw. APP Note.
Dann ist entweder der 7805 kaputt oder du hast nach dem 7805 einen kurzschluss irgendwo gebaut.. Wieviel liegt denn vor dem 7805 an? MfG Dennis
Misst du gegen Masse? Ist dein Messgerät ganz? Was misst du, wenn nur der 7805 dran hängt? Hast du Bilder vom Aufbau?
Bitte melde dich an um einen Beitrag zu schreiben. Anmeldung ist kostenlos und dauert nur eine Minute.
Bestehender Account
Schon ein Account bei Google/GoogleMail? Keine Anmeldung erforderlich!
Mit Google-Account einloggen
Mit Google-Account einloggen
Noch kein Account? Hier anmelden.
