Folgendes Problem: Versuche auf einem STK500 mit einem Atmel AT90S2313 den DS1621 Temperatursensor auszulesen; der liefert anscheinend nur schrott - ich glaub nur nullen. Ansteuerung: der ds1621 ist direkt an den PortB angeschlossen. PortB.0 = sda, PortB.1 = sck. Die Adressbit liegen alle auf GND. Es wird wohl evtl. am Code liegen, nur finde ich den Fehler nicht. Zuerst hatte ich nach den Spezifikationen gearbeitet, d.h. habe ueber portB pins gesendet und ueber PinB pins gelesen, was dazu fuehrte,dass ich nur Einsen (0xFF..FFF) lesen konnte. Nun lasse ich die PortB pins immer auf null und benutze die DDRB pins zum 1 oder 0 schreiben. Jetzt lese ich nur Nullen(anscheinend). Kann mir jemand helfen? Der Code ist zwar umfangreich, aber gut dokumentiert; Schaut euch den doch bitte mal an. Oder muss ich noch etwas zwischen den Leitungen loeten??
das ist mir jetzt zu viel zum durchackern... Über DDRx zu arbeiten ist schon richtig - erfordert aber ext. pullup-Widerstände scl und sda. Hast du die dran? Richtwert 3k3 oder 4k7.
Ich zeig euch die relevanten Codestellen:
- Initialisierung:
MCU_initPortB:
cbi DDRB,_I2C_ClockPin
cbi PORTB,_I2C_ClockPin
cbi DDRB,_I2C_DataPin
cbi PORTB,_I2C_DataPin
sbi DDRB, _FanControlPin
sbi PORTB,_FanControlPin
ret
Bit schreiben:
I2C_writeBit:
rcall I2C_Scl_Low
cpi r16,0
breq I2C_writeBit_0
I2C_writeBit_1:
rcall I2C_Sda_High
rjmp I2C_writeBit_exit
I2C_writeBit_0:
rcall I2C_Sda_Low
I2C_writeBit_exit:
rcall I2C_Scl_High
ret
- Bit lesen:
I2C_readBit:
push r18
rcall I2C_Scl_Low
ldi r16,cInput
rcall I2C_setDataPinDirection
rcall I2C_Scl_High
in r16,_I2C_InputPort
andi r16,(1<<_I2C_DataPin)
I2C_readBit_exit:
pop r18
ret
- Sda pin auf high Vcc:
I2C_Sda_High:
push r16
cbi _I2C_PortDirection,_I2C_DataPin
ldi r16,cI2C_DataWait
rcall MCU_doSleep_1mueS
pop r16
ret
- Sda pin auf Gnd
I2C_Sda_Low:
push r16
sbi _I2C_PortDirection,_I2C_DataPin
ldi r16,cI2C_DataWait
rcall MCU_doSleep_1mueS
pop r16
ret
Scl ist analog
Hallo Thomas! Habe mal für dich das Datenblatt gelesen. <Nun lasse ich die PortB pins immer auf null und benutze die DDRB pins <zum 1 oder 0 schreiben. Jetzt lese ich nur Nullen(anscheinend). . . <geht das denn nicht mit den internen Pull-Ups ?? Und nun ein Auszug aus dem Datenblatt: Table 19. DDDn Bits on Port D Pins DDDn PORTDn I/O Pull Up Comment 0 0 Input No Tri-state (Hi-Z) 0 1 Input Yes PDn will source current if ext. pulled low. 1 0 Output No Push-Pull Zero Output 1 1 Output No Push-Pull One Output Wenn du jetzt deine Aussagen und Fragen kombinierst und in der Tabelle die notwendigen Spalten beachtest, sollte dir ein Licht aufgehen. Viel Erfolg, Uwe
>>geht das denn nicht mit den internen Pull-Ups ?? >>Wenn du jetzt deine Aussagen und Fragen kombinierst und in der Tabelle die notwendigen Spalten beachtest, sollte dir ein Licht aufgehen. Oder kürzer: Nein. Wenn Du über PORTxxx arbeitest, gibt es keine Pullups, high ist high und der DS zeiht das wohl nicht runter, selbst wenn eine Übetragung zustande käme, würdest Du nur 0xFF lesen. Sic! Wenn Du über DDRxxx arbeitest, geht das mit den Pullups "im Prinzip", aber die Werte sind so hoch (>30k oder so), dass es nach einem low zu lange dauert, bis die Leitung wieder high ist, Du liest nur 0x00. Externe Pullups sollten bei etwa 3k3 liegen, bei längeren Leitungen bis 1k runter (gucken was der DS noch an Strom runterziehen kann), oder die Übertragung extrem verlangsamen. Sven
@Sven <Wenn Du über DDRxxx arbeitest, geht das mit den Pullups "im Prinzip", <aber die Werte sind so hoch (>30k oder so), dass es nach einem low zu <lange dauert, bis die Leitung wieder high ist, Du liest nur 0x00. DDDn PORTDn I/O Pull Up Comment 0 0 Input No Tri-state (Hi-Z) 1 0 Output No Push-Pull Zero Output Ohne Kommentar. MFG Uwe
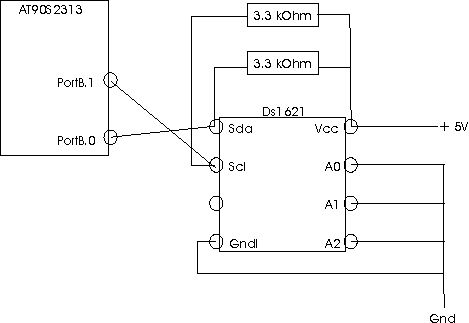
Hallo Leute, verwende jetzt externe 3.3 KOhm an SDA und SCL; leider lese ich jetzt nur noch 0xFF. Ist denn meine Mini-Schaltung fuern A....? Ist die Wartezeit relevant? Ich dachte die kann nur zu kurz sein, aber nicht zu lang... Der AT90S2313 sitzt im STK500 der DS1621 ist so wie im Schaltplan angeschlossen... (Manno, mir gehn langsam die Haare zum Ausraufen aus)
Mein Gott :-) pullup-Widerstände gehören von der entsprechenden Leitung nach Vcc, nicht in Reihe.
so etwa?? (ok,ok ich hab von pull-up Widerstaenden nicht die kleinste Ahnung - ich gebs ja zu)
@Uwe >>DDDn PORTDn I/O Pull Up Comment >> 0 0 Input No Tri-state (Hi-Z) >> 1 0 Output No Push-Pull Zero Output >>Ohne Kommentar. Stimmt. Man müßte DDR und PORT im Wechsel schalten: 0 1 Input Yes PDn will source current if ext. pulled low. 1 0 Output No Push-Pull Zero Output Aber das macht eh keinen Sinn, externe Pull>UP<s dran und fertig. Sven
Habs die 3.3kOhm Pull-Ups wie vorhin beschrieben reingeloetet. Ist auch alles richtig: bei writeBit(0) ist Sda auf 0V bei writeBit(1) ist Sda auf +5V Nur lese ich jetzt immer noch nur 0xFF? Liegts an meiner I2C_readBit Routine an der readTemperature ??? Oder ist der DS1621 geschossen? (I2C_Scl_Low,I2C_Scl_High,I2C_Sda_Low,I2C_Sda_High funktionieren) Hier die Kurzfassungen: I2C_readBit:(...) rcall I2C_Scl_Low ;wait 10 mueSec rcall I2C_Scl_High ;wait 10 mueSec in r16,_I2C_InputPort andi r16,(1<<_I2C_DataPin) (...) DS1621_readTemperature: ldi r17,cDS1621_Write ldi r18,cDS1621_ReadTemperatur rcall DS1621_sendStart (= write(0x90)+getAck+write(0xAA)+getAck) DS1621_readTemperature_main: rcall I2C_Scl_Low rcall I2C_Sda_High rcall I2C_Scl_High ldi r17,0b10010001 or r17,r16 mov r16,r17 rcall I2C_writeByte (= write(0x91)+getAck) rcall I2C_readByte ;MSBYTE->r16 mov r18,r16 ldi r16,0 rcall I2C_writeBit ;write an ACK = 0 rcall I2C_readByte ;LSBYTE->r16 mov r17,r16 ldi r16,1 rcall I2C_writeBit ;write an nACK = 1 rcall DS1621_sendStop ret Entweder ich seh den Fehler nicht oder die HW ist defekt....
Sorry Leute, muss euch nochmal nerven; Das mit High oder Low auf den Pins funktioniert ja richtig. Lese komischerweise nur 0xFE, als MSBYTE der Temperatur und 0x00 als LSBYTE der Temperatur. In meinem Zimmer hat es aber keine 254`C....
hm,...wenn ich das ConfigurationsRegister auslese, bekomme ich 0xFF wieder...
Bitte melde dich an um einen Beitrag zu schreiben. Anmeldung ist kostenlos und dauert nur eine Minute.
Bestehender Account
Schon ein Account bei Google/GoogleMail? Keine Anmeldung erforderlich!
Mit Google-Account einloggen
Mit Google-Account einloggen
Noch kein Account? Hier anmelden.

