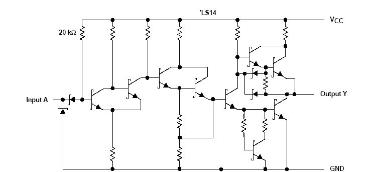
Die HCPL4504 opto hat bessere schaltverzoegerung wenn man ihn mit 16mA (If) treibt. Ich muss aus anderen gruenden einen 74LS14 zwischen AVr port und opto. Im Datenblatt von 74ls14 steht Maximum Absolute Rating als 16mA und Recommended als 8mA Ausgangsstrom. Bei 5V habe ich ueberlegt dass ich einen widerstandswert von 230 Ohm am Ausgang von 74Ls14 einsetze. Ich bin nur verzweifelt als ich gesehen habe dass 74LS14 auch am Ausgang im IC einen Widerstand hat (100 Ohm). Erste Frage: Ist 16mA dauerbetrieb (14Khz) %50 Duty cycle sicher? Sollm Ich den internen widerstand bei der Berechnung von begrenzungswiderstand berucksichtigen. siehe Schaltung als attachment. Mfg. Incal.
Wenn möglich, nimm einen HC-Typen und schalte 2 Gatter parallel. Aber mit 2 separaten Widerständen symmetrieren. MW
Bitte melde dich an um einen Beitrag zu schreiben. Anmeldung ist kostenlos und dauert nur eine Minute.
Bestehender Account
Schon ein Account bei Google/GoogleMail? Keine Anmeldung erforderlich!
Mit Google-Account einloggen
Mit Google-Account einloggen
Noch kein Account? Hier anmelden.
