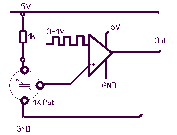
Hallo, bin gerade dabei mich in die OPV-Schaltungsproblematiken zu vertiefen. Anbei eine Schaltung,bei der ich mir nicht ganz sicher bin, vielleicht könnte mir da jemand helfen. sehe ich das richtig,daß da mit dem Poti solange die Spannung justiert wird, bis sie identisch ist mit dem Eingang und dann am Ausgang 5V anliegen? Vielen Dank
Sie Verstärkt ohne Rück-Kopplung die Spannung am Spannungsteiler auf einen Wert zwischen 0 und 5V. Aber da ein OP normalerweise mit min 10^5 verstärkt macht es glaube ich nicht soviel sinn ihn ohne Rückkollung zu vetreiben.
Moin, bin mir nicht sicher, aber eigentlich ist das ein Kompatator, desses Schwellwert über das Poti eingestellt wird. Aus dem Wechselsignal zwischen 0V und 1V könnte man (mit richtig eingestelltem Poti) ein Wechselsignal zwischen den Begrenzungen des Opamps machen. z.B. um das dann mit einem MC als High/Low zu erkennen. Gruss, Phililp.
Also verstärkt wird die Differenz des Spannungsteilers und des Signals am - Eingang.
gut, wir haben nun Verstärker, Komperator und Differenzverstärker. Ja was ist es denn nun?
Ein Komparator ohne Hysterese = ein Differenzverstärker mit unendlicher Verstärkung.
Auch ein Komparator hat eine endliche Verstärkung. Und Hysterese hat er von Haus aus sowieso keine. Eher: Komparator = Operationsverstärker ohne Frequenzkompensation mit zu Logikbausteinen kompatiblem Ausgang.
Probier doch mal die Datei in Anhang mit SwitcherCAD (http://www.linear.com/company/software.jsp) aus... Gruß Rick
Ein idealer Komparator hat per Definition eine unendliche Verstärkung.
Der ideale Operationsverstärker auch. Das unterschiedet die beiden also nicht.
Hi! Diese Schaltung gibt das invertierte Eingangssignal am Ausgang aus. Voraussetzung ist, das durch das Poti am nicht-invertierenden Eingang eine Spannung eingestellt ist, die zwischen 0 und 1V (Extremwerte der Spannung am invertierenden Eingang) liegt. Beispiel: Die Spannung am Poti ist auf 0,5V eingestellt. Fall 1: Eingansspannung ist 0V -> Die Differenzzspannung ist +0.5V -> Der OpAmp verstärkt dies und läuft in die positive Sättigung. -> Am Ausgang liegt fast die positive Versorgungsspannung (=5V) an. Fall 2: Eingangaspannung ist 1V -> Die Differenzsspannung ist -0.5V -> Der OpAMp verstärkt dies und läuft in die negative Sättigung- -> Am Ausgang liegt fast die negative Versorgungsspannung (=0V) an. Zusammegengefasst heist das: Die Schaltung ist fast ein Schmitt-Trigger mit Inverter, einstellbaren Triggerpunkt und ohne Hysterese. cu
Wobei Schmitt-Trigger nun wieder nicht so korrekt ist, weil der eine Hysterese hat. Wichtig ist aber vor allem, dass man versteht, wie und warum es funktioniert. Ich denke, dass sollte klar geworden sein.
mh, was passiert, wenn die Spannung am Poti auf 1V eingestellt ist, und am Eingang 1V anliegen? Dann liegt Masse am Ausgang an,richtig? Und bei 0,998V liegt am Ausgang fast VCC an, richtig?
Bitte melde dich an um einen Beitrag zu schreiben. Anmeldung ist kostenlos und dauert nur eine Minute.
Bestehender Account
Schon ein Account bei Google/GoogleMail? Keine Anmeldung erforderlich!
Mit Google-Account einloggen
Mit Google-Account einloggen
Noch kein Account? Hier anmelden.
