Hallo, ich brauche eure Hilfe und zwar habe ich eine Spannungsbegrenzung Mit Si7463 Fet und ZMM20 Zdiode. in der bib steht nur Si7469 DP und nicht Si7463 DP. wie kann ich die Parametern bei dem Model 7469 ändern daamit ich 7463 haben kann und das ist das gleiche für die Zdiode. Gruss
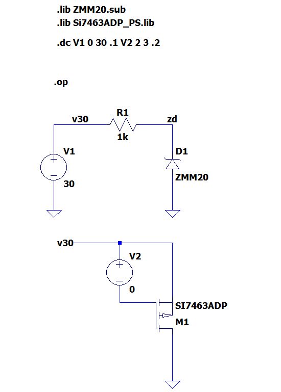
Es lassen sich auch eigenene Subcirciuts daür finden. ZMM20 http://iie.fing.edu.uy/~nantonie/Integrados-Componentes-Docs/Spice%20Models/zmm20.txt Si7463 http://www.vishay.com/docs/63521/si7463adp.zip
Danke an "chom" für die Links. Da dies Subcircuit-Modelle sind, muss man in den Bauteilen den Prefix-Wert auf X setzen. Subciruits beginnen in SPICE immer mit X, z. B. X1, XAB, ... Dazu Ctrl-rechte-Maustaste auf das platzierte Symbol im Schaltplan. Damit geht ein Dialogfenster auf mit allen Parametern für dieses Bauteil. Dort Prefix:MP auf Prefix:X setzen. Das Gleiche muss auch mit der Zener-Didoe gemacht werden. Die Model-Files im Verzeichnis des Schaltplans halten. Deren Name kann frei gewählt werden. Im Modell für die ZMM20 waren zwei Widerstandsmodelle RMOD. Da gibt es Unterschiede in der Reihenfolge von Modell und Wert zwischen SPICE3 und PSPICE/LTspice. Da musste ich bei zwei Widerständen die Reihenfolge zwischen Wert und Modellname vertauschen.
Bitte melde dich an um einen Beitrag zu schreiben. Anmeldung ist kostenlos und dauert nur eine Minute.
Bestehender Account
Schon ein Account bei Google/GoogleMail? Keine Anmeldung erforderlich!
Mit Google-Account einloggen
Mit Google-Account einloggen
Noch kein Account? Hier anmelden.
