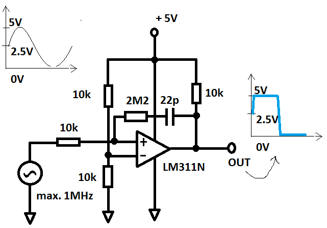
Liebe Forenten, ich habe einen Sinus-Generator (max. 1MHz) mit 10k Quellenwiderstand. Das Signal hat 5V V_pk_pk mit 2.5V DC Komponente. Dieses Signal moechte ich gern in ein TTL Rechteck Signal umwandeln. Wuerde die angehangene Schaltung funktionieren? Ciao, ul5255.
Sicher nicht. -Die Grenzfrequenz des LM 311 ist viel zu niedrig, um bei 1MHz richtig zu arbeiten. Anstiegs-bzw.Abfallzeit am Ausgang bewegt sich im Bereich von über einer Mikrosekunde. Schon bei 500 kHz bekommt man nur ein Dreieck als Ausgangssignal -Die Streukapazität parallel zum 2M-Widerstand dürfte viel zu groß sein. Bei z.B. 2pF Streukapazität parallel zu den 2M entsteht eine Grenzfrequenz von ca.40kHz - Der Widerstand 10kOhm am Ausgang ist für Digitalsignale mit 1MHz viel zu groß. usw. Eine bessere Lösung dürfte ein Inverter mit Schmitt-Trigger z.B 7414 sein.
Bitte melde dich an um einen Beitrag zu schreiben. Anmeldung ist kostenlos und dauert nur eine Minute.
Bestehender Account
Schon ein Account bei Google/GoogleMail? Keine Anmeldung erforderlich!
Mit Google-Account einloggen
Mit Google-Account einloggen
Noch kein Account? Hier anmelden.
