Hallo Forum, ich habe eine Anleitung für einen DC/AC Wandler gefunden und wollte die mal "nachsimulieren". Hierbei soll aus einer 12V DC Quelle über separate Schaltungen ein Sinus und ein Dreieck erzeugt und durch PWM über eine H-Brücke eine AC-Spannung erzeugt werden. Die Ausgangsspannung soll entsprechend der Beschreibung 120V betragen. Die Widerstande der Sinus-Erzeugung habe ich bereits auf 50Hz angepasst. Leider klappt die Simulation scheinbar nicht. Hoffe Ihr könnt mir Helfen diese Simulation zum Laufen zu bringen. Anschließend möchte ich die Schaltung versuchen so zu optimieren, damit aus den 120V gängige 230V werden. Bin für eure Hilfe dankbar. Würde mich freuen, wenn das alles klappt. Grüße Dwayne
Selbst WENN Deine 5MB-Simulation klappen sollte wird der Aufbau nicht einfacher. Überschlage erst mal wieviel Leistung Du brauchst und welch hoher Strom bei 12V nötig wäre. Dann zeig uns eine kleine Skizze statt 5MB (die keiner so schnell auf sein Handy laden möchte).
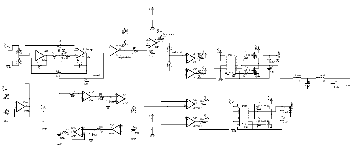
Es sollen am Ende so um die 150 Watt haben. Anbei diesmal eine Skizze. Tut mir leid, hatte nicht im Kopf, dass sich hier jemand die Unterlagen auf ein Handy läd. Grüße, Dwayne
Wo steckst Du fest? Kommen brauchbare Signale schon bis zum Ansteuerschaltkreis oder hängt es weiter hinten erst? Übrigens dicke MOSFETS habe hohe Gatekapazität. Auge ins jeweilige Datenblatt. Sonst http://schmidt-walter.eit.h-da.de/smps/smps.html
Meine Eingangs-Signale, sprich Sinus und Dreieck sehen aus wie im Plot sin_tri. Im nächsten Schritt scheint mir irgendwo ein Fehler zu sein. Wie aus dem Schaltplan zu entnehmen sind, habe ich die Signale "amplified Sinus" und dem "modified triangle" abgezweigt und die Verläufe in der Abbildung dargestellt. Gruß Dwayne
Bitte melde dich an um einen Beitrag zu schreiben. Anmeldung ist kostenlos und dauert nur eine Minute.
Bestehender Account
Schon ein Account bei Google/GoogleMail? Keine Anmeldung erforderlich!
Mit Google-Account einloggen
Mit Google-Account einloggen
Noch kein Account? Hier anmelden.


