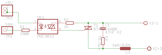
Hallo, im Rahmen meiner Bachelorarbeit im Studiengang Veranstaltungstechnik baue ich einen DMX gesteuerten Phasenanschnittsdimmer. Nun stehe ich vor dem Probem, die Werte für die Drosselspule und das RC Glied berechnen zu müssen und komme da leider nicht weiter. Schaltplan s. Anhang; die Last ist rein ohmsch und zwischen 15 und 100 W, die Werte im Schaltplan basieren auf Erfahrungswerten aus verscheidenen ANs/Foren. Mein Ansatz wäre über die Risetime die Spule berechnen (doch wie genau?) und danach das RC Glied. Kann mir da vllt jemand mit dem richtigen Ansatz auf die Sprünge helfen?
Ja, Risetime ist richtig, aber die Grenzwerte sind "Erfahrungssache", und RC Glied hängt von den Grenzwerten des TRIAC ab, daher nimm die Erfahrung der anderen, hier speziell für PA: " http://www.hoelscher-hi.de/hendrik/light/analogdimmer.htm sagt was zur Entstörung bei Phasenanschnitt: Zur Entstörung sollte in jeden Kanalabgang eine Ringkerndrossel mit Eisenpulverkern gehängt werden: Diese Induktivitäten dämpfen die Transienten beim Phasenanschnitt und verhindern so ein Brummen in der PA und ein Summen der Glühwendeln. Zur Einschätzung dieser Dämpfung wird bei kommerziellen Dimmern häufig die 'rise time' angegeben. Hierbei handelt es sich um die Zeit (in µs) in der der Strom nach dem Zünden des Triacs von 10% auf 90% ansteigt. Nach Umformen einer Differentialfunktion lässt sich die benötigte Induktivität berechnen durch L = (t*U)/(2.198*I) wobei 't' die risetime in [s], 'U' die Spannung in [V] und 'I' der Strom in [A] ist. Eine Risetime von 80µs (ca. 1mH bei 10A) ist schon schön - für hochempfindlichen Studioumgebungen werden sogar Dimmer mit Risetimes von 500µs verbaut. Die Netzzuleitung selbst kann mit 500uH parallel zu 100 Ohm simuliert werden. " http://www.dse-faq.elektronik-kompendium.de/dse-faq.htm#F.25.1
Bitte melde dich an um einen Beitrag zu schreiben. Anmeldung ist kostenlos und dauert nur eine Minute.
Bestehender Account
Schon ein Account bei Google/GoogleMail? Keine Anmeldung erforderlich!
Mit Google-Account einloggen
Mit Google-Account einloggen
Noch kein Account? Hier anmelden.
