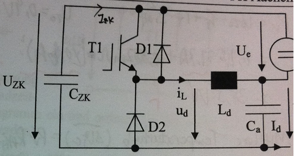
Hallo, ich habe eine Frage zu einem abgewandeltem Tiefsetzsteller. Kann mir jemand sagen welche Funktion dieser Tiefsetzsteller hat, bzw wie die Ausgangsspannung Ua und Uzk aussehen? (Ua ist die Spannung über Ca) Den Tiefsetzsteller habe ich verstanden, aber verstehe den sinn der Spannungsquelle nicht. Gruß Tarrax
In der Leitphase des T1 schaltet er die Quelle Ue an die Drossel Ld und läd diese auf. In der Sperrphase schaltet die Diode D2 die Drossel an den Ausgangskondensator/Last wohin diese ihre gespeicherte Energie abgibt. Der Wandler macht eine (in Bezug auf den Minuspol der Quelle) negative Ausgangsspannung (Anode von D2). Uzk ist die Summe aus Ue und Ua.
Bitte melde dich an um einen Beitrag zu schreiben. Anmeldung ist kostenlos und dauert nur eine Minute.
Bestehender Account
Schon ein Account bei Google/GoogleMail? Keine Anmeldung erforderlich!
Mit Google-Account einloggen
Mit Google-Account einloggen
Noch kein Account? Hier anmelden.
