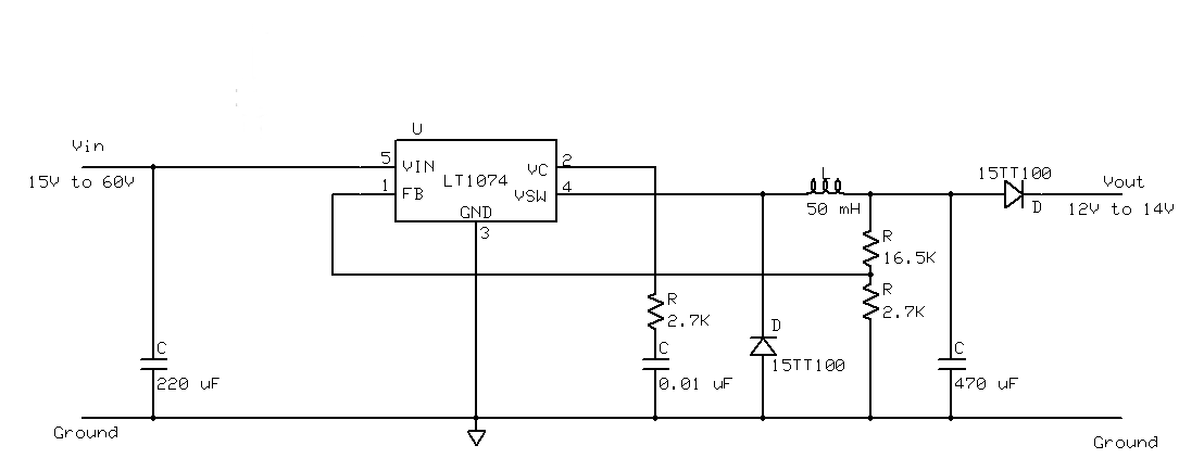
Hallo Gemeinschaft, Ich habe ein grundsätzliches Problem mit der Überspannung in meinem DC-DC Spannungsregulator. siehe Anhang. Der LT1074 Step-Down Konverter ist Bestandteil einer Schaltung eines eBikes Motors(36V,250W), der umgekehrt als Generator benutzt wird. Die Schaltung funktioniert im Testbetrieb tadellos aber nach mehren Wochen fällt der LT1074 Konverter immer wieder aus. Und es scheint als ob der Vin Pin dabei wie "verbrannt" und bricht beim Ausbau aus der Platine wie von selbst ab. Der Kühlkörper wurde bereits überdimensioniert konnte das Durchbrennen aber nicht verhindern. Die Vermutung liegt natürlich nahe, dass der Vin MAX von 60V hier überschritten wurde. Theoretisch ist dies auch möglich aber dazu bedarf es einer nicht unwesentlichen Umdrehungszahl des Motors, was durch den Antrieb eigentlich ausgeschlossen sein sollte. Aber in diesem Fall halte ich es dennoch für die wahrscheinlichste Ursache. Der "Generator" steht im öffentlichen Raum und ist eine Art Spielgerät und wird zum Lichterzeugen und diverser anderer 12V Funktionen genutzt, natürlich bleibt da Wandalismus nicht aus. Meine Frage an euch: Kennt jemand einen altern. DC-DC Step Down Converter statt dem LT1074HVCT#PBF (http://de.rs-online.com/web/p/dc-dc-wandler/7618002/) der deutliche höhere Vmax Werte verträgt bei gleicher Vout 12V Bereitstellung? Gibt es von eurer Seite eine Idee für einen altnativen Spannungsregulator bis Vmax 100V-150V eventuellen mit Überspannungsschutz? Grüße. JoJo
Überspannungsschutz selber davorbauen geht nicht? Z-Diode + dicker Transistor? http://www.elektronik-kompendium.de/public/schaerer/powzen.htm
Bitte melde dich an um einen Beitrag zu schreiben. Anmeldung ist kostenlos und dauert nur eine Minute.
Bestehender Account
Schon ein Account bei Google/GoogleMail? Keine Anmeldung erforderlich!
Mit Google-Account einloggen
Mit Google-Account einloggen
Noch kein Account? Hier anmelden.
