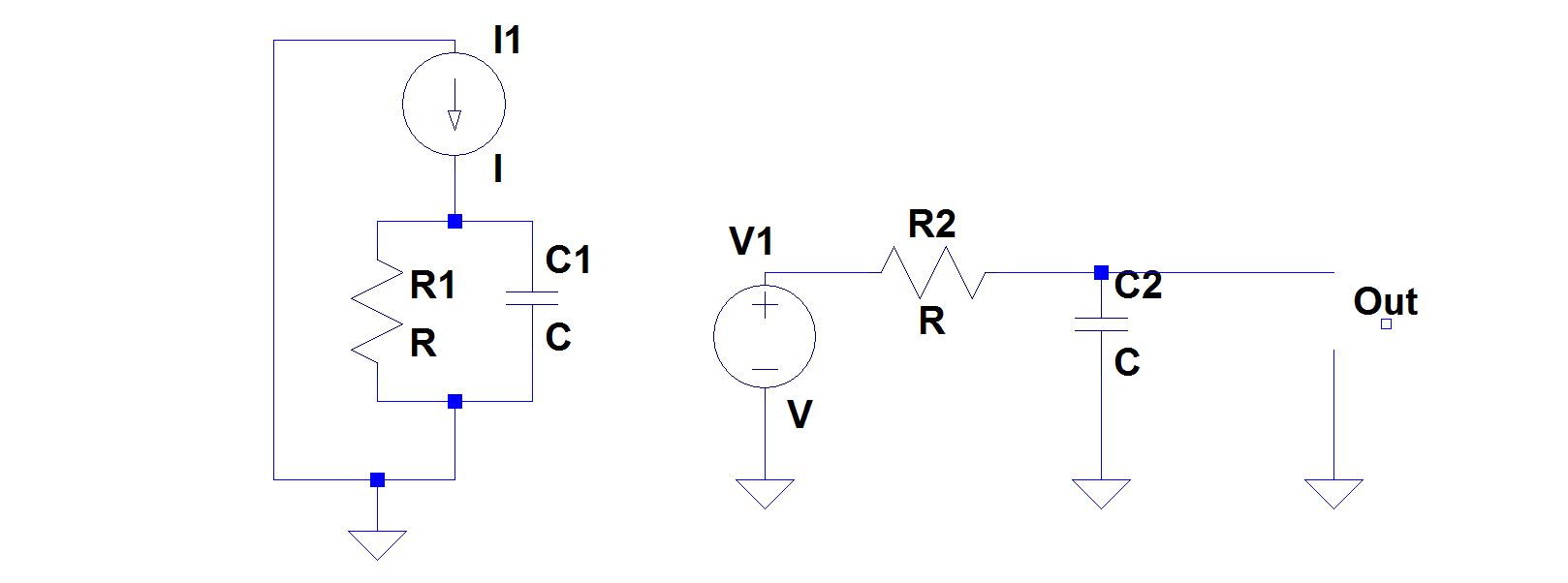
Moin, mir stellt sich die Frage, wie ich die beiden Ersatzschaltbilder ineinander umwandeln kann. Vom Verhalten her ist ja beides ein Tiefpass. Es geht mir weniger um die Formel als um das Verständnis. Das Thévenin Theorem müsste doch hier anwendbar sein oder? Leider bekomme ich den Zusammenhang nicht hin... Vielen Dank für die Hilfe!
Kleiner Tipp zum Zeichnen in LTspice. Mit Move und dann Ctrl-r kann man die Stromquelle drehen um sie dann parallel zu R und C zu legen. Move und Ctrl-e spiegelt das Bauteil.
Bitte melde dich an um einen Beitrag zu schreiben. Anmeldung ist kostenlos und dauert nur eine Minute.
Bestehender Account
Schon ein Account bei Google/GoogleMail? Keine Anmeldung erforderlich!
Mit Google-Account einloggen
Mit Google-Account einloggen
Noch kein Account? Hier anmelden.
