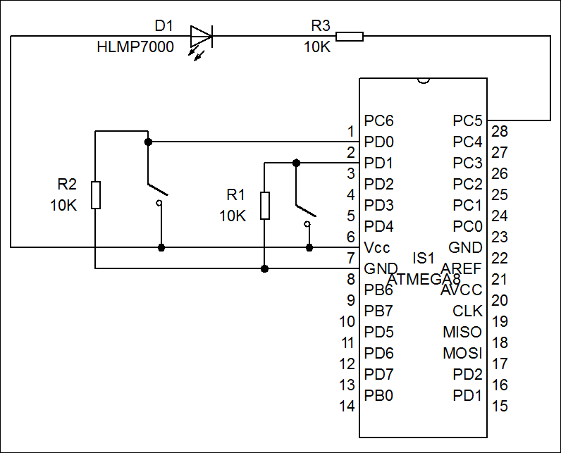
Guten Morgen, Ich versuche eigentlich über zwei Buttons eine Variable zu vergrößern/ zu verkleinern, aber ich komme mit den gedrückten Buttons nicht in die richtigen if-Blöcke rein. Dazu hab ich die Schaltung und den C-Code aus dem Anhang. Ich würde jetzt eigentlich erwarten, dass wenn Taster 1 oder 2 gerückt sind meine LED leuchtet. Aber ich muss beide Buttons drücken, damit die LED leuchtet. Wenn ich jedoch eine der Zeile, in denen die Buttonzustände ausgelesen werden (16/17), leuchtet die LED auch nur bei einem gedrückten Button (, bei dem, der noch ausgelesen wird.) Könnt mir jemand das Systemverhalten erklären? Gruß Luggi
Da hab ich zum Schluss ein Wort verschluckt: Wenn ich jedoch eine der Zeile, in denen die Buttonzustände ausgelesen werden (16/17) auskommentiere, leuchtet die LED auch nur bei einem gedrückten Button (,bei dem, der noch ausgelesen wird.)
Die LED leuchtet, wenn Du den Port auf 0 setzt und ist aus, wenn Du ihn auf 1 setzt. In Deinem Code gehst Du vom Gegenteil aus.
Und möglicherweise sind die Tasten Öffner und keine Schließer, denn dann würde sich zusammen mit der falschen LED-Annahme genau das beobachtete Verhalten ergeben.
Ok, ich hab's jetzt eben umgeschrieben... und es funktioniert :) Dankeschön dafür! Jetzt muss ich nur noch mal schauen, dass ich da verstehe...
Bitte melde dich an um einen Beitrag zu schreiben. Anmeldung ist kostenlos und dauert nur eine Minute.
Bestehender Account
Schon ein Account bei Google/GoogleMail? Keine Anmeldung erforderlich!
Mit Google-Account einloggen
Mit Google-Account einloggen
Noch kein Account? Hier anmelden.
