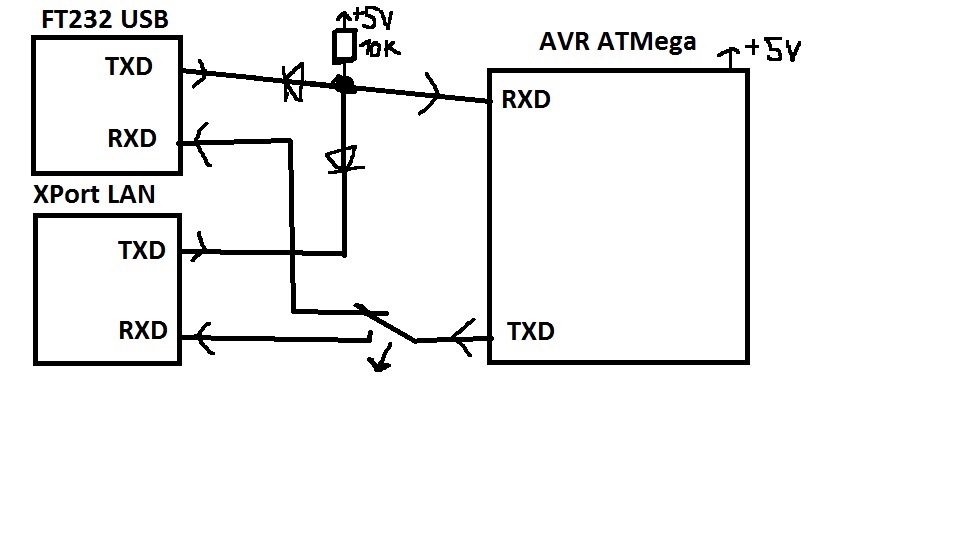
Hallo Liebe Elektronikfreunde Ich habe zur Kommunikation mit meinem AVR einen XPort um über LAN zu kommunizieren und einen FT232 für USB parallel dazu. Es soll auswählbar sein ob nun über LAN oder USB kommuniziert wird. Dazu hätte ich einfach die Transmit Leitungen TXD über Dioden an den RXD Eingang des AVR gehängt. Das TXD vom AVR soll über ein Schalter (MUX) entweder an den XPort oder den FT232 gegeben werden. Funktioniert das so mit den Dioden oder gäbe es eine schönere Lösung?
Mein Problem ist das ich erstmal vom PC über LAN oder USB ein Datenpaket an den AVR schicken muss. Dann schaltet mir der AVR den Switch der TXD Leitung auf LAN oder USB je nachdem was vom PC her gesendet wurde. D.h. ganz am Anfang muss ja der XPort UND FT232 am AVR hängen denn ich weiß ja nicht wer kommuniziert. Erst dannach wird entschieden LAN oder USB mit dem Switch. Ich bin bin aber nicht ganz im Klaren ob ich einfach so eine Diode ins TXD hängen darf also Veroderung sozusagen.
Das funktioniert SO mit den Dioden überhaupt nicht! TTL UART ist im idle high, also der RXD vom AVR sieht immer high. -> Dioden umdrehen und ein Pullup an den AVR RXD. Dann zieht das Datenbit den RXD auf low und der Pullup wieder auf high. Zum Senden dann vllt nen Softuart, da kannste den Sendepin umschalten. Oder nen AVR mit 2 UART.
Funktioniert das nun so wie auf dem Bild? Brauche ich auf den RXD Leitungen auch noch pullups. Könnte der MUX evtl. Probleme beim Umschalten machen? Stichwort Spannungspeaks. Was passier eig. wenn der FT232 und LAN gleichzeitig sendet. Dann haut es die Kommunikation bestimmt zusammen? Wahrscheinlich sollte dann immer nur einer von beiden senden.
Jo, wenn beide senden gibts Datensalat ;) Die RXD Pins vom FT232 und XPORT sollten auch pullups bekommen. Wie gesagt: TTL UART ist idle high und wenn du umschaltest liegt kurz low an. Die feine Englische ist das trotzdem ned, also eines von beiden sollte per Software UART angesprochen werden oder du besorgst dirn AVR mit 2 Hardware UART.
Super für die Info mit den Pullups an RXD. Schon klar das es mit ner Software UART "sauberer" wäre. Aber ich muss leider diesen AVR mit nur einer UART verwenden. Also dachte ich mir bastel ich das doch hardwäremäßig zusammen ;) Ich habe so ne ähnliche Lösung grad hier gefunden. http://www.heise.de/ct/artikel/Leitungsschau-291014.html?view=zoom;zoom=16 Wenn man etwas ins Bild reinzoomt kann man auch was erkennen ;) Softwaremäßig frage ich am PC immer ab ob die an den AVR gesendeten Daten wirklich richtig angekommen sind. Wenn mir da z.B. der XPort in die Kommunikation reinfunkt bekomm ich das ja mit. Dann müssen die Daten gegebenenfalls erneut gesendet werden. Im Normalfall sende ich aber nur auf USB oder LAN einzeln.
Bitte melde dich an um einen Beitrag zu schreiben. Anmeldung ist kostenlos und dauert nur eine Minute.
Bestehender Account
Schon ein Account bei Google/GoogleMail? Keine Anmeldung erforderlich!
Mit Google-Account einloggen
Mit Google-Account einloggen
Noch kein Account? Hier anmelden.


