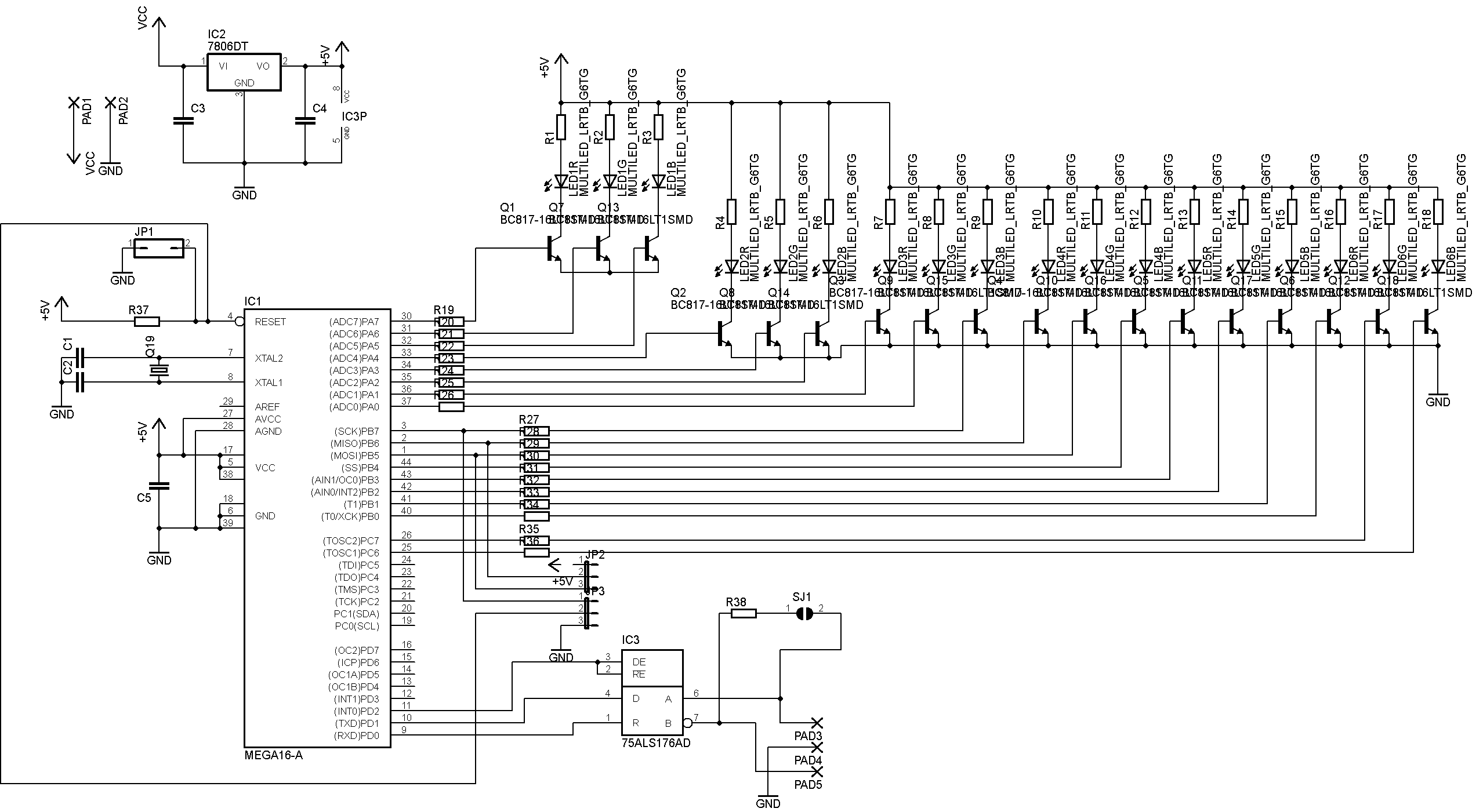
Hallo, ich habe das Problem das sich der Controller nicht programmieren lässt. Ich finde einfach keine Fehler in der Schaltung. Ich programmiere mit Burn-O-Mat und dem USBASP von Ulrich Radig. Bei allen anderen Controller funktioniert alles, nur nicht bei dieser Schaltung. Kurzschlüße zwischen den Pin´s sind nicht vorhanden, Betriebsspannung liegt am Controller an und auch die Leitungen vom USBASP bis hin zu den Controller Pins habe ich durchgemessen und es ist alles in Ordnung. Burn-O-Mat hat nur den ATMEGA16, verbaut ist aber ein 16A. Sollte aber kein Problem sein, in anderen Projekten habe ich die A Version in Dip Ausführung und da geht es auch. HAbe ich einen Schaltungsfehler den ich einfach übersehe? Ich habe den Controller sogar schon ein mal ausgetauscht, aber keine Veränderung. MFG blutengel
Wie gross sind die Basiswiderstände zu den Transistoren?
>12 kOhm
Dann hast du ein Problem das hier keiner sehen kann. 12k sollte jeder
billige ISP Prommer treiben können.
Schon mal die ISP Frequenz runter geschraubt?
Oder der ISP Connector ist falsch angeschlossen.
Das habe ich auch schon alle ausprobiert. Aber Burn-O-Mat sag immer Target doesnt arnswer. Also ist von der Schaltung her alles iO?
Bitte melde dich an um einen Beitrag zu schreiben. Anmeldung ist kostenlos und dauert nur eine Minute.
Bestehender Account
Schon ein Account bei Google/GoogleMail? Keine Anmeldung erforderlich!
Mit Google-Account einloggen
Mit Google-Account einloggen
Noch kein Account? Hier anmelden.
