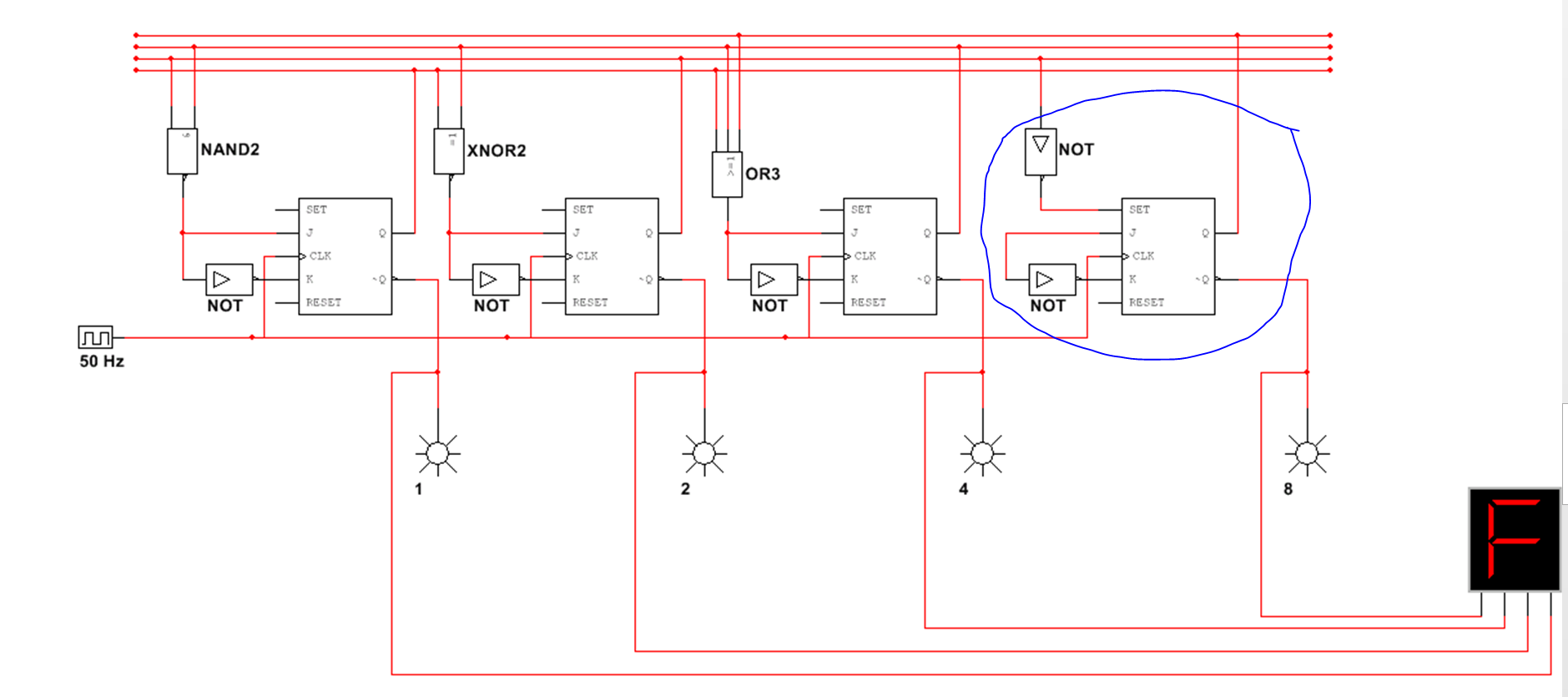
Hallo, ich lerne gerade für eine Klausur und habe eine Schaltung (Anhang), bei der das letzte Flip Flop (eingekringelt), geschaltet ist wie ich es noch nicht vorher gesehen hab. Habe das ganze simuliert, steige aber trotzdem nicht wirklich durch. Kann mir das jemand von euch näher bringen? Der Zähler zählt F - C - 2 - 0 - (1 - 3 - 2 - 0) Pendelt sich dann auf die Klammer ein. Danke schon einmal!
Ich bin mir ziemlich sicher, dass das ein Fehler ist. Der Eingang J des letzen FFs und der angeschlossene Invertereingang hängen in der Luft. Sofern in dem realen Aufbau nicht Pullup/down-Widerstände eingesetzt werden ist das Verhalten der Schaltung undefiniert. Ich zweifle auch, dass Dein Simulationsprogramm das so ohne Warnung übersetzt.
Ich würde mal schwer vermuten, dass bei dem letzten FF nicht das Set sondern der J-Eingang mit dem Not verbunden sein soll.
Okay, wenn so eine Beschaltung keinen Sinn ergibt, gehe ich mal davon aus, das es ein Fehler war. Frage mich dann nur wieso das Simulationsprogramm das ganze ohne Problem simuliert hat lol. Danke auf jedenfall...
Bitte melde dich an um einen Beitrag zu schreiben. Anmeldung ist kostenlos und dauert nur eine Minute.
Bestehender Account
Schon ein Account bei Google/GoogleMail? Keine Anmeldung erforderlich!
Mit Google-Account einloggen
Mit Google-Account einloggen
Noch kein Account? Hier anmelden.
