Moin, hat einer von euch Informationen, welche Schnittstelle die Displays in den aktuellen Tablets verwenden? Insbesondere die Displays mit HD-Auflösung sind dabei interessant.
zB embedded diplayport ... Oder prop. über lvds... Gibt da vieles
Möglicherweise könnte das Signal auf HDMI oder Displayport gewandelt werden. Für mich wäre solch ein Display von der Größe her interessant, die Signalquelle wäre dann ein Embedded-PC.
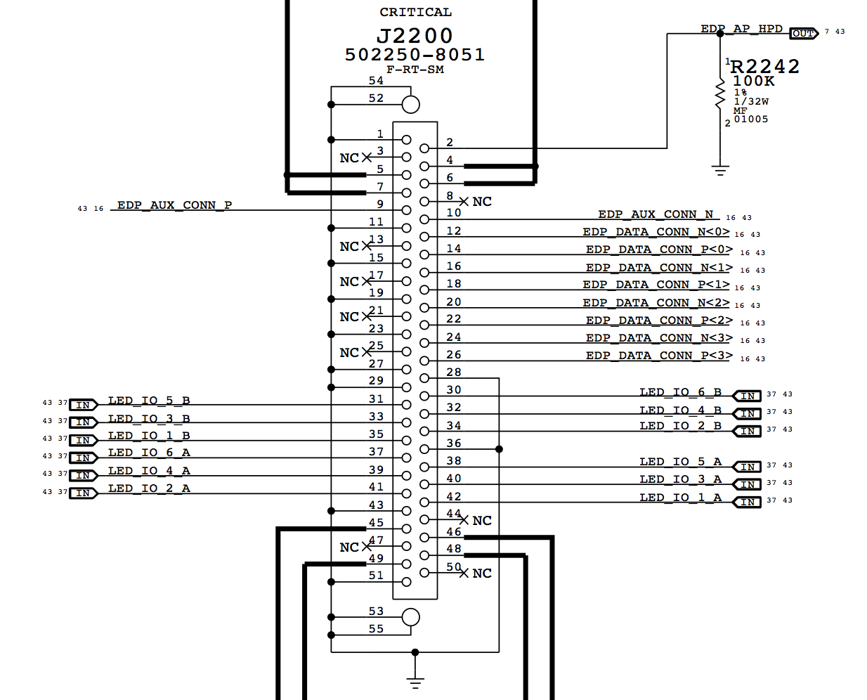
Das iPad 3 verwendet beispielsweise Embedded DisplayPort. Im Anhang die Signalbelegung des Steckers, so im Schaltplan vorgefunden.
Bitte melde dich an um einen Beitrag zu schreiben. Anmeldung ist kostenlos und dauert nur eine Minute.
Bestehender Account
Schon ein Account bei Google/GoogleMail? Keine Anmeldung erforderlich!
Mit Google-Account einloggen
Mit Google-Account einloggen
Noch kein Account? Hier anmelden.
