Hallo, ich benötige in LT Slice einen SW, welcher während der negative Halbwelle an und währen der positiven Halbewelle einer Sinuskurve permanent aus ist. Während der negative Halbwelle sieht alles ganz gut, jedoch sieht die positive nicht so gut aus. Hat mir jemand einen Tipp. Wäre super. Viele Grüße
hallo, danke für die Antwort. .model SW SW(Ron=.1 Roff=1G Vt=0 Vh=-0 Lser=0 Vser=0) Gruß
Parametriere Vtv und Vh passend zu der Spannungsquelle V_komp, dann sollte es wunschgemäß funktionieren. Für die Zukunft wäre es gut, wenn in der angehangenen Schaltung auch alle Parameter sichtbar sind.
Hi super, danke. Werde ich gleich machen. Und in Zukunft gibt es vernünftige Screenshots der ganzen Schaltung. Schönen Samstag
Wenn die Steuerquelle 0V und 8V liefert, dann stellt man Vt nicht auf 0V sondern auf einen Wert größer 0V. Reale Schalter-ICs haben oft Schaltschwellen bei 1,5V (TTL Pegel) auch wenn die in CMOS gebaut sind. Vt=1.5 Das Vh=-0 kannst du gleich weglassen, wenn du nur 0V haben willst.
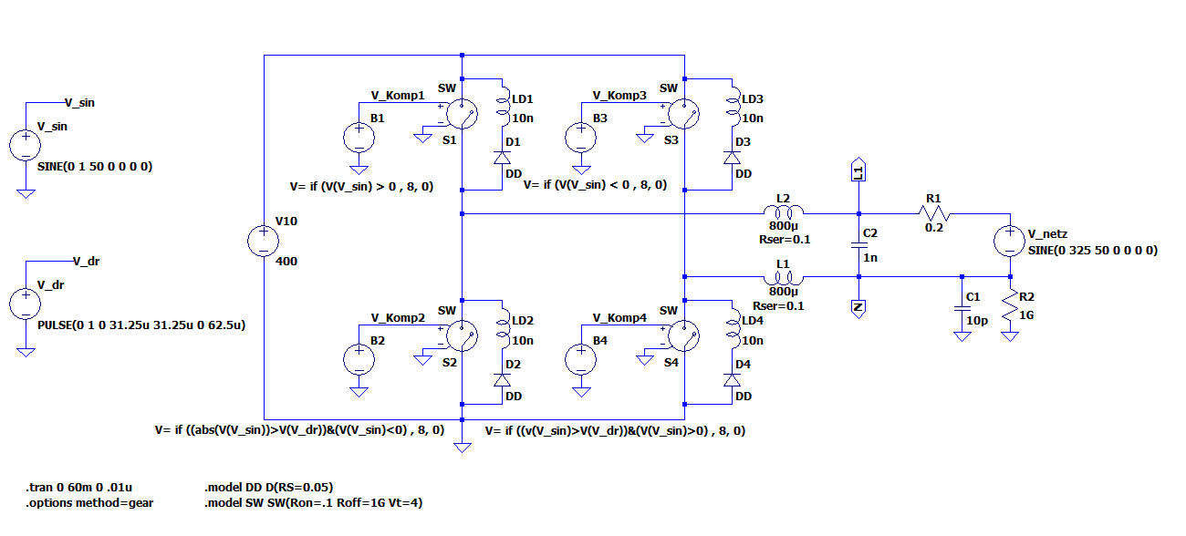
Hi, ich bin jetzt überfordert. Versuche das ganze im Rahme einer Simulation eines h 5 Inverters zu machen. Ansteuerung + Schaltung (siehe Screenshot). Mit LTSpice umzugehen fällt mir nicht leicht. Bin am überlegen es mit geckocir. zu machen. Aber es müsste ja auch mit LTSpice gehen.
1. Warum ist Vt im SW model immer noch 0 und nicht 4 z. B.? 2. Unten an die 400V-Quelle muss Masse. In SPICE muss jeder Knoten einen DC-Pfad nach Masse haben. 3. Hänge die .asc Datei an damit man mitsimulieren kann. Die Bilder sind nur für die Zuschauer. Die aktiven Leser benötigen die .asc Schaltplandatei.
Vielen Dank für die Hilfe. Das ist wirklich super. Im Anhang ist die .asc Datei. Masse habe ich hinzugefügt und den Verlauf von S1 simuliert (Siehe Anhang) Hier müsste ja eine Rechteckspannung entstehen. Gruß Michael
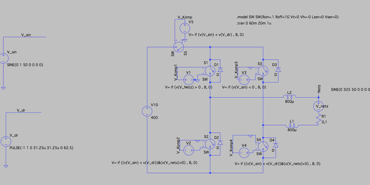
Die Spannungsquelle V1 ist verpolt - die Funktion des Schalters ist von der Polarität abhängig.
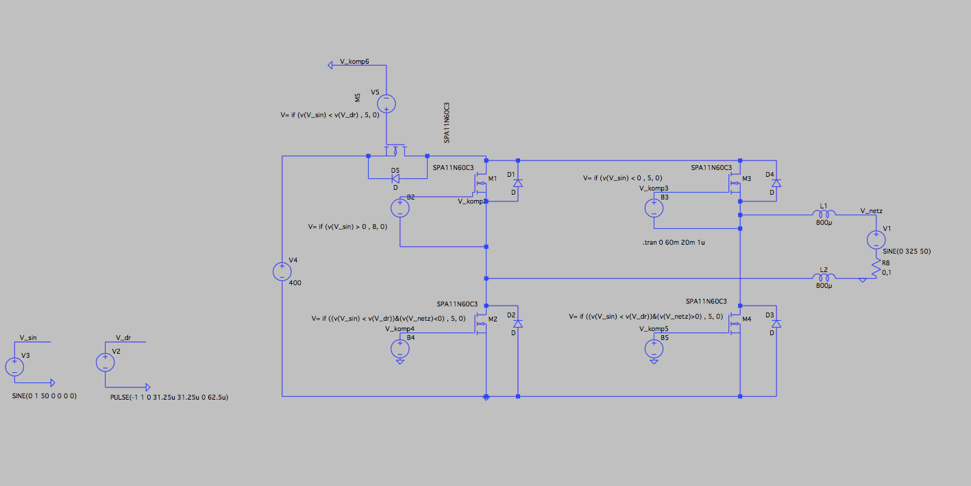
Ich habe mich nun dazu entschieden, es mit Mosfets zu simulieren. Leider ist das Ergebnis nicht wirklich gut. Weiter weiß ich nicht wirklich :-(
Deine PWM-IF() waren teilweise falsch und die Dreieck-Quelle sollte nur von 0V nach 1V gehen.
Bitte melde dich an um einen Beitrag zu schreiben. Anmeldung ist kostenlos und dauert nur eine Minute.
Bestehender Account
Schon ein Account bei Google/GoogleMail? Keine Anmeldung erforderlich!
Mit Google-Account einloggen
Mit Google-Account einloggen
Noch kein Account? Hier anmelden.






