Hallo, ich suche ein Referenzdesign für einen Buck-Boost Schaltregler. Folgende Anforderungen müssen erfüllt werden: Vin = 10V - 30V Vout = 24 Imax(@10Vin) = 0.9 A Kennt Ihr da vielleicht einen Baustein ? Ich habe bereits folgende zur Verfügung: LM2596 : -> Keine Ahnung wie man da nen Buck- Boost machen soll LM3578 : -> Da ist im Datenblatt ein Referenzdesign zu finden. Aber der schafft nur 750 mA. Danke, vorab!
LTC3115 schaut schon mal gut aus! Vielleicht noch jemand ne Idee wie man aus dem LM2596 eine Buck- Boost machen kann?
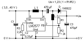
http://www.ti.com/tool/pmp5657.2 das sollte genau das sein was du suchst. Das Feedback-Signal sollte auf 24V angepasst werden, da es im Reference Design bei 26V ist.
Bitte melde dich an um einen Beitrag zu schreiben. Anmeldung ist kostenlos und dauert nur eine Minute.
Bestehender Account
Schon ein Account bei Google/GoogleMail? Keine Anmeldung erforderlich!
Mit Google-Account einloggen
Mit Google-Account einloggen
Noch kein Account? Hier anmelden.
